Export Control
EAR Export Classification: Not subject to the EAR per 15 C.F.R. Chapter 1, Part 734.3(b)(3), except for the following Service Bulletins which are currently published as EAR Export Classification 9E991: SBE70-0992, SBE72-0483, SBE72-0580, SBE72-0588, SBE72-0640, SBE73-0209, SBE80-0024 and SBE80-0025.Copyright
© IAE International Aero Engines AG (2001, 2014 - 2021) The information contained in this document is the property of © IAE International Aero Engines AG and may not be copied or used for any purpose other than that for which it is supplied without the express written authority of © IAE International Aero Engines AG. (This does not preclude use by engine and aircraft operators for normal instructional, maintenance or overhaul purposes.).Applicability
All
Common Information
TASK 71-00-00-800-001 Loom Data Sheets
General
In order to facilitate overhaul checks on harnesses, detailed harness information with regard to leg length has been compiled in Loom Data Sheets for the current production of V2500-A5 engine standard. The harness part numbers are follows:
HARNESS | PART NO. |
|---|---|
Fan Speed/Trim Balance Probes Harness | 5A0244 |
Fan Speed/Trim Balance Probes Harness | 5A2211 |
Ignition Supply Harness | 6A5668 |
EEC Link Harness Core | 6A5877 |
EGT Harness | 6A5878 |
EEC Link Harness Core | 6A7569 |
EEC Harness Core | 6A8171 |
EEC Harness Core | 6A8172 |
EEC Harness Fan | 6A8281 |
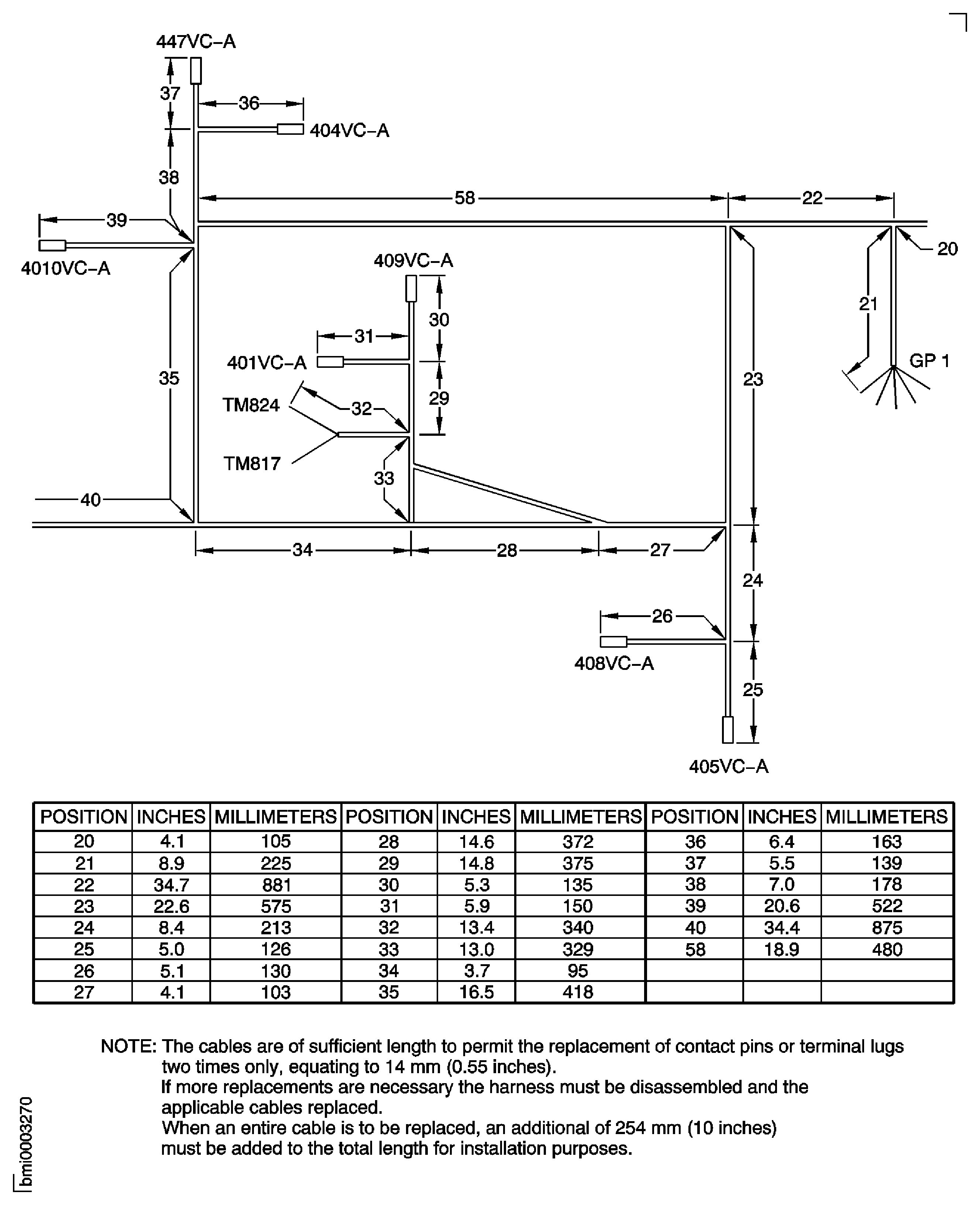
Maintenance Interphone Jack | 740-3215-509 |
Air Intake Cowl Harness | 740-3235-511 |
General Service Harness | 740-5966-529 |
Air Intake Cowl Harness | 745-3234-501 |
Fire Detection (B) Harness | 745-5862-505 |
EEC and Ignition Supply Harness | 745-5870-503 |
Fire Detection (A) and Cabin Services Harness | 745-5967-513 |
Fire Detection (A) and Cabin Services Harness | 745-5967-517 |
Integrated Drive Generator (IDG) Cable Assembly | 740-5869-505 |
Integrated Drive Generator (IDG) Cable Assembly | 740-5869-507 |
Preliminary Requirements
Pre-Conditions
NONESupport Equipment
NONEConsumables, Materials and Expendables
NONESpares
NONESafety Requirements
NONEProcedure
Figure: Fan Speed Probe And Trim Balance Probe Harness (PN 5A0244 And PN 5A2211)
Fan Speed Probe And Trim Balance Probe Harness (PN 5A0244 And PN 5A2211)

Figure: Ignition Supply Harness (P/N 6A5668)
Ignition Supply Harness (P/N 6A5668)

Figure: EEC Link Harness Core (P/N 6A5877)
EEC Link Harness Core (P/N 6A5877)

Figure: EEC Link Harness Core (P/N 6A7569)
EEC Link Harness Core (P/N 6A7569)

Figure: EGT Harness (P/N 6A5878)
EGT Harness (P/N 6A5878)

Figure: EEC Harness Core (PN 6A8171)
EEC Harness Core (PN 6A8171)

Figure: EEC Harness Core (PN 6A8172)
EEC Harness Core (PN 6A8172)

Figure: EEC Harness Fan (P/N 6A8281)
EEC Harness Fan (P/N 6A8281)

EEC Harness Fan (P/N 6A8281)

EEC Harness Fan (P/N 6A8281)

Figure: Maintenance Interphone Jack (P/N 740-3215-509)
Maintenance Interphone Jack (P/N 740-3215-509)

Figure: Air Intake Cowl Harness (P/N 740-3235-511)
Air Intake Cowl Harness (P/N 740-3235-511)

Figure: Air Intake Cowl Harness (P/N 745-3234-501)
Air Intake Cowl Harness (P/N 745-3234-501)

Figure: Fire Detection (B) Harness (P/N 745-5862-505)
Fire Detection (B) Harness (P/N 745-5862-505)

Figure: EEC and Ignition Supply Harness (P/N 745-5870-503)
EEC and Ignition Supply Harness (P/N 745-5870-503)

Figure: Fire Detection (A) and Cabin Services Harness (P/N 745-5967-513)
Fire Detection (A) and Cabin Services Harness (P/N 745-5967-513)

Figure: Fire Detection (A) and Cabin Services Harness (P/N 745-5967-517)
Fire Detection (A) and Cabin Services Harness (P/N 745-5967-517)

Figure: General Service Harness (P/N 740-5966-529)
General Service Harness (P/N 740-5966-529)

General Service Harness (P/N 740-5966-529)

General Service Harness (P/N 740-5966-529)

Figure: Integrated Drive Generator (IDG) Cable Assembly
Integrated Drive Generator (IDG) Cable Assembly

Integrated Drive Generator (IDG) Cable Assembly

Integrated Drive Generator (IDG) Cable Assembly

Integrated Drive Generator (IDG) Cable Assembly

