Export Control
EAR Export Classification: Not subject to the EAR per 15 C.F.R. Chapter 1, Part 734.3(b)(3), except for the following Service Bulletins which are currently published as EAR Export Classification 9E991: SBE70-0992, SBE72-0483, SBE72-0580, SBE72-0588, SBE72-0640, SBE73-0209, SBE80-0024 and SBE80-0025.Copyright
© IAE International Aero Engines AG (2001, 2014 - 2021) The information contained in this document is the property of © IAE International Aero Engines AG and may not be copied or used for any purpose other than that for which it is supplied without the express written authority of © IAE International Aero Engines AG. (This does not preclude use by engine and aircraft operators for normal instructional, maintenance or overhaul purposes.).Applicability
All
Common Information
TASK 72-31-00-540-001 LP Compressor (LPC) Fan Module - Unpack
General
This TASK gives two methods to remove the LP compressor (fan) module from the shipping container.
- Use method 1 if you install the LP compressor (fan) module on to the storage stand (vertical type).
- Use method 2 if you install the LP compressor (fan) module on to the storage stand (horizontal type).
Fig/item numbers in parentheses in the procedure agree with those used in the IPC. Only the primary Fig/item numbers are used. For the service bulletin alpha variants refer to the IPC.
For all parts identified in a different Chapter/Section/Subject, the applicable Chapter/Section/Subject comes before the Fig/item number.
NOTE
Preliminary Requirements
Pre-Conditions
NONESupport Equipment
| Name | Manufacturer | Part Number / Identification | Quantity | Remark |
|---|---|---|---|---|
| IAE 1J12016 Special wrench | 0AM53 | IAE 1J12016 | 1 | |
| IAE 1J12019 Storage stand | 0AM53 | IAE 1J12019 | 1 | |
| IAE 1J12101 Vertical sling | 0AM53 | IAE 1J12101 | 1 | |
| IAE 1J12104 Sling adapter | 0AM53 | IAE 1J12104 | 1 | |
| IAE 1J12105 Cantileer sling | 0AM53 | IAE 1J12105 | 1 | |
| IAE 1J12110 Transportation and storage stand | 0AM53 | IAE 1J12110 | 1 | |
| IAE 1J12180 Hub protector | 0AM53 | IAE 1J12180 | 1 | |
| IAE 1J12181 Protection cover | 0AM53 | IAE 1J12181 | 1 |
Consumables, Materials and Expendables
NONESpares
NONESafety Requirements
NONEProcedure
Refer to Figure.
SUBTASK 72-31-00-540-051 Open the Shipping Container
Remove the flange of the container to release the module from the base section, Figure.
Install IAE 1J12101 Vertical sling 1 off to the module, Figure.
Remove the protection cover (part of the container) from the curvic teeth of the fan disk of the module, Figure.
SUBTASK 72-31-00-540-052-001 Remove the LP Compressor (Fan) Module from the Shipping Container (Method 1)
Remove the flange (part of the shipping container) to release the module from the base section of the shipping container, Figure.
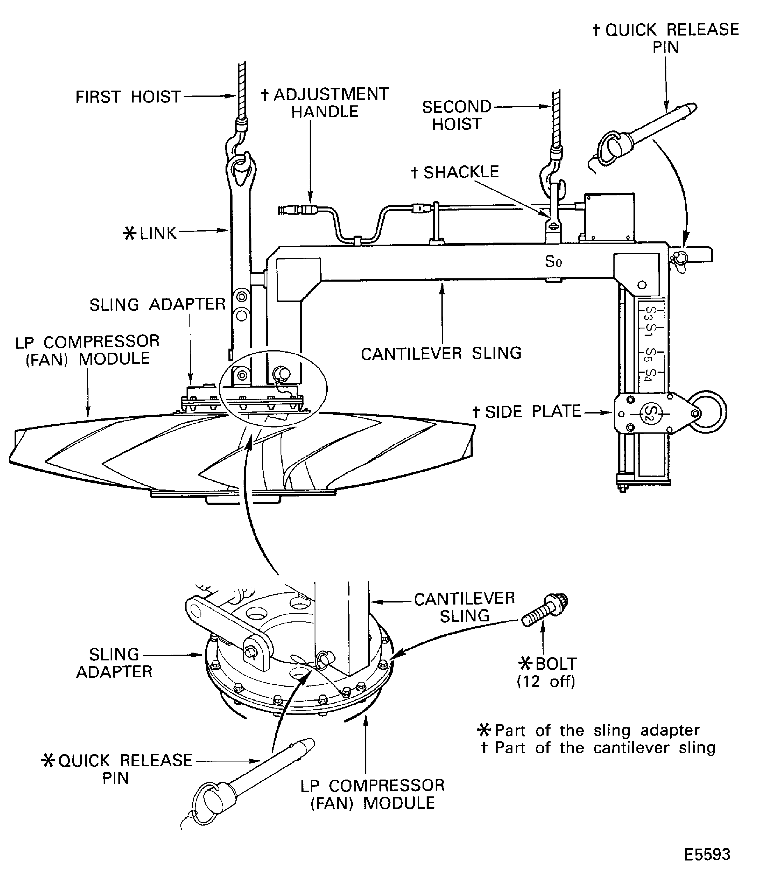
Install IAE 1J12104 Sling adapter 1 off on to the LP Compressor (fan) module.
Install IAE 1J12105 Cantileer sling 1 off to the sling adapter.
NOTE
Do this operation with the two hoist operators and the two persons to help.Remove the LP compressor (fan) module from the shipping container, Figure.
Put the flange, the spring washer and the plain washer in to the container parts pocket(s) in the shipping container, Figure.
Remove the protection cover (part of the shipping container) from the curvic teeth of the module, Figure.
SUBTASK 72-31-00-540-052-002 Remove the LP Compressor (Fan) Module from the Shipping Container (Method 2)
Install IAE 1J12181 Protection cover 1 off on to the curvic teeth of the fan disk, Figure.
Put the IAE 1J12110 Transportation and storage stand 1 off adjacent the module.
Prepare the storage stand, Figure.
SUBTASK 72-31-00-540-053-001 Install the LP Compressor (Fan) Module on to the Storage Stand (Vertical Type) (Method 1)
Put IAE 1J12019 Storage stand 1 off adjacent the module.
Prepare the storage stand.

CAUTION
DO NOT HIT THE STAGE 1 FAN DISK WITH TOOLS WHEN YOU INSTALL AND TIGHTEN THE SCREWS. THE TOOLS CAN CAUSE DAMAGE TO THE DISK.Install the stage 1 fan disk to the support of the storage stand with three of the 24 screws and plain washers (part of the storage stand). The screws must be 120 degrees apart from each other.
Install the LP compressor (fan) module to the storage stand.
Tighten the screws lightly with IAE 1J12016 Special wrench 1 off.
Install IAE 1J12180 Hub protector 1 off in the stage 1 fan disk.
SUBTASK 72-31-00-540-053-002 Install the LP Compressor (Fan) Module on to the Storage Stand (Horizontal Type) (Method 2)
Refer to Figure.
SUBTASK 72-31-00-540-055 Do the Preservation Procedure for the Shipping Container
Figure: Open/close the shipping container
Open/close the shipping container

Figure: Remove the LP compressor (fan) module from the shipping container
Remove the LP compressor (fan) module from the shipping container

Figure: Replace the curvic protection tools
Replace the curvic protection tools

Figure: Install the slinging tools on to the LP compressor (fan) module
Install the slinging tools on to the LP compressor (fan) module

Figure: Install the slining tools on to the LP compressor (fan) module
Install the slining tools on to the LP compressor (fan) module

Figure: Remove the LP compressor (fan) module from the shipping container
Remove the LP compressor (fan) module from the shipping container

Figure: Remove the curvic protection cover
Remove the curvic protection cover

Figure: Install the LP compressor (fan) module on to the storage stand (vertical type)
Install the LP compressor (fan) module on to the storage stand (vertical type)

Figure: Install the LP compressor (fan) module to the storage stand (horizontal type)
Install the LP compressor (fan) module to the storage stand (horizontal type)

