DMC:V2500-A0-72-32-5104-00A-920A-CIssue No:001.00Issue Date:2014-05-01
Export Control
EAR Export Classification: Not subject to the EAR per 15 C.F.R. Chapter 1, Part 734.3(b)(3), except for the following Service Bulletins which are currently published as EAR Export Classification 9E991: SBE70-0992, SBE72-0483, SBE72-0580, SBE72-0588, SBE72-0640, SBE73-0209, SBE80-0024 and SBE80-0025.Copyright
© IAE International Aero Engines AG (2001, 2014 - 2021) The information contained in this document is the property of © IAE International Aero Engines AG and may not be copied or used for any purpose other than that for which it is supplied without the express written authority of © IAE International Aero Engines AG. (This does not preclude use by engine and aircraft operators for normal instructional, maintenance or overhaul purposes.).Applicability
All
Common Information
TASK 72-32-51-300-010 LP Stub Shaft - Replace The Guide And Locating Pins Of The Stub Shaft Assembly, Repair-010 (VRS1294)
General
Price and availability - not applicable
The practices and processes referred to in the procedure by the TASK numbers are in the SPM.
NOTE
To identify the consumable materials refer to the PCI.
Preliminary Requirements
Pre-Conditions
NONESupport Equipment
| Name | Manufacturer | Part Number / Identification | Quantity | Remark |
|---|---|---|---|---|
| Fluorescent Penetrant Inspection Equipment | LOCAL | Fluorescent penetrant inspection equipment |
Consumables, Materials and Expendables
| Name | Manufacturer | Part Number / Identification | Quantity | Remark |
|---|---|---|---|---|
| CoMat 02-099 LINT-FREE CLOTH | LOCAL | CoMat 02-099 | ||
| CoMat 03-026 LIQUID NITROGEN | LOCAL | CoMat 03-026 | ||
| CoMat 05-020 WATERPROOF SILICON CARBIDE | LOCAL | CoMat 05-020 | ||
| CoMat 05-021 WATERPROOF SILICON CARBIDE | 44197 | CoMat 05-021 |
Spares
| Name | Manufacturer | Part Number / Identification | Quantity | Remark |
|---|---|---|---|---|
| Guide pin | 5A0097 | 3 | ||
| Locating pin | AS44806 | 1 |
Safety Requirements
NONEProcedure
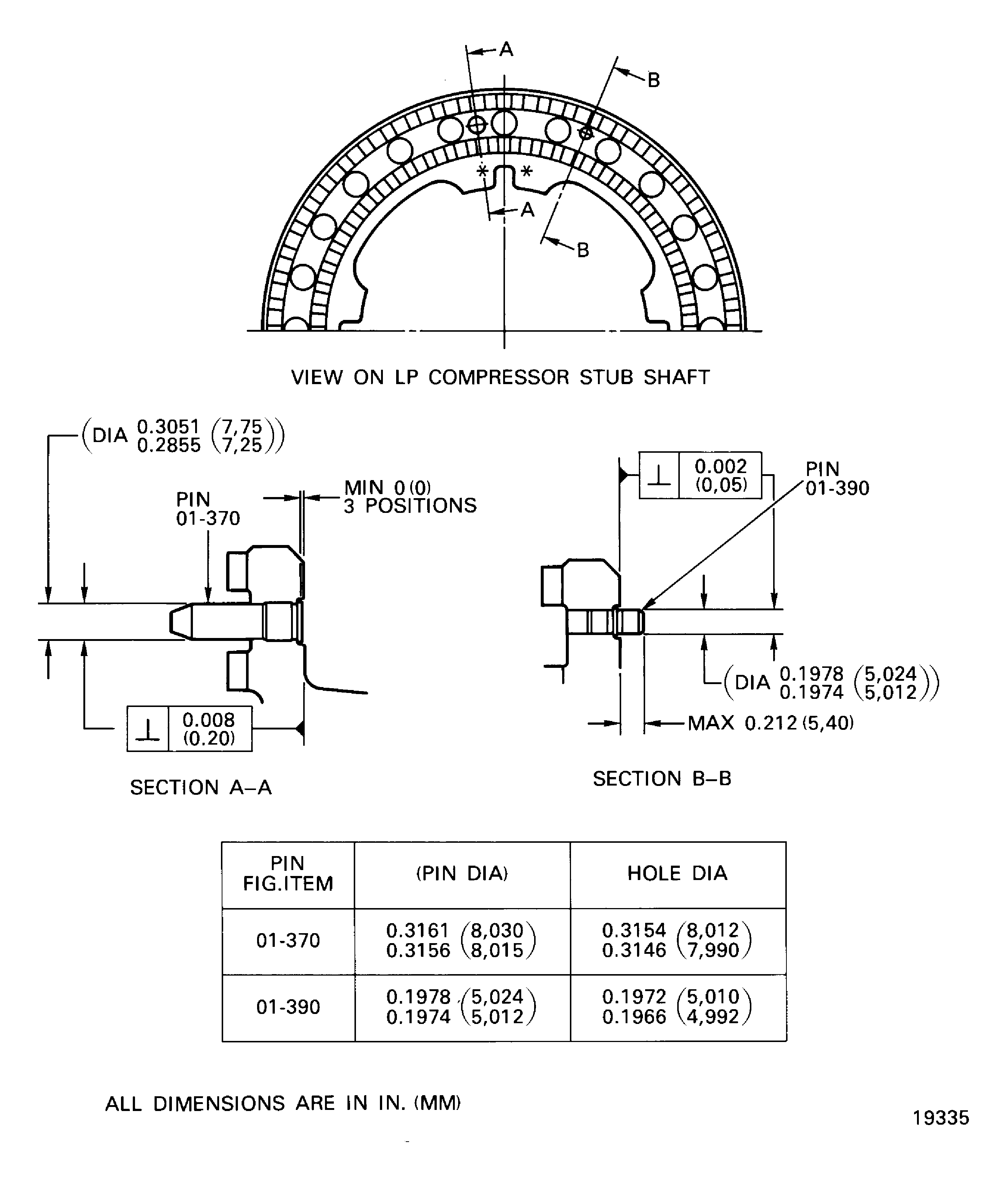
Refer to Figure.
Refer to the SPM TASK 70-35-03-300-501.
Remove the burrs.
Examine for damage in bores.
SUBTASK 72-32-51-350-064 Remove the Defective Guide and/or Locating Pins from the Stub Shaft Assembly
Refer to the SPM TASK 70-23-05-230-501.
Fluorescent penetrant examine the pin holes.
SUBTASK 72-32-51-230-054 Examine the Stub Shaft Assembly for Cracks
Refer to Figure.
Use clean dry air blast or CoMat 02-099 LINT-FREE CLOTH.
Clean the new guide and/or locating pins and the pin holes.
SUBTASK 72-32-51-380-053 Install the New Guide and/or Locating Pins
Refer to Figure.
SUBTASK 72-32-51-220-095 Examine the Pin Seating
Figure: Replace the guide and locating pins
Replace the guide and locating pins

