DMC:V2500-A0-72-32-5301-03A-920A-CIssue No:002.00Issue Date:2020-08-01
Export Control
EAR Export Classification: Not subject to the EAR per 15 C.F.R. Chapter 1, Part 734.3(b)(3), except for the following Service Bulletins which are currently published as EAR Export Classification 9E991: SBE70-0992, SBE72-0483, SBE72-0580, SBE72-0588, SBE72-0640, SBE73-0209, SBE80-0024 and SBE80-0025.Copyright
© IAE International Aero Engines AG (2001, 2014 - 2021) The information contained in this document is the property of © IAE International Aero Engines AG and may not be copied or used for any purpose other than that for which it is supplied without the express written authority of © IAE International Aero Engines AG. (This does not preclude use by engine and aircraft operators for normal instructional, maintenance or overhaul purposes.).Applicability
All
Common Information
TASK 72-32-53-300-018 No. 1 Bearing Seal Ring Holder - Replace The Anti-Rotation Pin, Repair-018 (VRS3505)
Material of component
RR | ||
|---|---|---|
DESCRIPTION | SYMBOL | MATERIAL |
No.1 bearing seal ring holder | Housing aluminum alloy | |
Pin | Stainless steel |
General
Price and availability - refer to IAE
Preliminary Requirements
Pre-Conditions
NONESupport Equipment
| Name | Manufacturer | Part Number / Identification | Quantity | Remark |
|---|---|---|---|---|
| Torque wrench, range 0 to 250 lbfin (0 to 20 Nm) | LOCAL | Torque Wrench 0-250 |
Consumables, Materials and Expendables
NONESpares
| Name | Manufacturer | Part Number / Identification | Quantity | Remark |
|---|---|---|---|---|
| No.1 bearing seal ring pin | LOCAL | 2A1639 | AR |
Safety Requirements
NONEProcedure
Refer to Figure.
SUBTASK 72-32-53-350-064 Remove the Damaged or Loose Pins from the No. 1 Bearing Seal Ring Holder Assembly
Refer to Figure.
SUBTASK 72-32-53-350-065-001 Replace all Pins Removed from the No. 1 Bearing Seal Ring Holder Assembly
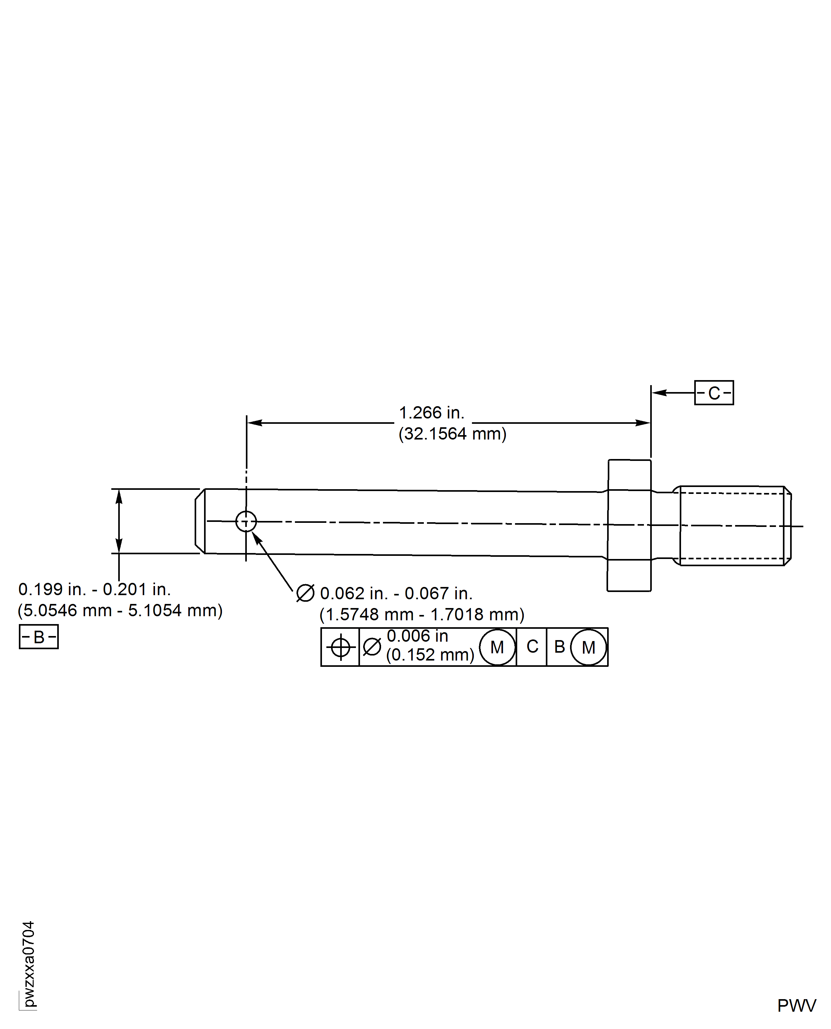
As necessary, use shop equipment to increase cotter pin hole diameter per Figure.
Install all pins removed for looseness or damage, (up to four locations).
Torque the pins to 85 to 95 lbfin (9.604 to 10.734 Nm).
SUBTASK 72-32-53-350-065-002 Replace all Pins Removed from the No. 1 Bearing Seal Ring Holder Assembly
Figure: No. 1 bearing seal ring holder assembly anti-rotation pin replacement
No. 1 bearing seal ring holder assembly anti-rotation pin replacement

Figure: No. 1 Bearing Ring Seal Holder Assembly Anti-Rotation Pin
No. 1 Bearing Ring Seal Holder Assembly Anti-Rotation Pin

