Export Control
EAR Export Classification: Not subject to the EAR per 15 C.F.R. Chapter 1, Part 734.3(b)(3), except for the following Service Bulletins which are currently published as EAR Export Classification 9E991: SBE70-0992, SBE72-0483, SBE72-0580, SBE72-0588, SBE72-0640, SBE73-0209, SBE80-0024 and SBE80-0025.Copyright
© IAE International Aero Engines AG (2001, 2014 - 2021) The information contained in this document is the property of © IAE International Aero Engines AG and may not be copied or used for any purpose other than that for which it is supplied without the express written authority of © IAE International Aero Engines AG. (This does not preclude use by engine and aircraft operators for normal instructional, maintenance or overhaul purposes.).Applicability
All
Common Information
TASK 72-32-85-300-046 Fan Case - Replace The Damaged Bushing On The Flange, Repair-046 (VRS1712)
Effectivity
FIG/ITEM | PART NO. |
|---|---|
01-100 | 5W0069 |
01-100 | 5W0072 |
01-100 | 5W0081 |
01-100 | 5W0093 |
01-100 | 5W0094 |
01-100 | 5W0100 |
01-100 | 5W0124 |
01-100 | 5W0144 |
01-100 | 5W0149 |
01-100 | 5W0154 |
01-100 | 5W0168 |
01-100 | 5W0169 |
01-100 | 5W0171 |
01-100 | 5W0172 |
01-100 | 5W0184 |
01-100 | 5W0186 |
01-100 | 5W0187 |
01-100 | 5W0188 |
01-100 | 5W0189 |
01-100 | 5W0190 |
01-100 | 5W0191 |
01-100 | 5W0192 |
01-100 | 5W0193 |
01-100 | 5W0194 |
01-100 | 5W0195 |
01-100 | 5W0196 |
01-100 | 5W0197 |
01-100 | 5W0198 |
01-100 | 5W0199 |
01-100 | 5W0200 |
01-100 | 5W0201 |
01-100 | 5W0202 |
01-100 | 5W0203 |
01-100 | 5W0204 |
01-100 | 5W0205 |
01-100 | 5W0206 |
01-100 | 5W0207 |
01-100 | 5W0208 |
01-100 | 5W0209 |
01-100 | 5W0210 |
01-100 | 5W0211 |
01-100 | 5W0212 |
01-100 | 5W0213 |
01-100 | 5W0214 |
01-100 | 5W0215 |
01-100 | 5W0216 |
01-100 | 5W0217 |
01-100 | 5W0218 |
01-100 | 5W0219 |
01-100 | 5W0220 |
01-100 | 5W0221 |
01-100 | 5W0222 |
01-100 | 5W0223 |
01-100 | 5W0224 |
01-100 | 5W0225 |
01-100 | 5W0226 |
01-100 | 5W0306 |
01-100 | 5W0307 |
01-100 | 5W0313 |
Material of component
PART IDENT | SYMBOL | MATERIAL |
|---|---|---|
Fan case | Titanium alloy | |
Bushing | Corrosion and heat resistant steel |
General
The practices and processes referred to in the procedure by the TASK numbers are in the SPM.
Price and availability - none
NOTE
NOTE
Preliminary Requirements
Pre-Conditions
NONESupport Equipment
| Name | Manufacturer | Part Number / Identification | Quantity | Remark |
|---|---|---|---|---|
| Horizontal boring mill | LOCAL | Horizontal boring mill | ||
| Fluorescent Penetrant Inspection Equipment | LOCAL | Fluorescent penetrant inspection equipment | ||
| Inside micrometer | LOCAL | Inside micrometer | ||
| Hand tools | LOCAL | Tools, hand | ||
| IAE 3J12795 Flaring fixture | 0AM53 | IAE 3J12795 | 1 | |
| IAE 3J12796 Flaring fixture | 0AM53 | IAE 3J12796 | 1 |
Consumables, Materials and Expendables
| Name | Manufacturer | Part Number / Identification | Quantity | Remark |
|---|---|---|---|---|
| CoMat 02-099 LINT-FREE CLOTH | LOCAL | CoMat 02-099 |
Safety Requirements
NONEProcedure
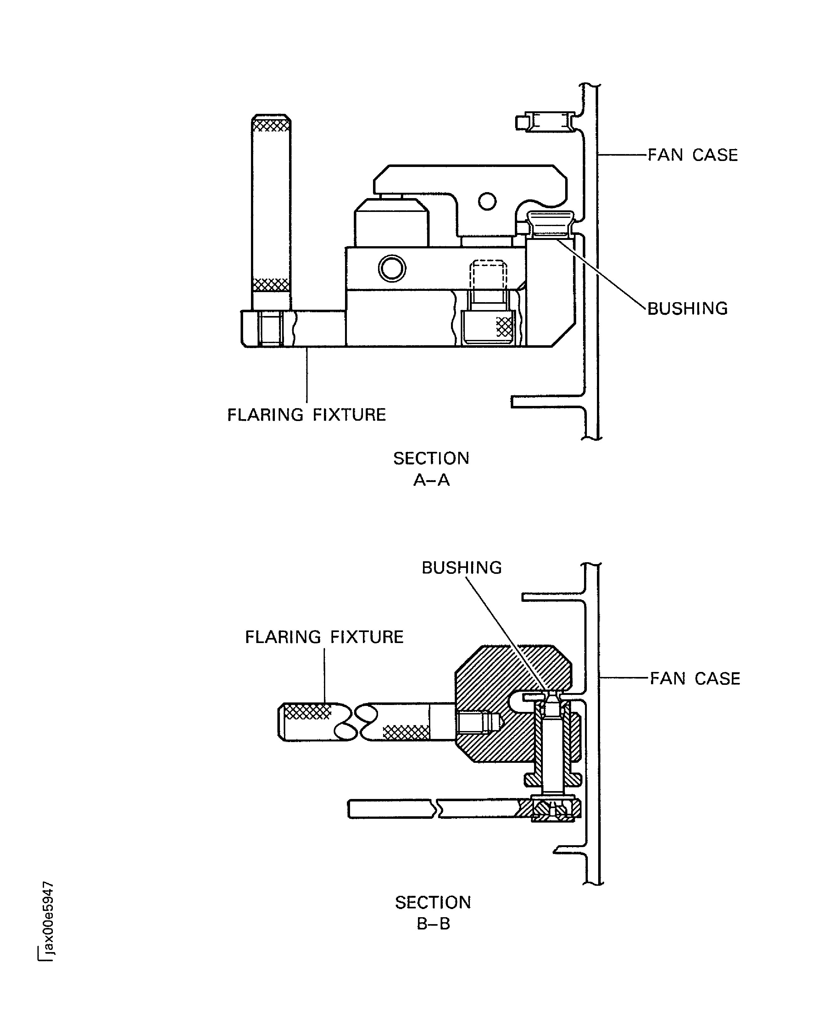
Refer to Figure.
SUBTASK 72-32-85-220-164 Examine the Bushing Holes of the Fan Case Assembly
Do the penetrant procedure given in the SPM TASK 70-23-05-230-501.
No cracks permitted.
Use fluorescent penetrant inspection equipment.
Examine the bushing hole for cracks.
SUBTASK 72-32-85-230-059 Examine the Bushing Holes of the Fan Case Assembly for Cracks
Use clean dry air blast or CoMat 02-099 LINT-FREE CLOTH.
Clean the new bushing and hole of the fan case.
SUBTASK 72-32-85-350-121 Install the New Bushing
Refer to Figure.
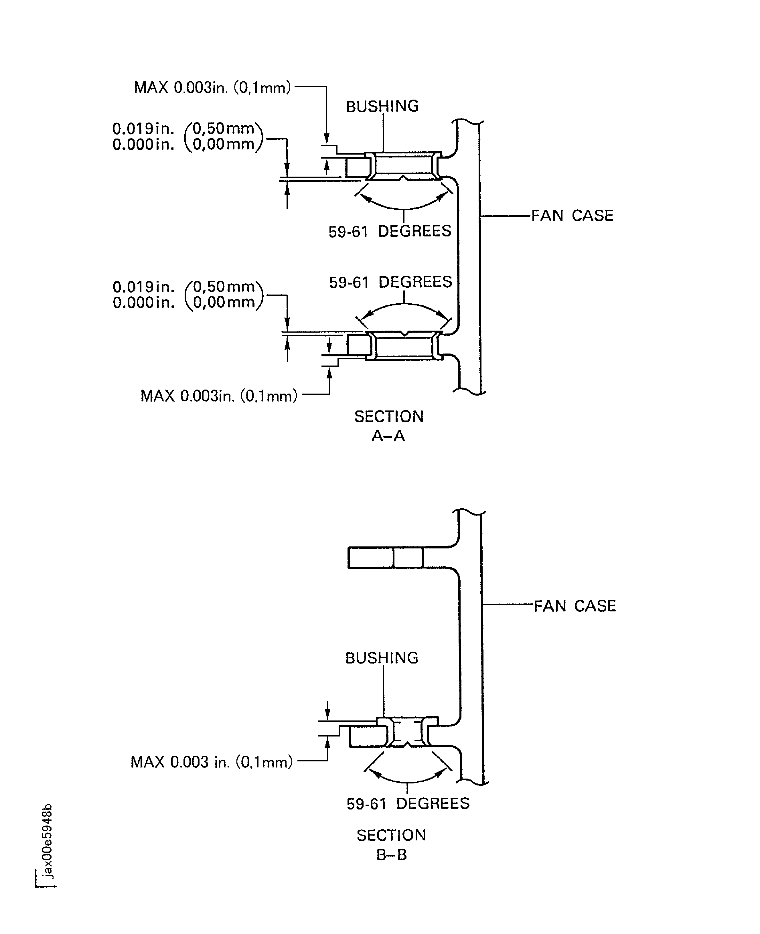
SUBTASK 72-32-85-220-165 Examine the Installed Bushing of the Fan Case Assembly
Figure: Repair Details and Dimensions
Repair Details and Dimensions

Figure: Repair Details and Dimensions for Machining the Flange Surface of the Bushing
Repair Details and Dimensions for Machining the Flange Surface of the Bushing

Figure: Repair Details and Dimensions for Measuring the Bushing Bore
Repair Details and Dimensions for Measuring the Bushing Bore

Figure: Repair Details and Dimensions for Swaging the Hollow End of Bushing
Repair Details and Dimensions for Swaging the Hollow End of Bushing

Figure: Repair Details and Dimensions
Repair Details and Dimensions

