Export Control
EAR Export Classification: Not subject to the EAR per 15 C.F.R. Chapter 1, Part 734.3(b)(3), except for the following Service Bulletins which are currently published as EAR Export Classification 9E991: SBE70-0992, SBE72-0483, SBE72-0580, SBE72-0588, SBE72-0640, SBE73-0209, SBE80-0024 and SBE80-0025.Copyright
© IAE International Aero Engines AG (2001, 2014 - 2021) The information contained in this document is the property of © IAE International Aero Engines AG and may not be copied or used for any purpose other than that for which it is supplied without the express written authority of © IAE International Aero Engines AG. (This does not preclude use by engine and aircraft operators for normal instructional, maintenance or overhaul purposes.).Applicability
All
Common Information
TASK 72-60-21-300-021 Main Gearbox Casing - Repair The PMA Oil Tube Bore By Bushing, Repair-021 (VRS5294)
Effectivity
FIG/ITEM | PART No. |
|---|---|
02-050 | 4B0053 |
02-050 | 4B0054 |
02-050 | 4B0055 |
02-050 | 4B0057 |
02-050 | 4B0400 |
02-050 | 4B0402 |
02-050 | 4B0423 |
Material of component
PART IDENT | SYMBOL | MATERIAL |
|---|---|---|
Casing | - | Aluminum alloy |
Bushing | - | Wrought aluminum base alloy |
General
Price and availability - none
The practices and processes referred to in the procedure by the TASK number are in the SPM.
NOTE
Preliminary Requirements
Pre-Conditions
NONESupport Equipment
| Name | Manufacturer | Part Number / Identification | Quantity | Remark |
|---|---|---|---|---|
| Arbor Press | LOCAL | Arbor press | ||
| Freezer | LOCAL | Freezer | ||
| Magnifying Glass | LOCAL | Magnifying Glass | ||
| Oven | LOCAL | Oven | ||
| Workshop inspection equipment | LOCAL | Workshop inspection equipment |
Consumables, Materials and Expendables
NONESpares
NONESafety Requirements
NONEProcedure
Refer to SPM TASK 70-38-02-300-503.
Apply the chromate conversion coating to the machined surfaces.
SUBTASK 72-60-21-330-119 Apply the Chromate Conversion Coating
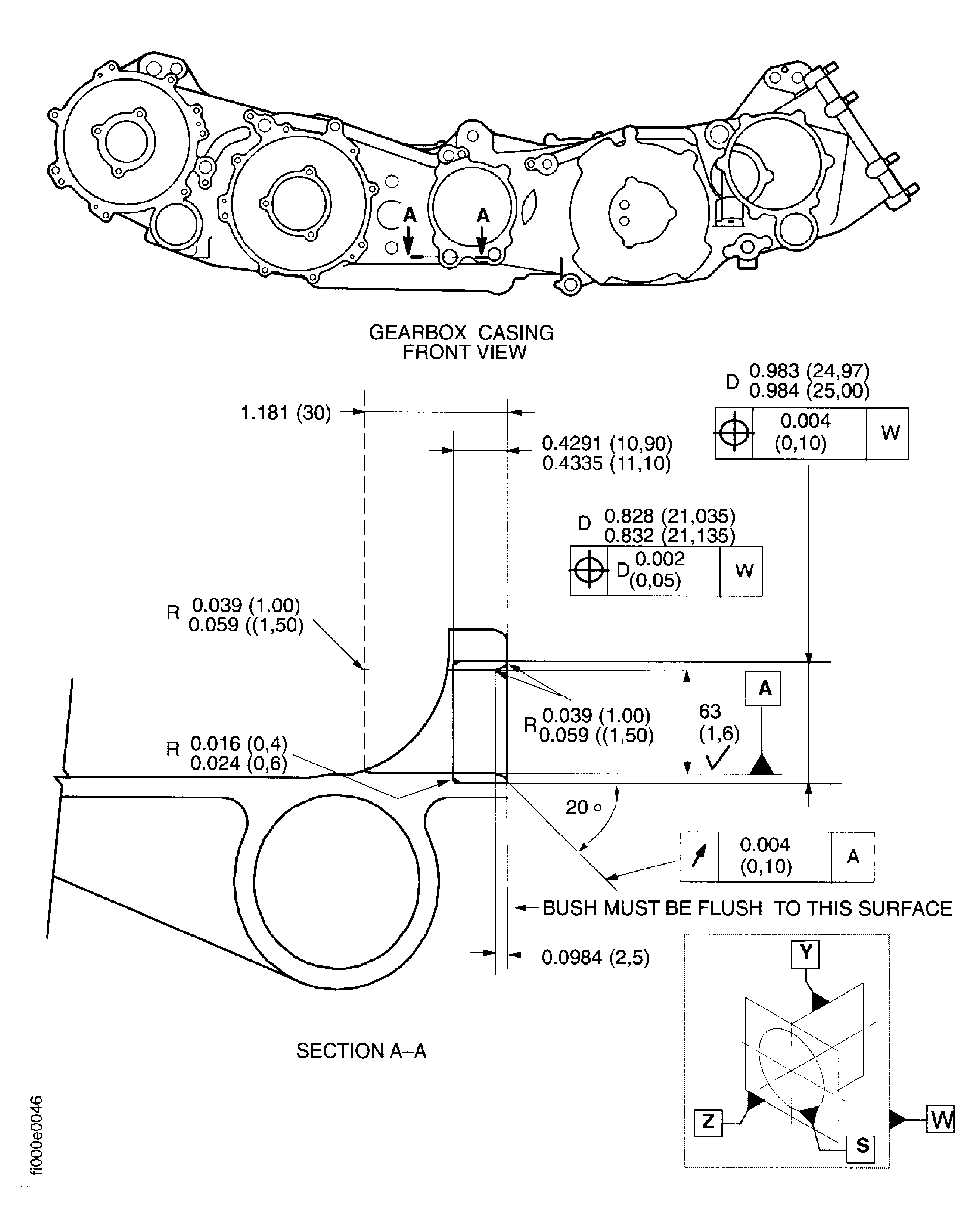
Refer to Figure for details and dimensions.

CAUTION
MAKE SURE THAT THE LEAD IN CHAMFER OF THE BUSHING POINTS AWAY FROM THE DRIFT.Make a repair bushing.
Do not increase the temperature of the casing above 284 deg F (140 deg C).
Do not decrease the temperature of the bushing below -58 deg F (-50 deg C).
NOTE
The difference in temperature between the parts must be 216 deg F (120 deg C).

WARNING
DO NOT TOUCH THE HOT PARTS WITHOUT PROTECTIVE GLOVES.
WARNING
HOT PARTS CAN CAUSE REDDENING AND BLISTERING OF THE SKIN IF THE HANDS ARE NOT PROTECTED.
WARNING
IMMERSE THE CONTACTED AREA IN COLD WATER FOR 10 MINUTES IF THE SKIN IS BURNED. IMMEDIATELY GET THE MEDICAL ATTENTION IF PAIN OR BLISTERING PERSISTS.Increase the temperature of the gearbox casing and/or decrease the temperature of the bushing.
SUBTASK 72-60-21-350-154 Install the Bushing
Refer to SPM TASK 70-38-02-300-503.
Apply the chromate conversion coating to the machined surfaces of the bushing.
SUBTASK 72-60-21-330-120 Apply the Chromate Conversion Coating
Figure: Repair Details And Dimensions
Repair Details And Dimensions

Figure: Repair Details And Dimensions
Repair Details And Dimensions

