DMC:V2500-A0-72-60-2404-00A-647A-CIssue No:003.00Issue Date:2021-05-01
Export Control
EAR Export Classification: Not subject to the EAR per 15 C.F.R. Chapter 1, Part 734.3(b)(3), except for the following Service Bulletins which are currently published as EAR Export Classification 9E991: SBE70-0992, SBE72-0483, SBE72-0580, SBE72-0588, SBE72-0640, SBE73-0209, SBE80-0024 and SBE80-0025.Copyright
© IAE International Aero Engines AG (2001, 2014 - 2021) The information contained in this document is the property of © IAE International Aero Engines AG and may not be copied or used for any purpose other than that for which it is supplied without the express written authority of © IAE International Aero Engines AG. (This does not preclude use by engine and aircraft operators for normal instructional, maintenance or overhaul purposes.).Applicability
All
Common Information
TASK 72-60-24-300-007 PMA Drive Housing - Nickel Plate The Mounting Face, Repair-007 (VRS5076)
General
The practices and processes referred to on the procedure by the TASK numbers are in the SPM.
NOTE
To identify the consumable materials refer to the PCI.
NOTE
Other consumable materials are given in SPM.
Preliminary Requirements
Pre-Conditions
NONESupport Equipment
| Name | Manufacturer | Part Number / Identification | Quantity | Remark |
|---|---|---|---|---|
| FPI Inspection station | LOCAL | FPI Inspection station | ||
| Grinding Machine | LOCAL | Grinding machine | ||
| Magnifying Glass, 5x | LOCAL | Magnifying Glass, 5x | ||
| Oven | LOCAL | Oven | ||
| Process Plating Tanks | LOCAL | Process plating tanks | ||
| Vibrating Marking Pencil | LOCAL | Vibrating Marking Pencil |
Consumables, Materials and Expendables
| Name | Manufacturer | Part Number / Identification | Quantity | Remark |
|---|---|---|---|---|
| CoMat 02-067 STRIPPABLE COATING | 71410 | CoMat 02-067 |
Spares
NONESafety Requirements
NONEProcedure
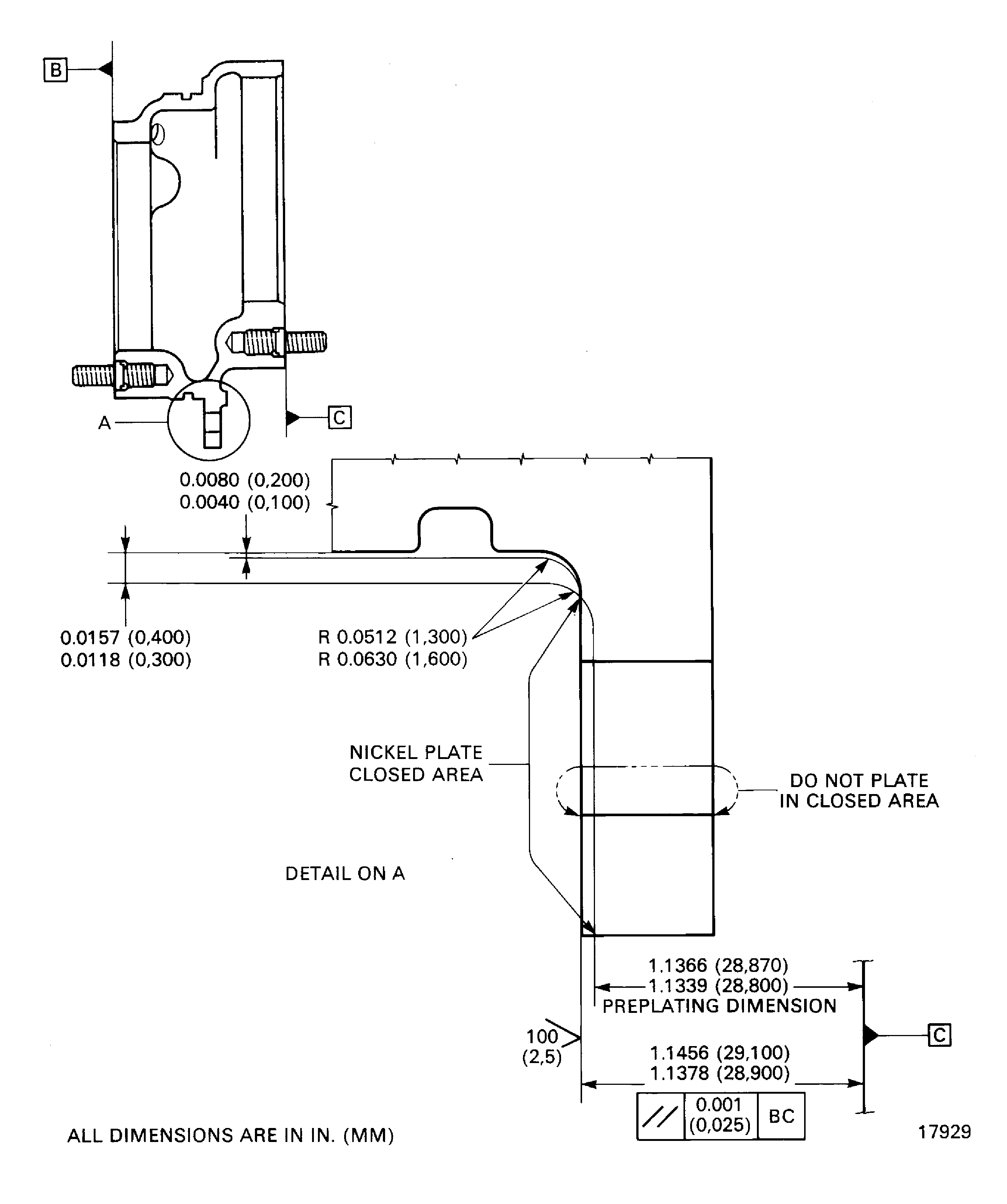
Refer to Figure.
SUBTASK 72-60-24-320-052 Machine the Mounting Face of the PMA Support
Refer to SPM TASK 70-23-01-230-501.
Cracks are not permitted.
Use FPI inspection station.
Do the fluorescent penetrant inspection for cracks.
SUBTASK 72-60-24-230-053 Examine the Support
Refer to Figure.
Refer to SPM TASK 70-33-08-300-503.
Plate to a sufficient thickness to permit the machining to the last dimensions. The plating out of the mounting face area is permitted but must be removed.
Use process plating tanks.
Do the nickel plating.
SUBTASK 72-60-24-330-052 Nickel Plate the Mounting Face of the PMA Support
Refer to Figure.
SUBTASK 72-60-24-320-053 Machine the Mounting face of the PMA Support
Refer to Figure.
SUBTASK 72-60-24-220-071 Examine the Nickel Plated Area
Figure: Nickel Plate The Mounting Face Of The PMA Support
Nickel Plate The Mounting Face Of The PMA Support

