Export Control
EAR Export Classification: Not subject to the EAR per 15 C.F.R. Chapter 1, Part 734.3(b)(3), except for the following Service Bulletins which are currently published as EAR Export Classification 9E991: SBE70-0992, SBE72-0483, SBE72-0580, SBE72-0588, SBE72-0640, SBE73-0209, SBE80-0024 and SBE80-0025.Copyright
© IAE International Aero Engines AG (2001, 2014 - 2021) The information contained in this document is the property of © IAE International Aero Engines AG and may not be copied or used for any purpose other than that for which it is supplied without the express written authority of © IAE International Aero Engines AG. (This does not preclude use by engine and aircraft operators for normal instructional, maintenance or overhaul purposes.).Applicability
All
Common Information
TASK 72-60-25-300-008 Fuel Pump Drive Gear Housing - Repair The Seal Housing Seat By Bushing, Repair-008 (VRS5053)
Material of component
RR | ||
|---|---|---|
DESCRIPTION | SYMBOL | MATERIAL |
Housing | - | Aluminum alloy |
Bushing | - | Wrought aluminum base alloy |
General
NOTE
To identify the consumable materials refer to the PCI.
Other consumable materials are given in the SPM.
Preliminary Requirements
Pre-Conditions
NONESupport Equipment
| Name | Manufacturer | Part Number / Identification | Quantity | Remark |
|---|---|---|---|---|
| Arbor Press | LOCAL | Arbor press | ||
| FPI Inspection station | LOCAL | FPI Inspection station | ||
| Freezer | LOCAL | Freezer | ||
| IAE 3F10336 Drift, bushing (dia 67) | 0AM53 | IAE 3F10336 | ||
| Magnifying Glass, 5x | LOCAL | Magnifying Glass, 5x | ||
| Oven | LOCAL | Oven | ||
| Vibrating Marking Pencil | LOCAL | Vibrating Marking Pencil |
Consumables, Materials and Expendables
| Name | Manufacturer | Part Number / Identification | Quantity | Remark |
|---|---|---|---|---|
| CoMat 01-001 SOLVENT, DELETED | X111X | CoMat 01-001 |
Spares
| Name | Manufacturer | Part Number / Identification | Quantity | Remark |
|---|---|---|---|---|
| Bushing | 4L0006 |
Safety Requirements
NONEProcedure
Use a Magnifying Glass, 5x 1 off.
Inspect the housing for cracks in the area of the seat.
SUBTASK 72-60-25-220-072 Examine the Fuel Pump Drive Housing
Refer to the SPM TASK 70-38-02-300-503.
Apply the chromate conversion coating to the machined surfaces.
SUBTASK 72-60-25-330-062 Apply the Chromate Conversion Coating

WARNING
DO NOT TOUCH THE HOT PARTS WITHOUT PROTECTIVE GLOVES.HOT PARTS CAN CAUSE REDDENING AND BLISTERING OF THE SKIN, IF THE HANDS ARE NOT PROTECTED.IMMERSE THE CONTACTED AREA IN COLD WATER, FOR 10 MINUTES, IF THE SKIN IS BURNED. IMMEDIATELY GET MEDICAL ATTENTION IF PAIN OR BLISTERING PERSISTS.
CAUTION
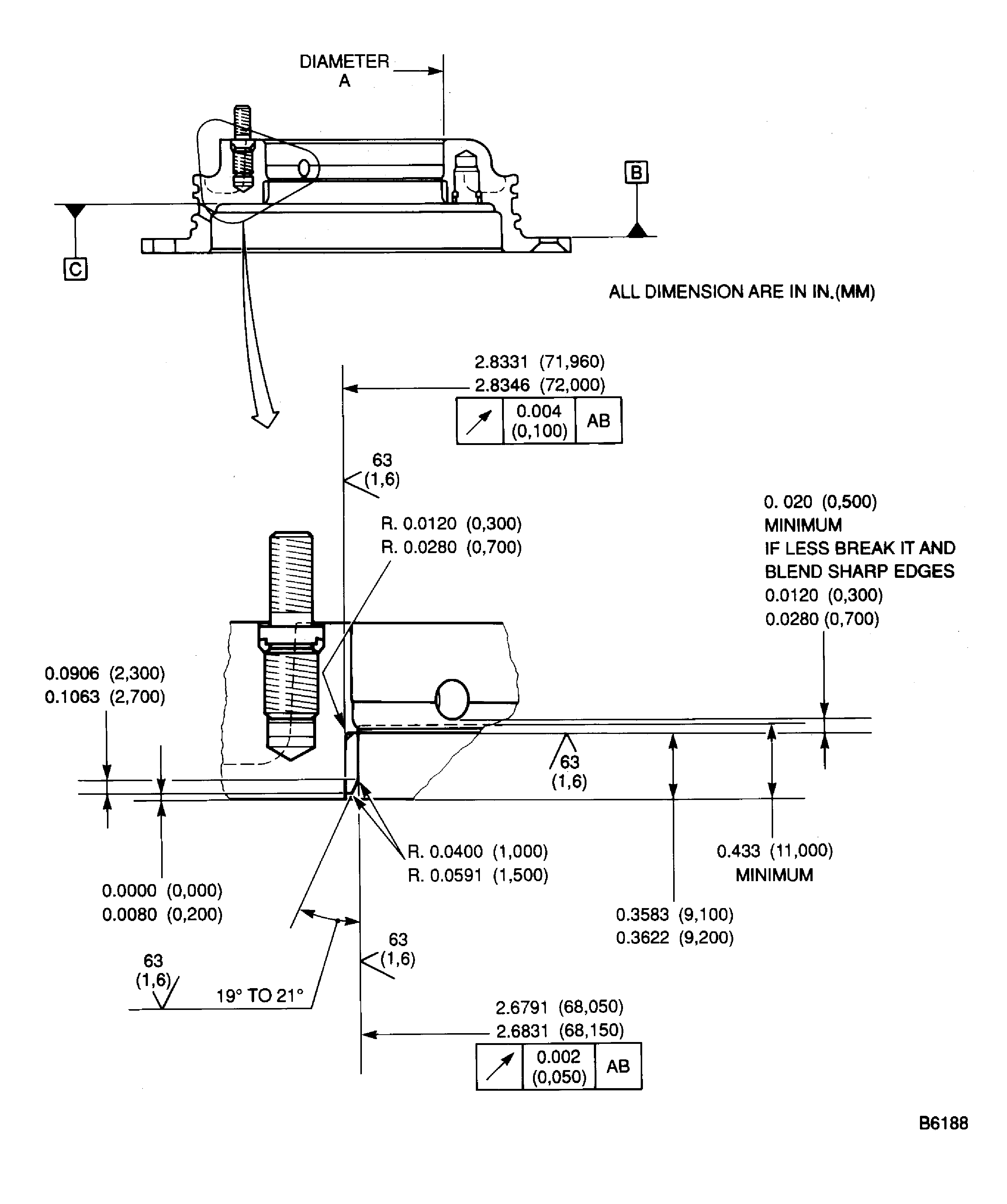
INSTALL BUSHING IN MACHINED BORE IMMEDIATELY AFTER REMOVAL FROM FREEZER; OTHERWISE BUSHING CANNOT BE CORRECTLY INSTALLED.Refer to Figure.

CAUTION
MAKE SURE THAT THE LEAD IN CHAMFER OF THE BUSHING POINTS AWAY FROM THE DRIFT.Install the bushing on the IAE 3F10336 Drift, bushing (dia 67) 1 off.
Do not increase the temperature of the housing above 284 deg F (140 deg C).
Do not decrease the temperature of the assembled drift and bushing below -58 deg F (-50 deg C).
Use IAE 3F10336 Drift, bushing (dia 67) 1 off and an arbor press.
Give sufficient back-up support, at bushing bore area, to prevent housing distortion when you install the bushing.
SUBTASK 72-60-25-350-071 Install the Bushing
Refer to Figure.
SUBTASK 72-60-25-320-070 Machine the Inner Diameter of the Bushing
Refer to the SPM TASK 70-38-02-300-503.
Apply the chromate conversion coating to the machined surfaces of the bushing.
SUBTASK 72-60-25-330-063 Apply the Chromate Conversion Coating
Figure: Repair The Seal Housing Seat
Repair The Seal Housing Seat

