DMC:V2500-A0-72-60-2805-01A-647A-CIssue No:002.00Issue Date:2018-11-01
Export Control
EAR Export Classification: Not subject to the EAR per 15 C.F.R. Chapter 1, Part 734.3(b)(3), except for the following Service Bulletins which are currently published as EAR Export Classification 9E991: SBE70-0992, SBE72-0483, SBE72-0580, SBE72-0588, SBE72-0640, SBE73-0209, SBE80-0024 and SBE80-0025.Copyright
© IAE International Aero Engines AG (2001, 2014 - 2021) The information contained in this document is the property of © IAE International Aero Engines AG and may not be copied or used for any purpose other than that for which it is supplied without the express written authority of © IAE International Aero Engines AG. (This does not preclude use by engine and aircraft operators for normal instructional, maintenance or overhaul purposes.).Applicability
All
Common Information
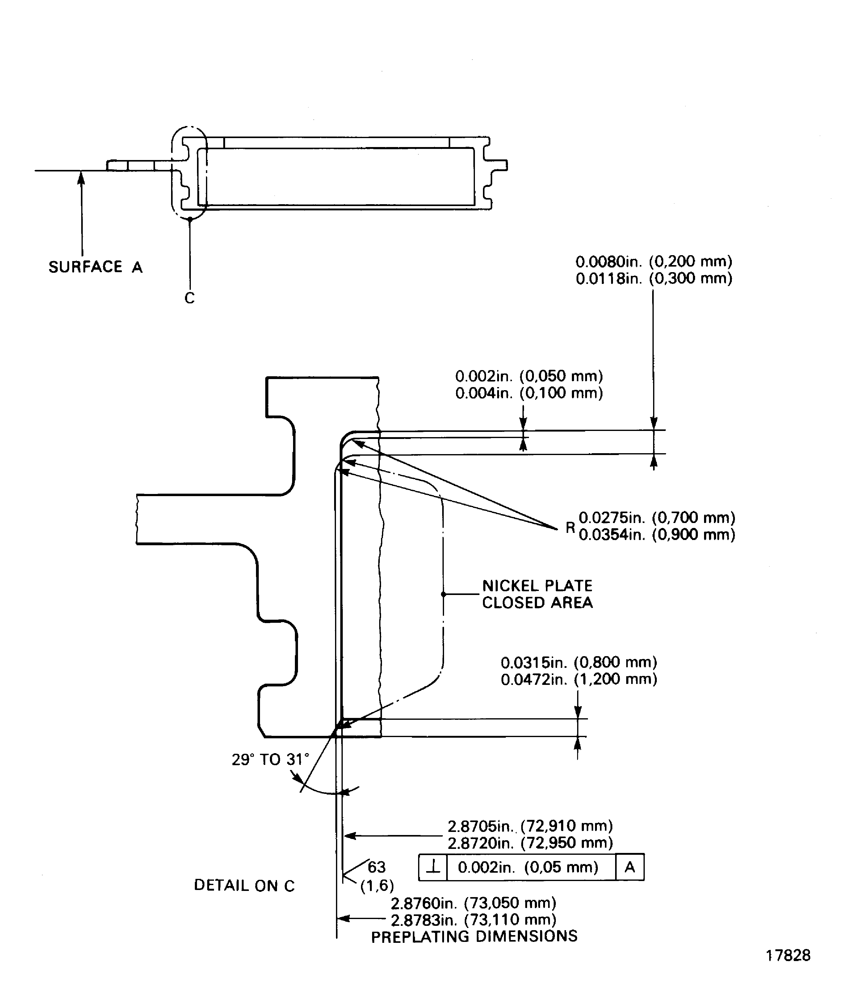
TASK 72-60-28-300-026 Generator Drive Gear Carbon Seal Housing - Nickel Plate The Inner Diameter, Repair-026 (VRS5238)
General
Price and availability - none
The practices and processes referred to in the procedure by the TASK numbers are in SPM.
NOTE
To identify the consumable materials refer to the PCI.
Consumable materials are given in the SPM.
Preliminary Requirements
Pre-Conditions
NONESupport Equipment
| Name | Manufacturer | Part Number / Identification | Quantity | Remark |
|---|---|---|---|---|
| Workshop inspection equipment | LOCAL | Workshop inspection equipment | ||
| Grinding machine | LOCAL | Grinding machine | ||
| FPI inspection station | LOCAL | FPI inspection station | ||
| Basket | LOCAL | Basket | ||
| Vapor degreaser | LOCAL | Vapor degreaser | ||
| Process Plating Tanks | LOCAL | Process plating tanks | ||
| Oven | LOCAL | Oven | ||
| Magnifying glass | LOCAL | Magnifying glass | ||
| Vibrating marking pencil | LOCAL | Vibrating marking pencil |
Consumables, Materials and Expendables
| Name | Manufacturer | Part Number / Identification | Quantity | Remark |
|---|---|---|---|---|
| CoMat 02-067 STRIPPABLE COATING | 71410 | CoMat 02-067 |
Spares
NONESafety Requirements
NONEProcedure
Refer to Figure.
SUBTASK 72-60-28-320-065 Machine the Inner Diameter
Refer to Figure.
Refer to SPM TASK 70-33-08-300-503.
Plate to a sufficient thickness to permit the machining to the last dimensions.
The plating out of the inner area is permitted but must be removed.
Do the nickel plating.
SUBTASK 72-60-28-330-061 Nickel Plate the Inner Diameter
Refer to Figure.
SUBTASK 72-60-28-320-066 Machine the Inner Diameter
Figure: Repair details and dimension
Repair details and dimension

