DMC:V2500-A0-72-60-4101-00A-664A-CIssue No:004.00Issue Date:2020-05-01
Export Control
EAR Export Classification: Not subject to the EAR per 15 C.F.R. Chapter 1, Part 734.3(b)(3), except for the following Service Bulletins which are currently published as EAR Export Classification 9E991: SBE70-0992, SBE72-0483, SBE72-0580, SBE72-0588, SBE72-0640, SBE73-0209, SBE80-0024 and SBE80-0025.Copyright
© IAE International Aero Engines AG (2001, 2014 - 2021) The information contained in this document is the property of © IAE International Aero Engines AG and may not be copied or used for any purpose other than that for which it is supplied without the express written authority of © IAE International Aero Engines AG. (This does not preclude use by engine and aircraft operators for normal instructional, maintenance or overhaul purposes.).Applicability
All
Common Information
TASK 72-60-41-300-014 Angle Gearbox Casing - Repair The Chip Detector Housing Bore By Threaded Insert, Repair-014 (VRS5430).
General
Price and availability - none
The practices and processes referred to in the procedure by the TASK numbers are in the SPM.
NOTE
To identify the consumable materials refer to PCI.
Preliminary Requirements
Pre-Conditions
NONESupport Equipment
| Name | Manufacturer | Part Number / Identification | Quantity | Remark |
|---|---|---|---|---|
| Workshop inspection equipment | LOCAL | Workshop inspection equipment | ||
| Grinding Machine | LOCAL | Grinding Machine | ||
| Magnifying Glass | LOCAL | Magnifying Glass | ||
| Vibrating Marking Pencil | LOCAL | Vibrating Marking Pencil |
Consumables, Materials and Expendables
| Name | Manufacturer | Part Number / Identification | Quantity | Remark |
|---|---|---|---|---|
| CoMat 01-043 SULFURIC ACID H2SO4 | LOCAL | CoMat 01-043 | ||
| CoMat 01-058 NITRIC ACID HNO3 | LOCAL | CoMat 01-058 | ||
| CoMat 07-028 CHROMATE CONVERSION COATING FOR ALUMINUM | LOCAL | CoMat 07-028 | ||
| CoMat 10-077 APPROVED ENGINE OILS | X333X | CoMat 10-077 |
Spares
| Name | Manufacturer | Part Number / Identification | Quantity | Remark |
|---|---|---|---|---|
| Threaded insert | 4P7299 | |||
| Packing | AS3208-11 | AR |
Safety Requirements
NONEProcedure
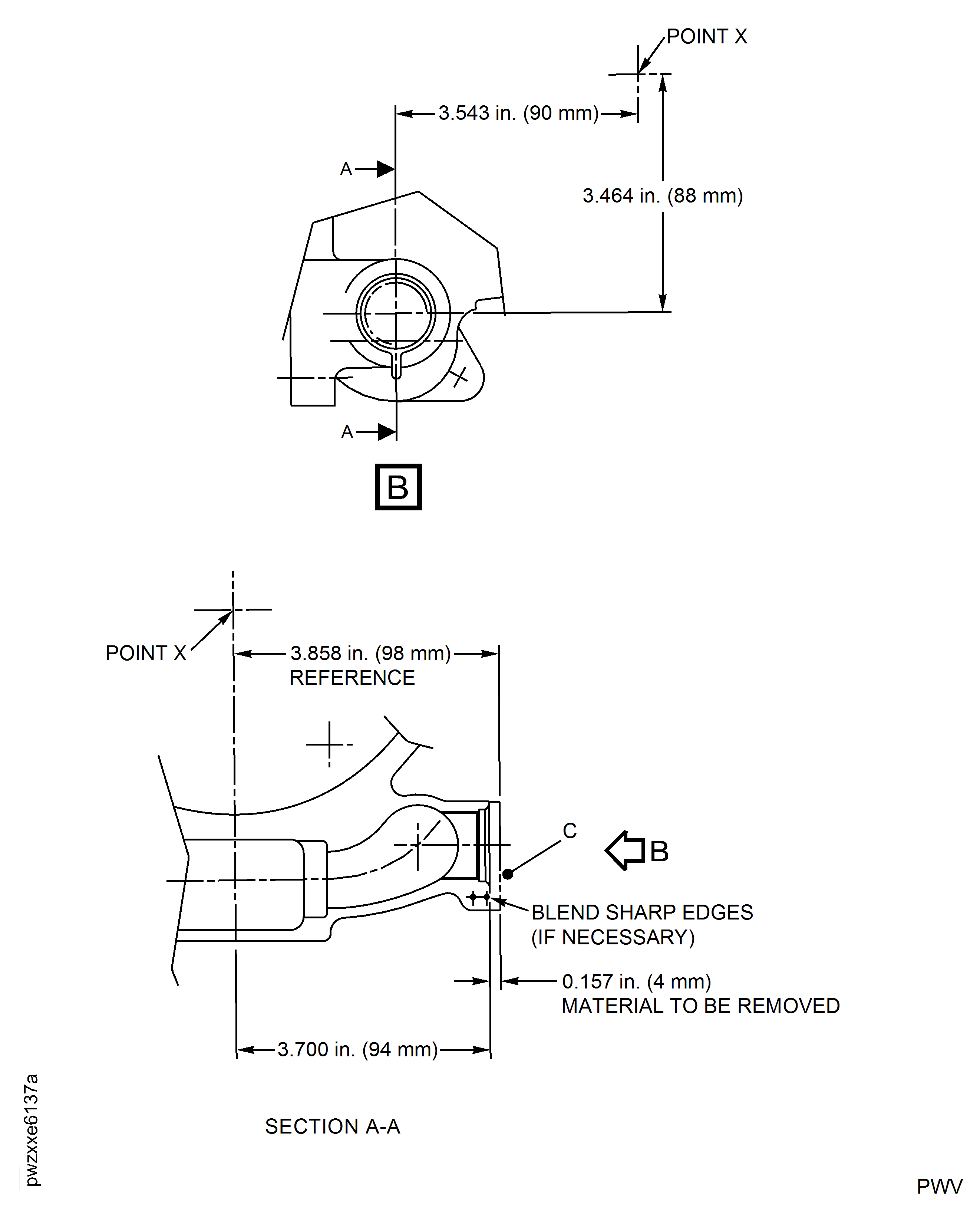
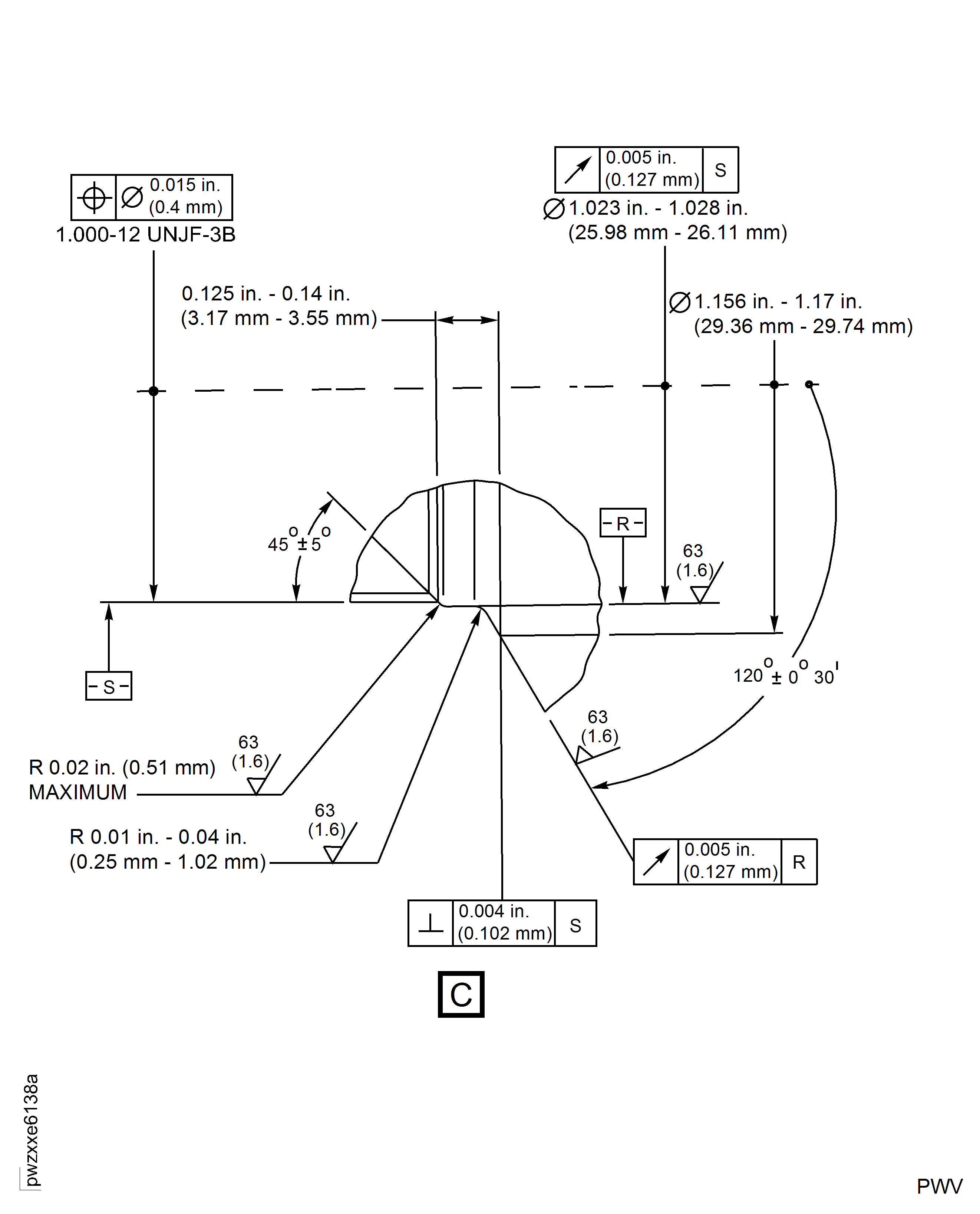
Refer to Figure.
SUBTASK 72-60-41-320-053 Machine the Chip Detector Housing Mating Surface
Refer to Figure.
SUBTASK 72-60-41-320-054 Machine the Chip Detector Housing Bore
Use a Magnifying Glass.
Inspect the casing for cracks in locality of bore.
SUBTASK 72-60-41-220-078 Examine the Angle Gearbox Casing
Refer to the SPM TASK 70-38-02-300-503.
Apply the chromate conversion coating to the machined surfaces and to the threads.
SUBTASK 72-60-41-330-057 Apply the Chromate Conversion Coating
Figure: Repair Details and Dimensions
Repair Details and Dimensions

Repair Details and Dimensions

