Export Control
EAR Export Classification: Not subject to the EAR per 15 C.F.R. Chapter 1, Part 734.3(b)(3), except for the following Service Bulletins which are currently published as EAR Export Classification 9E991: SBE70-0992, SBE72-0483, SBE72-0580, SBE72-0588, SBE72-0640, SBE73-0209, SBE80-0024 and SBE80-0025.Copyright
© IAE International Aero Engines AG (2001, 2014 - 2021) The information contained in this document is the property of © IAE International Aero Engines AG and may not be copied or used for any purpose other than that for which it is supplied without the express written authority of © IAE International Aero Engines AG. (This does not preclude use by engine and aircraft operators for normal instructional, maintenance or overhaul purposes.).Applicability
All
Common Information
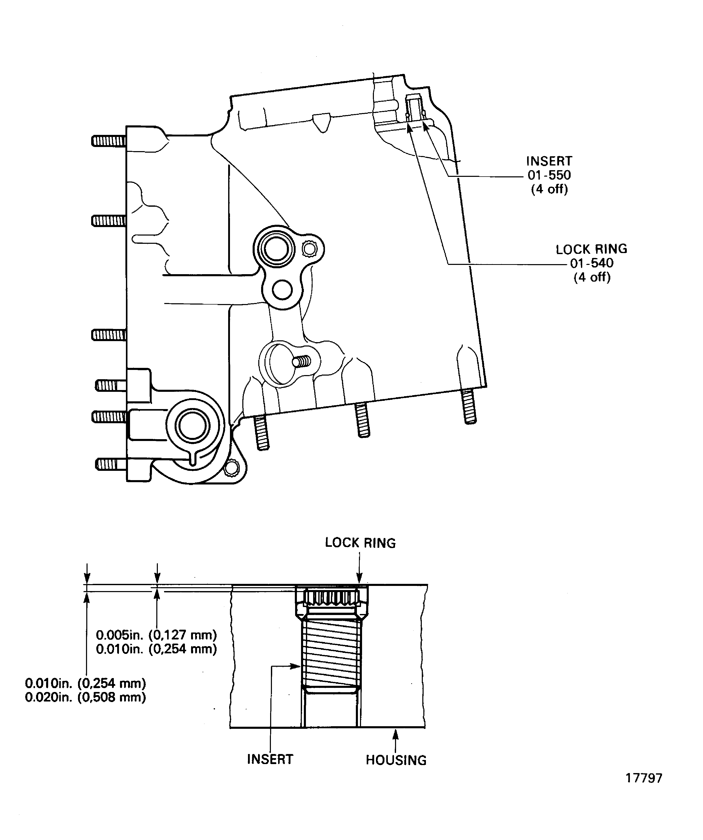
TASK 72-60-41-300-004 Angle Gearbox Casing - Replace The Damaged Screw Thread Inserts, Repair-004 (VRS5100)
General
Price and availability - none
The practices and processes referred to in the procedure by the TASK numbers are in the SPM.
NOTE
NOTE
Preliminary Requirements
Pre-Conditions
NONESupport Equipment
| Name | Manufacturer | Part Number / Identification | Quantity | Remark |
|---|---|---|---|---|
| Drill | LOCAL | Drill | 5/16in. (7.937 mm), removal | |
| Square screw extractor, removal | LOCAL | Square screw extractor, removal | ||
| R1106W Wrench, installation | LOCAL | R1106W Wrench, installation | ||
| R206D Drive tool, installation | LOCAL | R206D Drive tool, installation |
Consumables, Materials and Expendables
| Name | Manufacturer | Part Number / Identification | Quantity | Remark |
|---|---|---|---|---|
| CoMat 10-077A APPROVED ENGINE OIL | LOCAL | CoMat 10-077A |
Spares
| Name | Manufacturer | Part Number / Identification | Quantity | Remark |
|---|---|---|---|---|
| Lock ring | LOCAL | MS51990E106P | A/R | |
| Screw insert | LOCAL | MS51991E206L | A/R |
Safety Requirements
NONEProcedure
Drive the Square screw extractor, removal into the insert.
Continuous pressure of withdrawn insert could cause lock ring to be forced out from its location.
Break with a punch and remove the remaining portion of lock ring if it has been milled fully through and it does not lift out with the insert.
Apply the removal torque to the insert.
SUBTASK 72-60-41-350-056 Remove the Insert
Refer to Figure.
SUBTASK 72-60-41-350-057 Install the New Insert
Refer to Figure.
SUBTASK 72-60-41-350-058 Install the Lock Ring
Do the touch up process if the anodic treatment has been damaged by insert installation.
Refer to SPM TASK 70-38-02-300-503.
Check the surface.
SUBTASK 72-60-41-330-054 Restore the Damaged Anodic Treatment
Refer to SPM TASK 70-23-05-230-501.
Do a crack test on the repaired area.
SUBTASK 72-60-41-230-053 Crack Test the Repaired Area
Figure: Replace damaged inserts and lock rings
Replace damaged inserts and lock rings

