Export Control
EAR Export Classification: Not subject to the EAR per 15 C.F.R. Chapter 1, Part 734.3(b)(3), except for the following Service Bulletins which are currently published as EAR Export Classification 9E991: SBE70-0992, SBE72-0483, SBE72-0580, SBE72-0588, SBE72-0640, SBE73-0209, SBE80-0024 and SBE80-0025.Copyright
© IAE International Aero Engines AG (2001, 2014 - 2021) The information contained in this document is the property of © IAE International Aero Engines AG and may not be copied or used for any purpose other than that for which it is supplied without the express written authority of © IAE International Aero Engines AG. (This does not preclude use by engine and aircraft operators for normal instructional, maintenance or overhaul purposes.).Applicability
All
Common Information
TASK 72-60-42-300-010 Angle Gearbox Radial Gearshaft Support - Repair The Plug Mating Surface By Flanged Bushing, Repair-010 (VRS5094)
Material of component
RR | ||
|---|---|---|
DESCRIPTION | SYMBOL | MATERIAL |
Support | - | Aluminum alloy |
Flanged bushing | - | Wrought aluminum base alloy |
General
Price and availability - none
The practices and processes referred to in the procedure by the TASK numbers are in the SPM.
NOTE
NOTE
Preliminary Requirements
Pre-Conditions
NONESupport Equipment
| Name | Manufacturer | Part Number / Identification | Quantity | Remark |
|---|---|---|---|---|
| Arbor Press | LOCAL | Arbor press | ||
| FPI Inspection station | LOCAL | FPI Inspection station | ||
| Freezer | LOCAL | Freezer | ||
| IAE 3F10428 Guide pin | 0AM53 | IAE 3F10428 | ||
| IAE 3F10335 Drift | 0AM53 | IAE 3F10335 | ||
| Magnifying Glass, 5x | LOCAL | Magnifying Glass, 5x | ||
| Oven | LOCAL | Oven | ||
| Vibrating Marking Pencil | LOCAL | Vibrating Marking Pencil |
Consumables, Materials and Expendables
| Name | Manufacturer | Part Number / Identification | Quantity | Remark |
|---|---|---|---|---|
| CoMat 01-001 SOLVENT, DELETED | X111X | CoMat 01-001 |
Safety Requirements
NONEProcedure
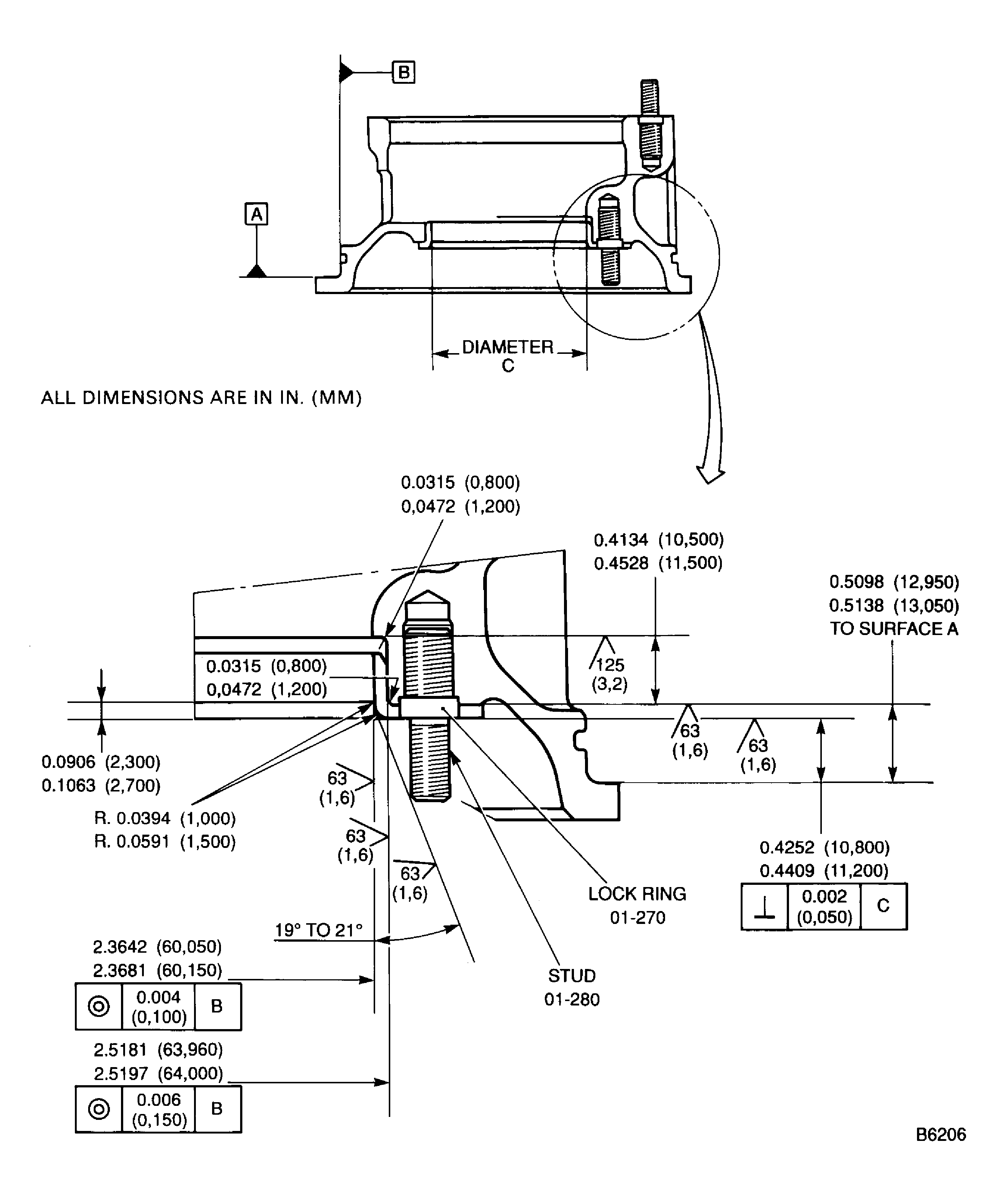
Refer to Figure.
Refer to Repair VRS5089 TASK 72-60-42-300-004.
Remove the lock rings and the studs in the plug mating surface.
SUBTASK 72-60-42-350-072 Remove the Studs/Lock Rings (3 off)
Refer to Figure.
SUBTASK 72-60-42-320-076 Machine the Plug Mating Seat in the Radial Gear Support
Refer to Figure.
SUBTASK 72-60-42-320-077 Machine the Plug Mating Surface in the Radial Gear Support
Use a Magnifying Glass, 5x.
Inspect the support for crack in the area of the plug seat.
SUBTASK 72-60-42-220-096 Examine the Radial Gear Support
Refer to the SPM TASK 70-38-02-300-503.
Apply the chromate conversion coating to the machined surfaces.
SUBTASK 72-60-42-330-065 Apply the Chromate Conversion Coating
Refer to Figure.
Put IAE 3F10428 Guide pin 1 off in threaded hole in plug mating surface adjacent to machined plug seat.
Install the guide pins.
Install the bushing on the IAE 3F10335 Drift 1 off.

WARNING
DO NOT TOUCH THE HOT PARTS WITHOUT PROTECTIVE GLOVES.HOT PARTS CAN CAUSE REDDENING AND BLISTERING OF THE SKIN IF THE HANDS ARE NOT PROTECTED.IMMERSE THE CONTACTED AREA IN COLD WATER FOR 10 MINUTES IF THE SKIN IS BURNED. IMMEDIATELY GET THE MEDICAL ATTENTION IF PAIN OR BLISTERING PERSISTS.Increase the temperature of the support and/or degrease the temperature of the assembled drift and bushing.
Use IAE 3F10335 Drift and an arbor press.
Give sufficient back-up support at bushing bore area to prevent support distortion when you install the bushing.

CAUTION
INSTALL BUSHING IN MACHINED BORE IMMEDIATELY AFTER REMOVAL FROM FREEZER, OTHERWISE BUSHING CANNOT BE CORRECTLY INSTALLED.Install the flanged bushing into machined bearing seat.
SUBTASK 72-60-42-350-073 Install the Flanged Bushing
Refer to Figure.
SUBTASK 72-60-25-320-078 Machine the Inner Diameter of the Flanged Bushing
Refer to Figure.
SUBTASK 72-60-42-320-079 Machine the Flange Surface of the Bushing
Refer to the SPM TASK 70-38-02-300-503.
Apply the chromate conversion coating to the machined surfaces of the support.
SUBTASK 72-60-42-330-066 Apply the Chromate Conversion Coating
Refer to Figure.
Refer to Repair VRS5089 TASK 72-60-25-300-002.
Install the new studs and the new lock rings.
Refer to the SPM TASK 70-38-02-300-503.
Do the touch up treatment where the chromate conversion coating has been damaged by new lockrings installation.
SUBTASK 72-60-42-350-074 Install the New Studs/Lock Rings
Figure: Repair The Plug Mating Surface
Repair The Plug Mating Surface

