DMC:V2500-A0-72-60-4205-00A-647A-CIssue No:001.00Issue Date:2013-11-01
Export Control
EAR Export Classification: Not subject to the EAR per 15 C.F.R. Chapter 1, Part 734.3(b)(3), except for the following Service Bulletins which are currently published as EAR Export Classification 9E991: SBE70-0992, SBE72-0483, SBE72-0580, SBE72-0588, SBE72-0640, SBE73-0209, SBE80-0024 and SBE80-0025.Copyright
© IAE International Aero Engines AG (2001, 2014 - 2021) The information contained in this document is the property of © IAE International Aero Engines AG and may not be copied or used for any purpose other than that for which it is supplied without the express written authority of © IAE International Aero Engines AG. (This does not preclude use by engine and aircraft operators for normal instructional, maintenance or overhaul purposes.).Applicability
All
Common Information
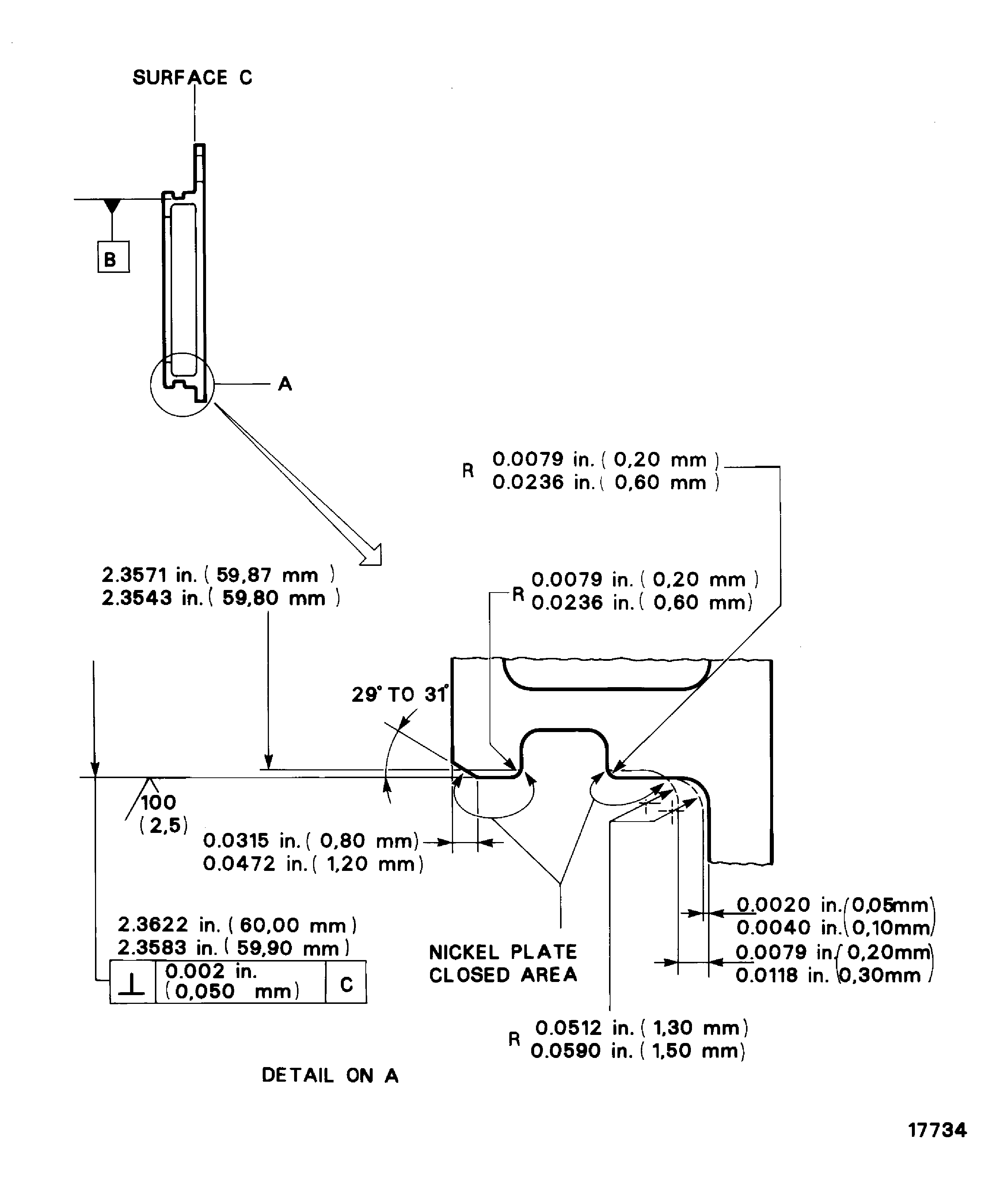
TASK 72-60-42-300-003 Angle Gearbox Plug - Nickel Plate The Piloting Diameter, Repair-003 (VRS5020)
General
Price and availability - none
The practices and processes referred to in the procedure by the TASK numbers are in the SPM.
NOTE
To identify the consumable materials refer to the PCI.
Preliminary Requirements
Pre-Conditions
NONESupport Equipment
| Name | Manufacturer | Part Number / Identification | Quantity | Remark |
|---|---|---|---|---|
| Workshop inspection equipment | LOCAL | Workshop inspection equipment | ||
| Grinding machine | LOCAL | Grinding machine | ||
| Furnace | LOCAL | Furnace | ||
| Magnifying glass | LOCAL | Magnifying glass | ||
| Vibrating marking pencil | LOCAL | Vibrating marking pencil | ||
| Basket | LOCAL | Basket |
Consumables, Materials and Expendables
| Name | Manufacturer | Part Number / Identification | Quantity | Remark |
|---|---|---|---|---|
| CoMat 01-001 SOLVENT, DELETED | 0AM53 | CoMat 01-001 | ||
| CoMat 02-067 STRIPPABLE COATING | 71410 | CoMat 02-067 |
Spares
NONESafety Requirements
NONEProcedure
Refer to Figure.
SUBTASK 72-60-42-320-051 Machine the Piloting Diameter of the Plug
Refer to the SPM TASK 70-23-01-230-501.
No cracks are permitted.
Do the fluorescent penetrant inspection for cracks.
SUBTASK 72-60-42-230-053 Examine the Plug
Refer to the SPM TASK 70-11-01-300-503.

WARNING
WHEN YOU USE COMAT 01-001 INHIBITED AND STABILIZED TRICHLOROETHANE YOU MUST USE THE NECESSARY PROTECTIVE CLOTHING. DO NOT GET THE SOLVENT ON YOUR SKIN OR IN YOUR EYES. YOU MUST NOT SMOKE WHEN YOU USE THE SOLVENT AS THE VAPOR CHANGES AND BECOMES TOXIC.Do the vapor degreasing.
SUBTASK 72-60-42-110-051 Clean the Plug
Refer to Figure.
Refer to the SPM TASK 70-33-08-300-503.
Plate to a sufficient thickness to permit the machining to the last dimensions.
The plating out of the piloting diameter area is permitted but must be removed.
Do the nickel plating.
SUBTASK 72-60-42-330-051 Nickel Plate the Piloting Diameter of the Plug
Refer to Figure.
SUBTASK 72-60-42-320-052 Machine the Piloting Diameter of the Plug
Use a 4X Magnifying glass.
The natural network crack, emphasized by grinding is permitted.
Do the visual inspection of the plated areas for cracks and adhesion.
SUBTASK 72-60-42-220-077 Examine the Nickel Plated Area
Figure: Repair details and dimension
Repair details and dimension

