Export Control
EAR Export Classification: Not subject to the EAR per 15 C.F.R. Chapter 1, Part 734.3(b)(3), except for the following Service Bulletins which are currently published as EAR Export Classification 9E991: SBE70-0992, SBE72-0483, SBE72-0580, SBE72-0588, SBE72-0640, SBE73-0209, SBE80-0024 and SBE80-0025.Copyright
© IAE International Aero Engines AG (2001, 2014 - 2021) The information contained in this document is the property of © IAE International Aero Engines AG and may not be copied or used for any purpose other than that for which it is supplied without the express written authority of © IAE International Aero Engines AG. (This does not preclude use by engine and aircraft operators for normal instructional, maintenance or overhaul purposes.).Applicability
All
Common Information
TASK 79-21-41-300-006 Oil Pressure Pump/Filter Housing - Related Parts - Nickel Plate The Mounting Face Of The Cover, Repair-006 (VRS5304)
General
Price and availability - none.
The practices and processes referred to in the procedure by the TASK numbers are in the SPM.
NOTE
NOTE
Preliminary Requirements
Pre-Conditions
NONESupport Equipment
| Name | Manufacturer | Part Number / Identification | Quantity | Remark |
|---|---|---|---|---|
| Workshop Inspection Equipment | LOCAL | Workshop Inspection Equipment | ||
| Grinding Machine | LOCAL | Grinding Machine | ||
| FPI inspection station | LOCAL | FPI inspection station | ||
| Basket | LOCAL | Basket | ||
| Process Plating Tanks | LOCAL | Process Plating Tanks | ||
| Oven | LOCAL | Oven | ||
| Magnifying glass | LOCAL | Magnifying glass | ||
| Vibrating marking pencil | LOCAL | Vibrating marking pencil |
Consumables, Materials and Expendables
| Name | Manufacturer | Part Number / Identification | Quantity | Remark |
|---|---|---|---|---|
| CoMat 02-067 STRIPPABLE COATING | 71410 | CoMat 02-067 |
Spares
NONESafety Requirements
NONEProcedure
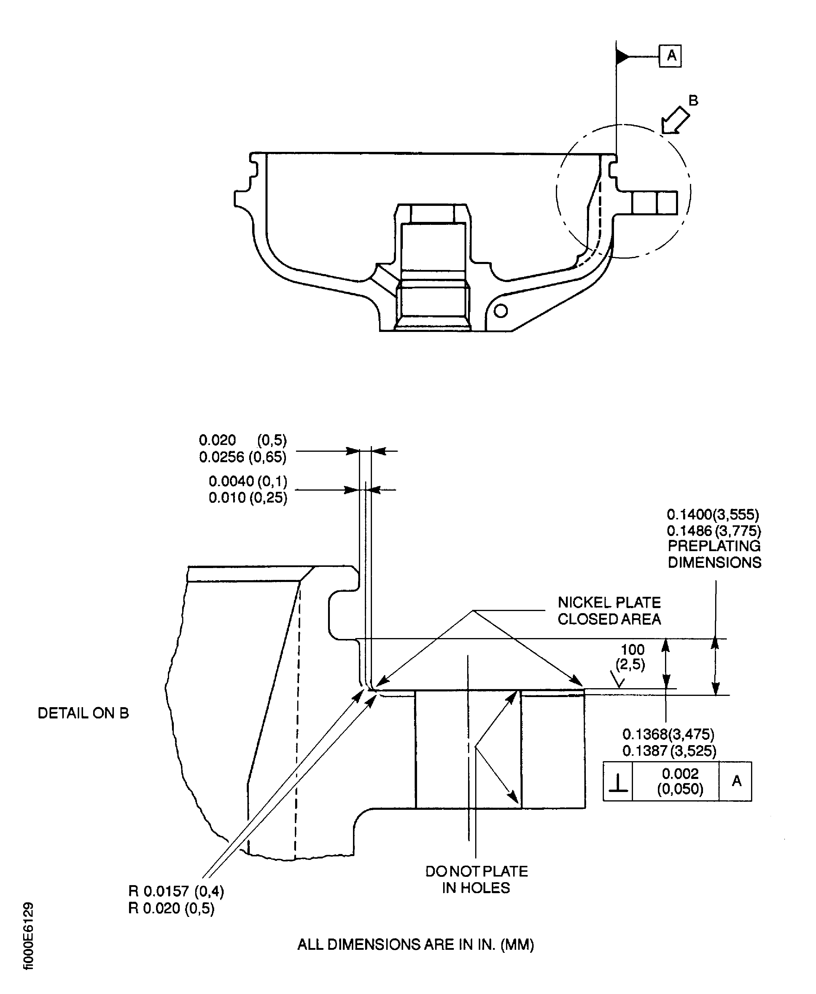
Refer to Figure.
Remove all damage and wear.
The preplating dimension must be between 0.1400 and 0.1486 in. (3.555 and 3.775 mm) after the removal of the damage.
Keep the removal of the material to the minimum necessary, to remove the damage.
Machine the mounting face.
SUBTASK 79-21-41-320-058 Machine the Mounting Face of the Cover
Refer to SPM TASK 70-23-01-230-501.
No cracks are permitted.
Do the fluorescent penetrant inspection for cracks.
SUBTASK 79-21-41-230-056 Examine the Cover
Refer to Figure.
Mask the areas of the cover not to be plated.
Refer to SPM TASK 70-33-08-300-503. Plate to a sufficient thickness to permit machining to the last dimensions indicated in the reference figure.
The plating out of the piloting diameter area is permitted, but must be removed.
Do the nickel plating.
Remove the mask.
Flush with cold water.
Flush with hot water.
Dry with air blast.
Clean and dry the cover.
SUBTASK 79-21-41-330-060 Nickel Plate the Mounting Face of the Cover
Do this procedure as soon as possible, in less than 4 hours, after plating.
Put the cover into an Oven at 241 to 260 deg F (116 to 127 deg C) for 60 to 90 minutes.
SUBTASK 79-21-41-370-052 De-embrittle the Cover
Plating must have a constant color.
No circumferential cracks are permitted.
No rough or blistering are permitted.
Do the visual inspection of the plating for finish, cracks and adhesion.
SUBTASK 79-21-41-220-155 Examine the Cover
Refer to Figure.
Machine the mounting face, the dimension must be between 0.1368 to 0.1387 in. (3.475 to 3.525 mm).
Chamfer, where necessary.
Machine the mounting face.
SUBTASK 79-21-41-320-059 Machine the Mounting Face of the Cover
Refer to Figure.
Use a 4X Magnifying glass.
The natural network crack, emphasized by grinding is permitted.
Do the visual inspection of the plated area for cracks and adhesion.
Do not accept a thickness of less than 0.0006 in. (0.015 mm), after the last machining.
Measure the thickness of the plating
SUBTASK 79-21-41-220-156 Examine the Nickel Plated Area
Refer to Figure.
Remove the metal lifted by marking.
Vibro engrave VRS5304 adjacent to the part number.
SUBTASK 79-21-41-350-062 Record the Repair
Figure: Repair Details and Dimensions
Repair Details and Dimensions

