Export Control
EAR Export Classification: Not subject to the EAR per 15 C.F.R. Chapter 1, Part 734.3(b)(3), except for the following Service Bulletins which are currently published as EAR Export Classification 9E991: SBE70-0992, SBE72-0483, SBE72-0580, SBE72-0588, SBE72-0640, SBE73-0209, SBE80-0024 and SBE80-0025.Copyright
© IAE International Aero Engines AG (2001, 2014 - 2021) The information contained in this document is the property of © IAE International Aero Engines AG and may not be copied or used for any purpose other than that for which it is supplied without the express written authority of © IAE International Aero Engines AG. (This does not preclude use by engine and aircraft operators for normal instructional, maintenance or overhaul purposes.).Applicability
All
Common Information
TASK 79-21-41-300-003 Oil Pressure Pump/Filter Housing - Related Parts - Repair The Surfaces Of The Oil Pump Casing Assembly, Repair-003 (VRS5305)
General
Price and availability - none.
The practices and processes referred to in the procedure by the TASK numbers are in the SPM.
To identify the consumable materials refer to the PCI.
Preliminary Requirements
Pre-Conditions
NONESupport Equipment
NONEConsumables, Materials and Expendables
| Name | Manufacturer | Part Number / Identification | Quantity | Remark |
|---|---|---|---|---|
| CoMat 02-140 TRIANGULAR INDIA STONE, FINE GRIT | LOCAL | CoMat 02-140 |
Spares
NONESafety Requirements
NONEProcedure
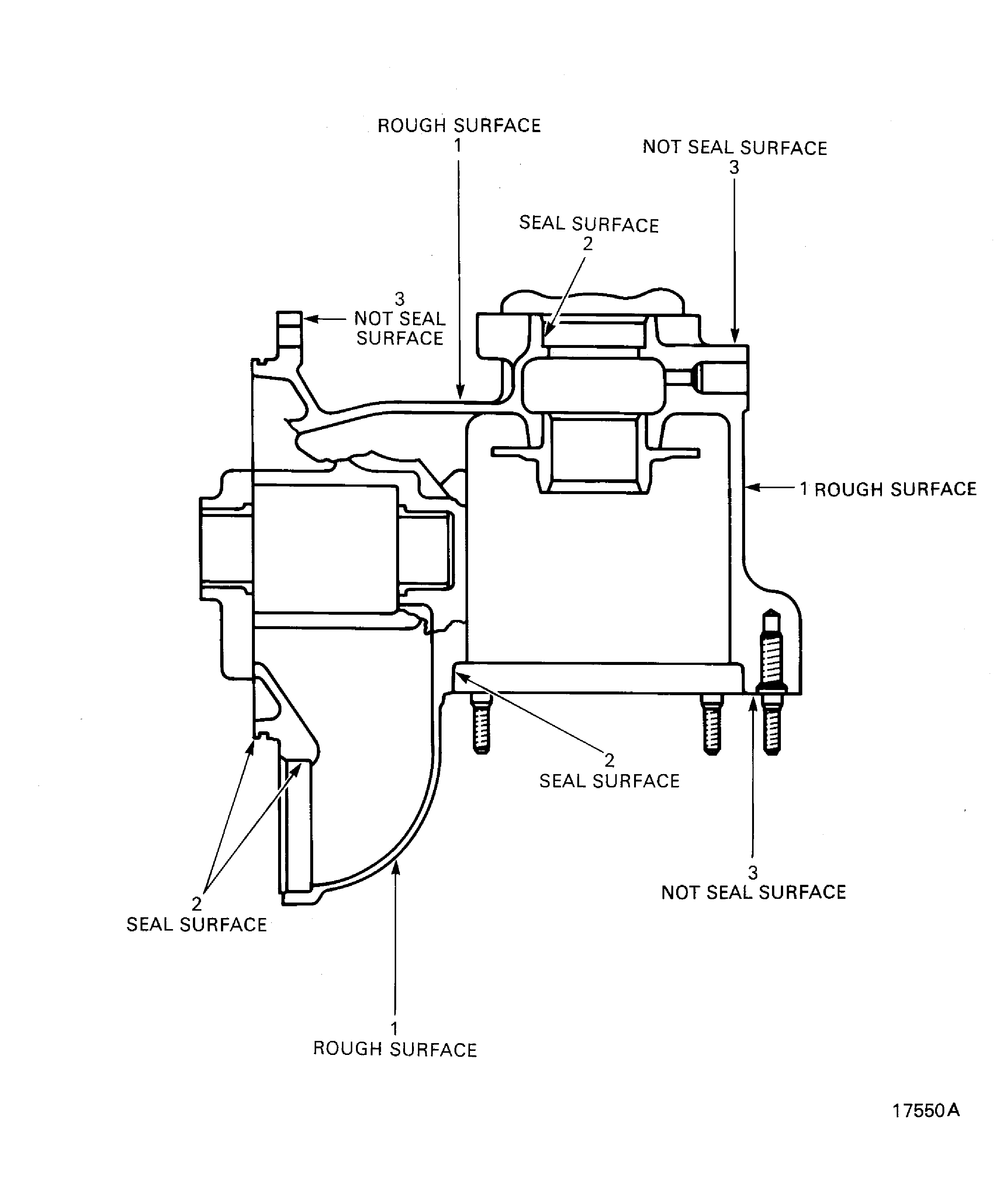
Refer to Figure.
Refer to SPM TASK 70-35-03-300-501.
Hand polish and blend. The maximum depth of the blending is 0.037 in. (0.94 mm).
Refer to VRS5306, (Repair-004) TASK 79-21-41-300-004.
Repair the surface protection.
SUBTASK 79-21-41-350-053 Repair the Rough Surfaces - Location 1
Refer to Figure.
Refer to SPM TASK 70-35-03-300-501.
Hand polish and blend. The maximum depth of the blending is 0.005 in. (0.13 mm).
Seal surfaces - location 2.
Refer to SPM TASK 70-35-03-300-501.
Hand polish and blend. The maximum depth of the blending is 0.01 in. (0.25 mm).
Not seal surfaces - location 3.
Refer to VRS5306, (Repair-004) TASK 79-21-41-300-004.
Repair the surface protection.
SUBTASK 79-21-41-350-054 Repair the Machined Surfaces
Figure: Repair Details And Dimensions
Repair Details And Dimensions

