Export Control
EAR Export Classification: Not subject to the EAR per 15 C.F.R. Chapter 1, Part 734.3(b)(3), except for the following Service Bulletins which are currently published as EAR Export Classification 9E991: SBE70-0992, SBE72-0483, SBE72-0580, SBE72-0588, SBE72-0640, SBE73-0209, SBE80-0024 and SBE80-0025.Copyright
© IAE International Aero Engines AG (2001, 2014 - 2021) The information contained in this document is the property of © IAE International Aero Engines AG and may not be copied or used for any purpose other than that for which it is supplied without the express written authority of © IAE International Aero Engines AG. (This does not preclude use by engine and aircraft operators for normal instructional, maintenance or overhaul purposes.).Applicability
All
Common Information
TASK 79-21-41-300-016 Oil Pressure Pump/Filter Housing - Related Parts - Repair The Flange Locating Seat By Bushing In The Oil Pressure Pump, Repair-016 (VRS5316)
Material of component
PART IDENT | SYMBOL | MATERIAL |
Oil pressure pump | - | A357-T61 (AMS 4219) |
Bushing | - | AA2024-T3 (AMS 4152K) |
General
Price and availability - none.
The practices and processes referred to in the procedure by the TASK number are in the SPM.
NOTE
Preliminary Requirements
Pre-Conditions
NONESupport Equipment
| Name | Manufacturer | Part Number / Identification | Quantity | Remark |
|---|---|---|---|---|
| Workshop Inspection Equipment | LOCAL | Workshop Inspection Equipment | ||
| Grinding Machine | LOCAL | Grinding Machine | ||
| Magnifying glass | LOCAL | Magnifying glass | ||
| Oven | LOCAL | Oven | ||
| Freezer | LOCAL | Freezer | ||
| Arbor Press | LOCAL | Arbor press | ||
| Vibro-engraving materials | LOCAL | Vibro-engraving materials |
Consumables, Materials and Expendables
NONESpares
NONESafety Requirements
NONEProcedure
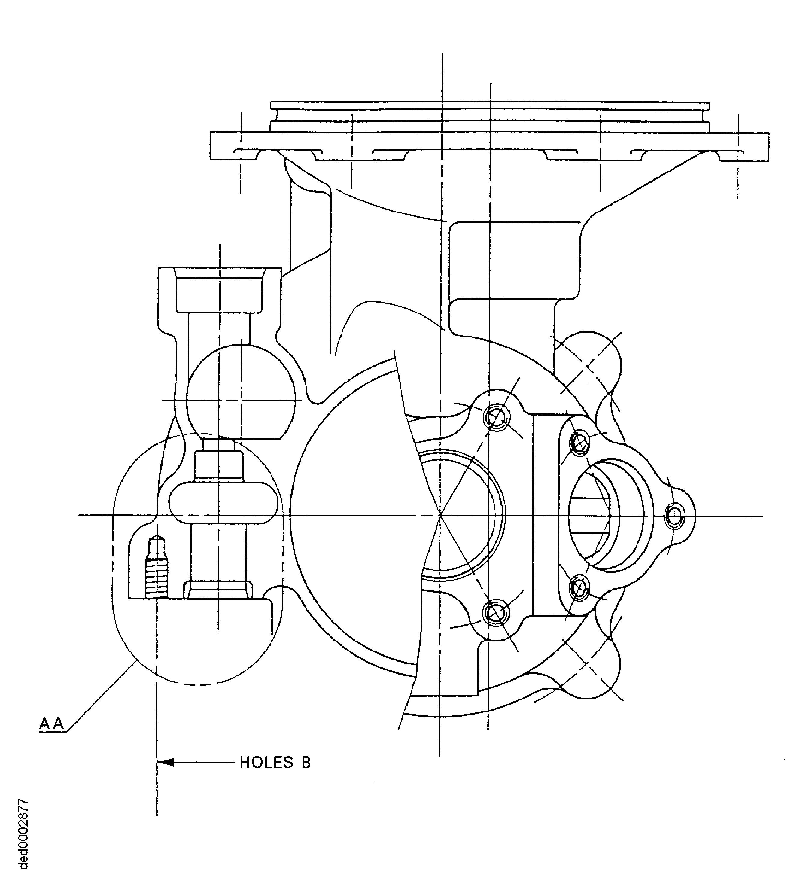
Refer to Figure.
The diameter of the bore must be between 0.7858 and 0.7874 in. (19.960 and 20.000 mm) after removal of the damage.
The true position of the bore must be within 0.040 in. (0.100 mm) FIR in relation to diameter C index 2.
Bore surface rough must be 63 micro in. (1.6 micron).
Machine the outlet tube locating seat.
SUBTASK 79-21-41-320-070 Machine the Flange Locating Seat in the Oil Pressure Pump
Use a Magnifying glass.
Inspect the pressure pump for cracks in locality of the flange locating seat.
SUBTASK 79-22-41-220-166 Examine the Flange Locating Seat
Refer to SPM TASK 70-38-02-300-503.
Apply the chromate conversion coating to the machined surfaces.
SUBTASK 79-21-41-330-068 Apply the Chromate Conversion Coating
Refer to Figure.

CAUTION
MAKE SURE THAT THE LEAD IN CHAMFER OF THE BUSHING POINTS AWAY FROM THE DRIFT.Install the bushing to drift.
Do not increase the temperature of the pressure pump above 284 deg F (140 deg C).
Do not decrease the temperature of the assembled drift and bushing below minus 58 deg F (minus 50 deg C).
NOTE
The difference in temperature between the parts must be 248 deg F (120 deg C).

WARNING
DO NOT TOUCH THE HOT PARTS WITHOUT PROTECTIVE GLOVES.
WARNING
HOT PARTS CAN CAUSE REDDENING AND BLISTERING OF THE SKIN IF THE HANDS ARE NOT PROTECTED.
WARNING
IMMERSE THE CONTACTED AREA IN COLD WATER FOR 10 MINUTES IF THE SKIN IS BURNED. IMMEDIATELY GET THE MEDICAL ATTENTION IF PAIN OR BLISTERING PERSISTS.Increase the temperature of the pressure pump and/or decrease the temperature of the assembled drift and bushing.
Use protective gloves.
Remove the pressure pump from the oven and/or the assembled drift and bushing from freezer.
Use drift and an Arbor Press.
Give sufficient back-up support at bushing bore area to prevent pressure pump distortion when you install the bushing.

CAUTION
INSTALL BUSHING IN MACHINED BORE IMMEDIATELY AFTER REMOVAL FROM FREEZER, OTHERWISE BUSHING CANNOT BE CORRECTLY INSTALLEDInstall the bushing into machined bore.
Let the parts get the room temperature.
Remove the drift.
SUBTASK 79-21-41-350-074 Install the Bushing
Refer to Figure.
The last dimension of the inner diameter must be between 0.630 and 0.6315 in. (16.000 and 16.0400 mm).
The true position of the diameter must be within 0.0020 in. (0.050 mm) FIR in relation to diameter C, index 2 and 0.0138 in. (0.350 mm) FIR in relation to holes B, index 1.
The perpendicularity of the diameter must be within 0.0020 in. (0.050 mm) FIR in relation to surface H, index 12.
Bore surface rough must be 63 micro in. (1.6 micron).
Chamfer where necessary.
Machine the inner diameter of the bushing.
SUBTASK 79-21-41-320-071 Machine the Inner Diameter of the Bushing
Refer to SPM TASK 70-38-02-300-503.
Apply the chromate conversion coating to the machined surface of the bushing.
SUBTASK 79-21-41-330-069 Apply the Chromate Conversion Coating
UseVibro-engraving materials equipment.
.Remove the metal lifted by marking.
Vibroengrave 'VRS5316' adjacent to the part number.
SUBTASK 79-21-41-350-075 Record the Repair
Figure: Repair Details and Dimensions
Repair Details and Dimensions

Repair Details and Dimensions

