Export Control
EAR Export Classification: Not subject to the EAR per 15 C.F.R. Chapter 1, Part 734.3(b)(3), except for the following Service Bulletins which are currently published as EAR Export Classification 9E991: SBE70-0992, SBE72-0483, SBE72-0580, SBE72-0588, SBE72-0640, SBE73-0209, SBE80-0024 and SBE80-0025.Copyright
© IAE International Aero Engines AG (2001, 2014 - 2021) The information contained in this document is the property of © IAE International Aero Engines AG and may not be copied or used for any purpose other than that for which it is supplied without the express written authority of © IAE International Aero Engines AG. (This does not preclude use by engine and aircraft operators for normal instructional, maintenance or overhaul purposes.).Applicability
All
Common Information
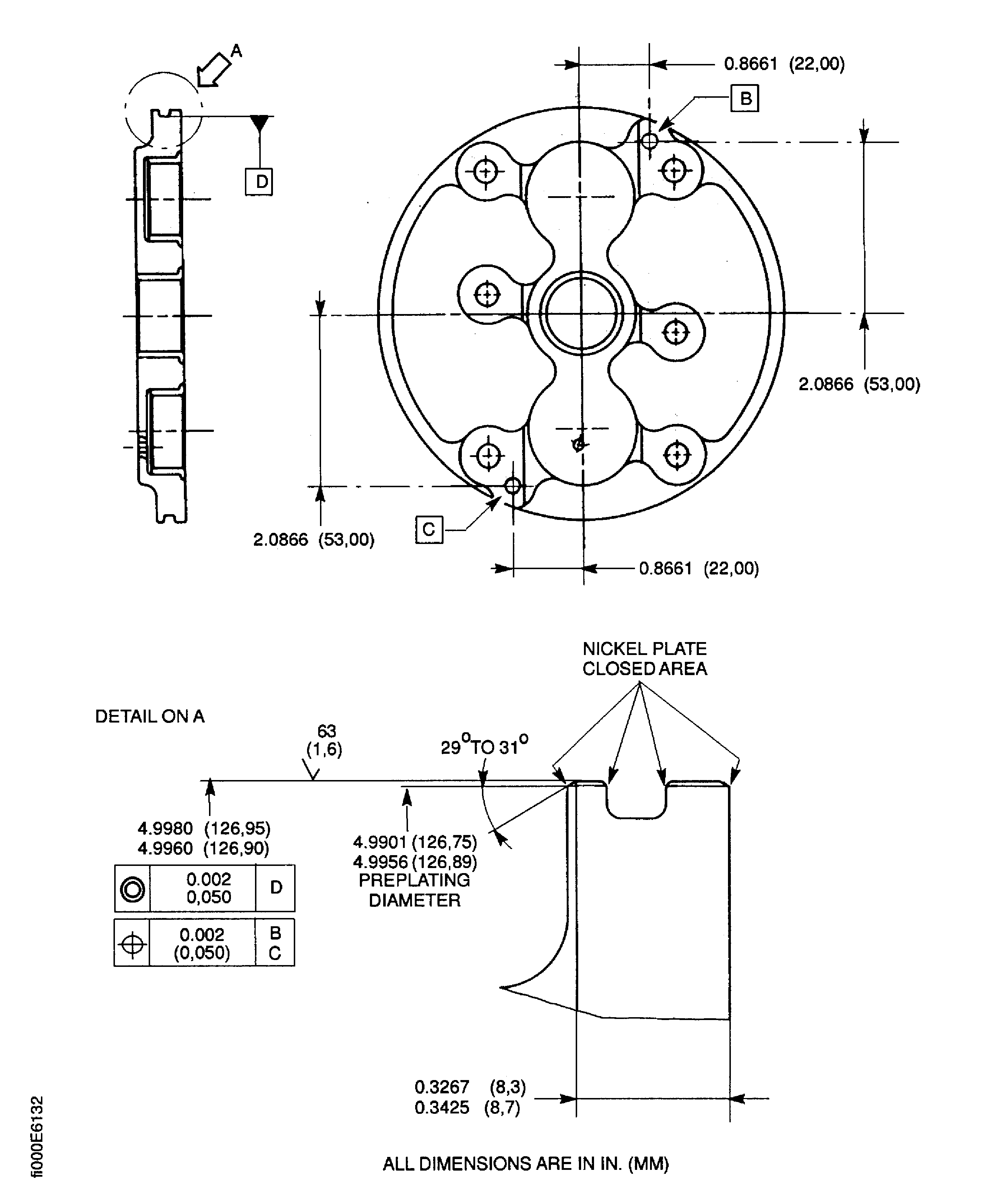
TASK 79-22-41-300-016 Oil Scavenge Pump - Related Parts - Nickel Plate The Piloting Diameter Of The Cover Assembly, Repair-016 (VRS5351)
General
Price and availability - none
The practices and processes referred to in the procedure by the TASK numbers are in the SPM.
NOTE
Preliminary Requirements
Pre-Conditions
NONESupport Equipment
| Name | Manufacturer | Part Number / Identification | Quantity | Remark |
|---|---|---|---|---|
| Workshop inspection equipment | LOCAL | Workshop inspection equipment | ||
| Grinding machine | LOCAL | Grinding machine | ||
| FPI Inspection Station | LOCAL | FPI Inspection Station | ||
| Basket | LOCAL | Basket | ||
| Process Plating Tanks | LOCAL | Process Plating Tanks | ||
| Oven | LOCAL | Oven | ||
| Magnifying glass | LOCAL | Magnifying glass | ||
| Vibrating marking pencil | LOCAL | Vibrating marking pencil |
Consumables, Materials and Expendables
| Name | Manufacturer | Part Number / Identification | Quantity | Remark |
|---|---|---|---|---|
| CoMat 02-067 STRIPPABLE COATING | 71410 | CoMat 02-067 |
Spares
NONESafety Requirements
NONEProcedure
Refer to Figure.
Remove all damage and wear. The piloting diameter must be between 4.9901 and 4.9956 in. (126.750 and 126.89 mm) after the removal of the damage.
Keep the removal of the material to the minimum necessary, to remove the damage.
Machine the piloting diameter
SUBTASK 79-22-41-320-068 Machine the Piloting Diameter of the Cover Assembly
Refer to SPM TASK 70-23-01-230-501.
No cracks are permitted.
Do the fluorescent penetrant inspection for cracks
SUBTASK 79-22-41-230-163 Examine the Cover Assembly
Refer to Figure.
Mask the areas of the cover assembly not to be plated
Refer to SPM TASK 70-33-08-300-503.
Plate to a sufficient thickness to permit machining to the last dimensions indicated in the reference figure.
The plating out of the piloting diameter area is permitted, but must be removed.
Do the nickel plating
Remove the mask
Flush with cold water.
Flush with hot water.
Dry with air blast.
Clean and dry the cover assembly
SUBTASK 79-22-41-330-072 Nickel Plate the Piloting Diameter of the Cover Assembly
Do this procedure as soon as possible, in less than 4 hours, after plating.
Put the casing assembly into an Oven at 241 to 260 deg F (116 to 127 deg C) for 60 to 90 minutes
SUBTASK 79-22-41-370-057 De-embrittle the Cover Assembly
Plating must have a constant color. No circumferential cracks are permitted.
No roughness or blistering is permitted.
Do the visual inspection of the plating for finish, cracks and adhesion
SUBTASK 79-22-41-220-168 Examine the Cover Assembly
Refer to Figure.
Machine the piloting diameter, the dimension must be between 4.9980 to 4.9960 in. (126.950 to 126.900 mm).
Chamfer, where necessary
Machine the piloting diameter
SUBTASK 79-22-41-320-069 Machine the Piloting Diameter of the Cover Assembly
Refer to Figure.
Use a 4X Magnifying glass. The natural network crack, emphasized by grinding is permitted.
Do the visual inspection of the plated area for cracks and adhesion
Do not accept a thickness of less than 0.0006 in. (0.015 mm), after the last machining
Measure the thickness of the plating
SUBTASK 79-22-41-220-169 Examine the Nickel Plated Area
Refer to Figure.
Remove the metal lifted by marking.
Vibro engrave VRS5351 adjacent to the part number
SUBTASK 79-22-41-350-075 Record the Repair
Figure: Repair Details And Dimensions
Repair Details And Dimensions

