DMC:V2500-A0-79-22-4100-15A-649A-CIssue No:001.00Issue Date:2013-11-01
Export Control
EAR Export Classification: Not subject to the EAR per 15 C.F.R. Chapter 1, Part 734.3(b)(3), except for the following Service Bulletins which are currently published as EAR Export Classification 9E991: SBE70-0992, SBE72-0483, SBE72-0580, SBE72-0588, SBE72-0640, SBE73-0209, SBE80-0024 and SBE80-0025.Copyright
© IAE International Aero Engines AG (2001, 2014 - 2021) The information contained in this document is the property of © IAE International Aero Engines AG and may not be copied or used for any purpose other than that for which it is supplied without the express written authority of © IAE International Aero Engines AG. (This does not preclude use by engine and aircraft operators for normal instructional, maintenance or overhaul purposes.).Applicability
All
Common Information
TASK 79-22-41-300-022 Oil Scavenge Pump - Related Parts - Repair The Surfaces Of The Oil Scavenge Pump Spacer Assembly, Repair-022 (VRS5359)
General
Price and availability - none
The practices and processes referred to in the procedure by the TASK numbers are in the SPM.
NOTE
To identify the consumable materials refer to the PCI.
Preliminary Requirements
Pre-Conditions
NONESupport Equipment
NONEConsumables, Materials and Expendables
| Name | Manufacturer | Part Number / Identification | Quantity | Remark |
|---|---|---|---|---|
| CoMat 05-020 WATERPROOF SILICON CARBIDE | LOCAL | CoMat 05-020 |
Spares
NONESafety Requirements
NONEProcedure
Refer to Figure.
Refer to SPM TASK 70-35-03-300-501.
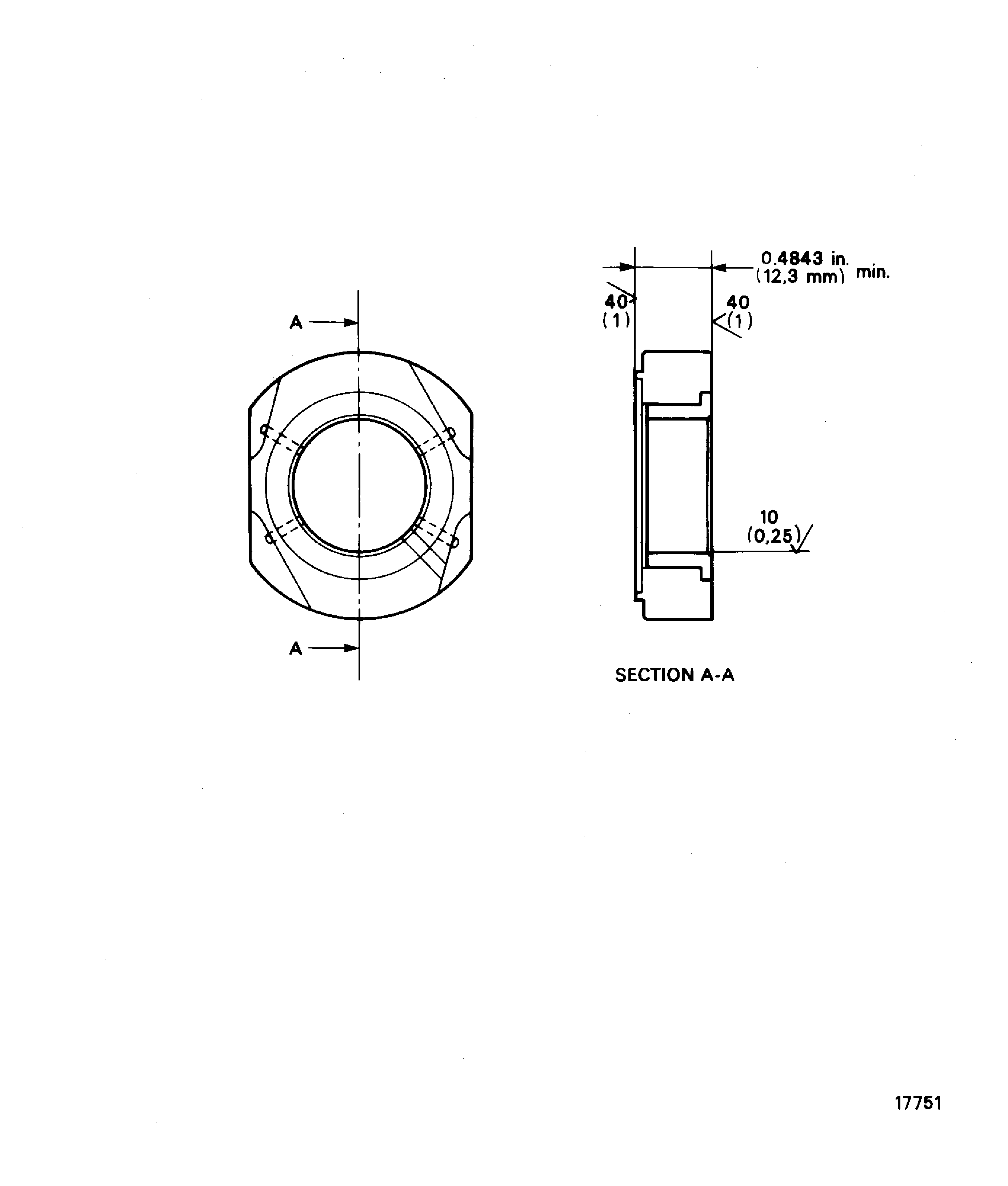
Polish or blend in a circumferential direction, not along the axis of the part.
Use CoMat 05-020 WATERPROOF SILICON CARBIDE abrasive paper.
Reject the spacer if the grooves or excessive wear cannot be fully removed.
Reject the spacer if the thickness is less than 0.4843 in. (12.300 mm) after the blend operation.
Isolated circumferential scores are permitted if they are not deeper than 0.008 in. (0.2 mm).
Hand polish and blend the damage on the spacer surfaces
SUBTASK 79-22-41-350-064 Blend Repair the Spacer Assembly (01-590) Surfaces
Figure: Repair Details
Repair Details

