DMC:V2500-A1-71-00-21-01A-941A-DIssue No:001.00Issue Date:2014-05-01
Export Control
EAR Export Classification: Not subject to the EAR per 15 C.F.R. Chapter 1, Part 734.3(b)(3), except for the following Service Bulletins which are currently published as EAR Export Classification 9E991: SBE70-0992, SBE72-0483, SBE72-0580, SBE72-0588, SBE72-0640, SBE73-0209, SBE80-0024 and SBE80-0025.Copyright
© IAE International Aero Engines AG (2001, 2014 - 2021) The information contained in this document is the property of © IAE International Aero Engines AG and may not be copied or used for any purpose other than that for which it is supplied without the express written authority of © IAE International Aero Engines AG. (This does not preclude use by engine and aircraft operators for normal instructional, maintenance or overhaul purposes.).Applicability
All
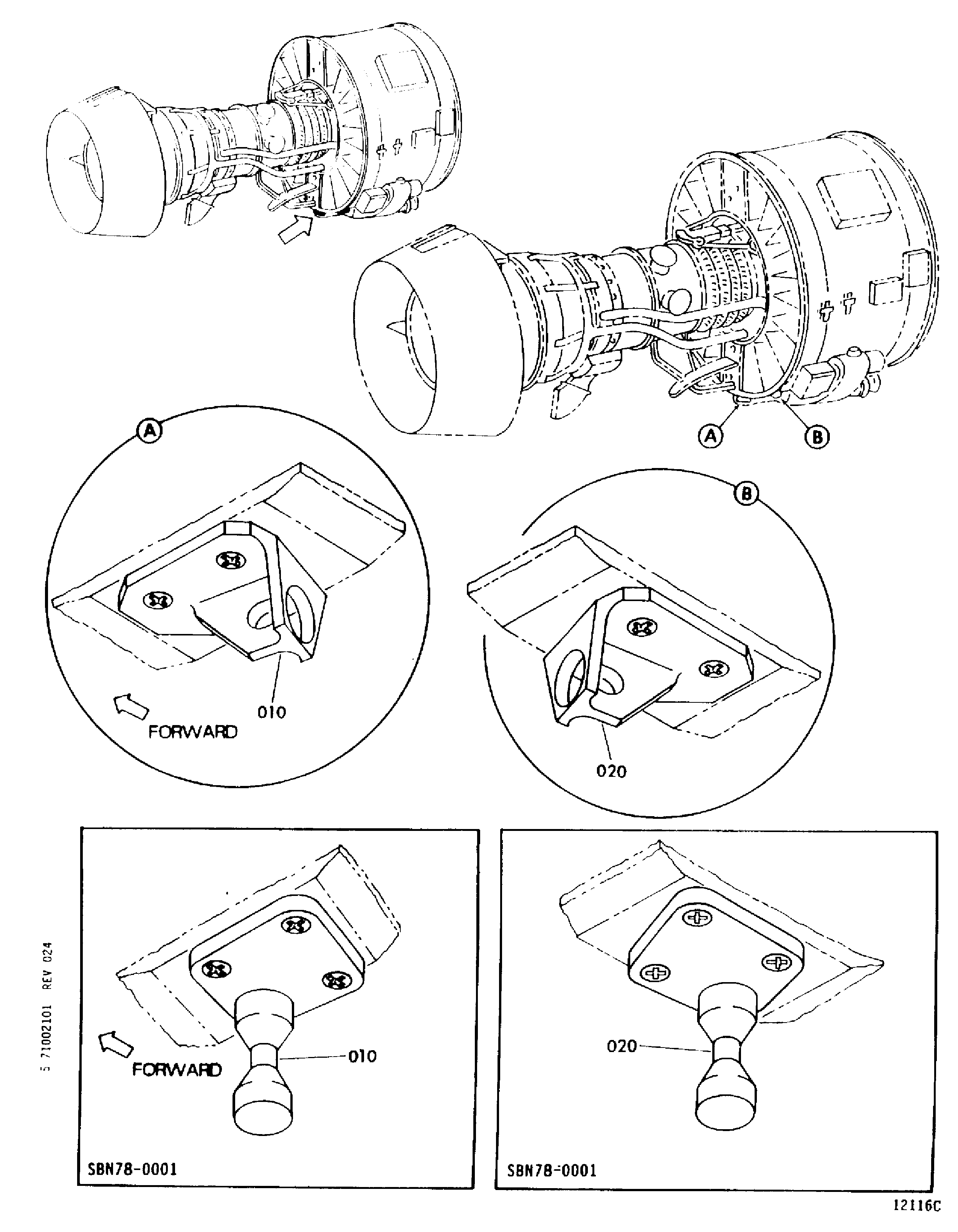
| Fig. Item | Part No. | Description | Effect/Model Applic. | UPA |
|---|---|---|---|---|
| 01 | ||||
| B71002101 | THRUST REVERSER HOLD OPEN ROD SUPPORT BRACKET, PRE SBN78-0001 | aa | ||
| SBN0001-01 | THRUST REVERSER HOLD OPEN ROD SUPPORT BRACKET | ab | ||
| -001 | 740-0464-501 | INSTL - BRACKET T/R HOLD OPEN 51563 | aa-ab | REF |
| -001A | 740-0464-505 | INSTL - BRACKET T/R HOLD OPEN 51563 PRE SBN78-0001 | aa | REF |
| 010 | 740-0380-501 | • BRACKET - HOLD OPEN FWD LH S 51563 | aa-ab | 1 |
| 010A | 740-0380-505 | • BRACKET - HOLD OPEN FWD LH S 51563 PRE SBN78-0001 | aa | 1 |
| 010B | 740-0507-503 | • FITTING - HOLD OPEN FWD LH S 51563 POST SBN78-0001 | ab | 1 |
| 020 | 740-0380-502 | • BRACKET - HOLD OPEN FWD RH S 51563 | aa-ab | 1 |
| 020A | 740-0380-506 | • BRACKET - HOLD OPEN FWD RH S 51563 PRE SBN78-0001 | aa | 1 |
| 020B | 740-0507-504 | • FITTING - HOLD OPEN FWD RH S 51563 POST SBN78-0001 | ab | 1 |
| - ITEM NOT ILLUSTRATED, ***** EFFECTIVITY NOT AVAILABLE | ||||
Figure: THRUST REVERSER HOLD OPEN ROD SUPPORT BRACKET
BRACKET T/R HOLD OPEN FORWARD

