DMC:V2500-A1-72-60-23-01A-941A-DIssue No:003.00Issue Date:2018-11-01
Export Control
EAR Export Classification: Not subject to the EAR per 15 C.F.R. Chapter 1, Part 734.3(b)(3), except for the following Service Bulletins which are currently published as EAR Export Classification 9E991: SBE70-0992, SBE72-0483, SBE72-0580, SBE72-0588, SBE72-0640, SBE73-0209, SBE80-0024 and SBE80-0025.Copyright
© IAE International Aero Engines AG (2001, 2014 - 2021) The information contained in this document is the property of © IAE International Aero Engines AG and may not be copied or used for any purpose other than that for which it is supplied without the express written authority of © IAE International Aero Engines AG. (This does not preclude use by engine and aircraft operators for normal instructional, maintenance or overhaul purposes.).Applicability
All
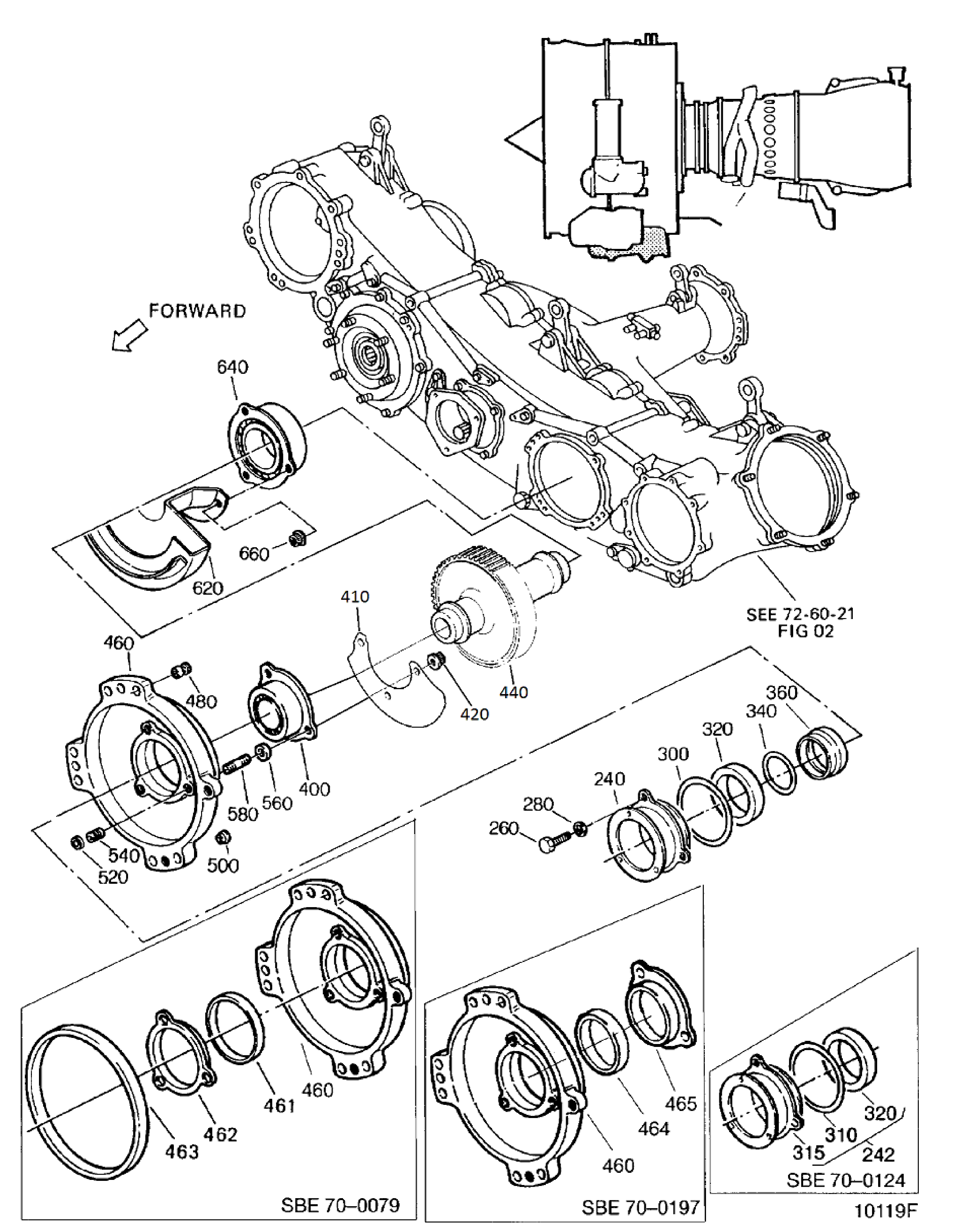
| Fig. Item | Part No. | Description | Effect/Model Applic. | UPA |
|---|---|---|---|---|
| 01 | ||||
| B72602301 | ENGINE - HYDRAULIC PUMP DRIVE GEAR ASSEMBLY, PRE SBE72-0054 | aa | ||
| SBE0054-01 | ENGINE - HYDRAULIC PUMP DRIVE GEAR ASSEMBLY, PRE SBE70-0095 | ab | ||
| SBE0095-01 | ENGINE - HYDRAULIC PUMP DRIVE GEAR ASSEMBLY, PRE SBE70-0057 | ac | ||
| SBE0057-01 | ENGINE - HYDRAULIC PUMP DRIVE GEAR ASSEMBLY, PRE SBE70-0124 | ad | ||
| SBE0124-01 | ENGINE - HYDRAULIC PUMP DRIVE GEAR ASSEMBLY, PRE SBE72-0264 | ae | ||
| SBE0264-01 | ENGINE - HYDRAULIC PUMP DRIVE GEAR ASSEMBLY, PRE SBE72-0288 | af | ||
| SBE0288-01 | ENGINE - HYDRAULIC PUMP DRIVE GEAR ASSEMBLY, PRE SBE72-0414 | ag | ||
| SBE0414-01 | ENGINE - HYDRAULIC PUMP DRIVE GEAR ASSEMBLY, PRE SBE72-0480 | ah | ||
| SBE0480-01 | ENGINE - HYDRAULIC PUMP DRIVE GEAR ASSEMBLY, PRE SBE72-0492 | ai | ||
| SBE0492-01 | ENGINE - HYDRAULIC PUMP DRIVE GEAR ASSEMBLY, PRE SBE70-0950 | aj | ||
| SBE0950-01 | ENGINE - HYDRAULIC PUMP DRIVE GEAR ASSEMBLY, PRE SBE70-0948 | ak | ||
| SBE0948-01 | ENGINE - HYDRAULIC PUMP DRIVE GEAR ASSEMBLY | al | ||
| SBE0645-01 | ENGINE - HYDRAULIC PUMP DRIVE GEAR ASSEMBLY | am | ||
| 240 | 4P0015 | • SEAL - HOUSING | aa-ad | 1 |
| 242 | 4A0300 | • SEAL - ASSEMBLY OF | ae-af | 1 |
| 242A | 4A0314 | • SEAL - ASSEMBLY OF A3460 | ag-ah | 1 |
| 242B | 4A0327 | • SEAL - ASSEMBLY OF A3460 | ai-al | 1 |
| 260 | 4W1246 | • BOLT - 0.250 DIA X 0.750 | aa-al | 3 |
| 280 | MS9321-10 | • WASHER - FLAT, 0.500 X 0.276 X 0.062 96906 | aa-al | 3 |
| 300 | AS3209-141 | • PACKING - PREFORMED U1653 | aa-ad | 1 |
| 310 | AS3209-141 | • • PACKING - PREFORMED U1653 | ae-al | 1 |
| 315 | 4P0015 | • • SEAL - HOUSING | ae-af | 1 |
| 320 | 7T0472 | • SEAL | aa-ac | 1 |
| 320A | 4T0230 | • SEAL - INTERCH. CONTROL DWG | ad-al | 1 |
| 320B | 7T0472 | • SEAL | ad-al | 1 |
| 320C | 7T0262 | • SEAL | ad-al | 1 |
| 320D | 7T0452 | • SEAL | ad-al | 1 |
| 320E | 4T0230 | • SEAL - INTERCH. CONTROL DWG | ad-al | 1 |
| 320E | 4T0230 | • • SEAL - INTERCH. CONTROL DWG | ad-al | 1 |
| -320F | 7T0472 | • • SEAL | ad-al | REF |
| -320G | 7T0262 | • • SEAL | ad-al | REF |
| -320H | 7T0452 | • • SEAL | ad-al | REF |
| 320J | 4T0302 | • • SEAL - FACE A3460 | ag-ah | 1 |
| 320K | 4T0303 | • SEAL - FACE A3460 | ai-al | 1 |
| 340 | AS3209-130 | • PACKING - PREFORMED U1653 | aa-al | 1 |
| 360 | 7T0473 | • RING - MATING | aa-al | 1 |
| 360A | 7T0273 | • RING - MATING | aa-al | 1 |
| 360B | 4T0233 | • RING - INTERCH. CONTROL DWG | aa-al | 1 |
| -360C | 7T0273 | • RING - MATING | ad-al | REF |
| -360D | 7T0453 | • RING - MATING | ad-al | REF |
| -360E | 7T0473 | • RING - MATING | ad-al | REF |
| 400 | 4T0121 | • BEARING - ROLLER A3460 PRE SBE72-0645 | aa-al | 1 |
| 400A | 4T0120 | • BEARING - ROLLER A3460 PRE SBE72-0645 | aa-al | 1 |
| -400B | 4T0121 | • BEARING - ROLLER A3460 PRE SBE72-0645 | aa-al | REF |
| -400C | 4T0123 | • BEARING - ROLLER A3460 PRE SBE72-0645 | aa-al | REF |
| 400D | 4T0120 | • BEARING - ROLLER A3460 PRE SBE72-0645 | aa-al | 1 |
| -400E | 4T0121 | • BEARING - ROLLER A3460 PRE SBE72-0645 | aa-al | REF |
| -400F | 4T0123 | • BEARING - ROLLER A3460 PRE SBE72-0645 | aa-al | REF |
| -400G | 4T0124 | • BEARING - ROLLER A3460 PRE SBE72-0645 | aa-al | REF |
| -400H | 4T0122 | • BEARING - ROLLER A3460 PRE SBE72-0645 | aa-al | REF |
| -400I | 4T0119 | • BEARING - ROLLER POST SBE72-0645 | am | REF |
| 410 | 4P0310 | • SHROUD A3460 | af-al | 1 |
| 420 | 4W0002 | • NUT, SELF LOCKING DBL HEX - .250 DIA | aa-ai | 3 |
| 420A | 4W0165 | • BOLT, MACHINE DOUBLE HEX - .250 DIA X .688 | aj-al | 3 |
| 440 | 4P0011 | • GEAR - HYDRAULIC PUMP DRIVE | aa-al | 1 |
| 460 | 4B0192 | • HOUSING - HYDRAULIC PUMP, ASSEMBLY OF | aa-af | 1 |
| 460A | 4B0313 | • HOUSING - HYDRAULIC PUMP, ASSEMBLY OF A3460 | ag-aj | 1 |
| 460B | 4B0350 | • HOUSING - HYDRAULIC PUMP, ASSEMBLY OF A3460 | ag-aj | 1 |
| 460C | 4B0372 | • HOUSING - HYDRAULIC PUMP, ASSEMBLY OF A3460 | ag-al | 1 |
| 461 | 4L0006 | • • BUSHING - ,(VRS5030) A3460 | ***** | 1 |
| 462 | 4L0011 | • • BUSHING - ,(VRS5038) A3460 | ***** | 1 |
| 463 | 4L0012 | • • BUSHING - ,(VRS5040) A3460 | ***** | 1 |
| 464 | 4L0022 | • • BUSHING - ,(VRS5260) A3460 | ***** | 1 |
| 465 | 4L0023 | • • BUSHING - ,(VRS5261) A3460 | ***** | 1 |
| 480 | 4P0114 | • • SLEEVE - DUCT OIL | aa-al | 1 |
| 500 | 4P0040 | • • INSERT | aa-ai | 3 |
| 500A | 1518M33P01 | • • INSERT - SCREW THREAD 07482 | aj | 3 |
| 500B | 4T0318 | • • INSERT - SCREW THREAD A3460 | aj-al | 3 |
| 520 | MS51990E106P | • • RING - LOCKING 96906 | aa-al | 3 |
| 540 | MS51991E206L | • • INSERT - SCREW 96906 | aa-al | 3 |
| 560 | MS51990E105P | • • RING - LOCKING 96906 | aa-ai | 3 |
| 580 | MS51551C205-9 | • • STUD 96906 | aa-ai | 3 |
| 580A | MS21209F4-20L | • • INSERT 96906 | aj-al | 3 |
| 620 | 4B0247 | • SHROUD | aa-ae | 1 |
| 620A | 4P0311 | • SHROUD A3460 | af-al | 1 |
| 640 | 4T0071 | • BEARING - ROLLER PRE SBE72-0645 | aa-al | 1 |
| 640A | 4T0070 | • BEARING - ROLLER PRE SBE72-0645 | aa-al | 1 |
| -640B | 4T0071 | • BEARING - ROLLER PRE SBE72-0645 | aa-al | REF |
| -640C | 4T0073 | • BEARING - ROLLER PRE SBE72-0645 | aa-al | REF |
| 640D | 4T0070 | • BEARING - ROLLER PRE SBE72-0645 | aa-al | 1 |
| -640E | 4T0071 | • BEARING - ROLLER PRE SBE72-0645 | aa-al | REF |
| -640F | 4T0073 | • BEARING - ROLLER PRE SBE72-0645 | aa-al | REF |
| -640G | 4T0074 | • BEARING - ROLLER A3460 PRE SBE72-0645 | aa-al | REF |
| -640H | 4T0075 | • BEARING - ROLLER A3460 PRE SBE72-0645 | aa-al | REF |
| -640I | 4T0076 | • BEARING, ROLLER POST SBE72-0645 | am | REF |
| 660 | 4W0002 | • NUT, SELF LOCKING DBL HEX - .250 DIA | aa-al | 3 |
| - ITEM NOT ILLUSTRATED, ***** EFFECTIVITY NOT AVAILABLE | ||||
Figure: ENGINE-HYDRAULIC PUMP DRIVE GEAR ASSEMBLY
ENGINE-HYDRAULIC PUMP DRIVE GEAR ASSEMBLY

