DMC:V2500-A1-72-60-43-01A-941A-AIssue No:002.00Issue Date:2018-08-01
Export Control
EAR Export Classification: Not subject to the EAR per 15 C.F.R. Chapter 1, Part 734.3(b)(3), except for the following Service Bulletins which are currently published as EAR Export Classification 9E991: SBE70-0992, SBE72-0483, SBE72-0580, SBE72-0588, SBE72-0640, SBE73-0209, SBE80-0024 and SBE80-0025.Copyright
© IAE International Aero Engines AG (2001, 2014 - 2021) The information contained in this document is the property of © IAE International Aero Engines AG and may not be copied or used for any purpose other than that for which it is supplied without the express written authority of © IAE International Aero Engines AG. (This does not preclude use by engine and aircraft operators for normal instructional, maintenance or overhaul purposes.).Applicability
All
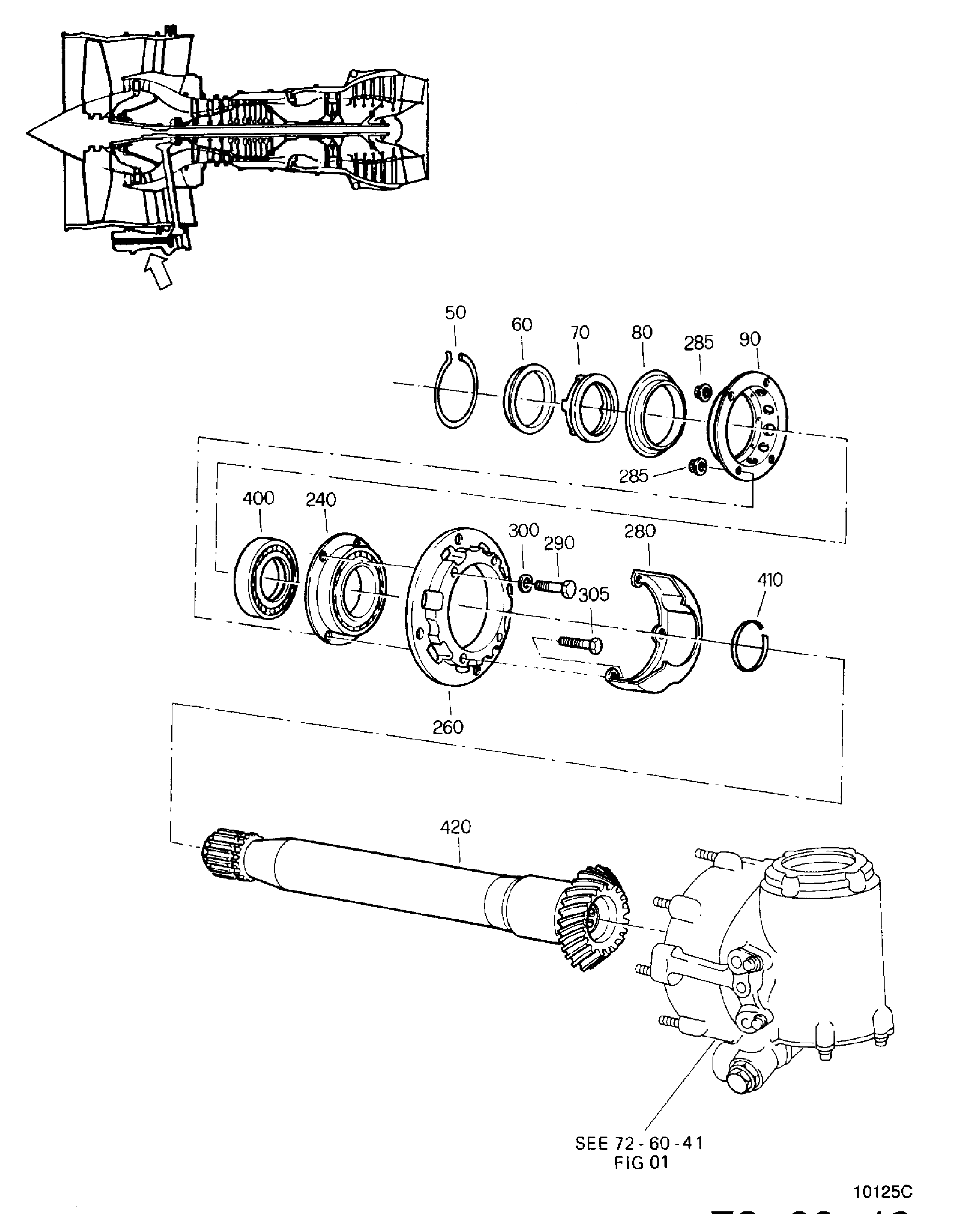
| Fig. Item | Part No. | Description | Effect/Model Applic. | UPA |
|---|---|---|---|---|
| 01 | ||||
| B72604301 | ANGLE GEARBOX DRIVEN GEAR AND LAYSHAFT ASSEMBLY, PRE SBE70-0095 | aa | ||
| SBE0095-01 | ANGLE GEARBOX DRIVEN GEAR AND LAYSHAFT ASSEMBLY, PRE SBE72-0414 | ab | ||
| SBE0414-01 | ANGLE GEARBOX DRIVEN GEAR AND LAYSHAFT ASSEMBLY, PRE SBE70-0948 | ac | ||
| SBE0948-01 | ANGLE GEARBOX DRIVEN GEAR AND LAYSHAFT ASSEMBLY | ad | ||
| SBE0645-01 | ANGLE GEARBOX DRIVEN GEAR AND LAYSHAFT ASSEMBLY | ae | ||
| 050 | 4T0206 | • SEGMENT | aa-ad | 1 |
| 060 | 4T0205 | • WASHER - LOCK | aa-ad | 1 |
| 070 | 4T0204 | • NUT - 2.375 DIA | aa-ad | 1 |
| 080 | 4P0018 | • DIAPHRAGM | aa-ad | 1 |
| 090 | 4B0019 | • HOUSING - BEARING BALL, ASSEMBLY OF | aa-ad | 1 |
| 240 | 4T0171 | • BEARING - ROLLER PRE SBE70-0095 PRE SBE72-0645 | aa | 1 |
| 240A | 4T0170 | • BEARING - ROLLER POST SBE70-0095 PRE SBE72-0414 PRE SBE72-0645 | ab | 1 |
| -240B | 4T0171 | • BEARING - ROLLER POST SBE70-0095 PRE SBE72-0414 PRE SBE72-0645 | ab | REF |
| -240C | 4T0173 | • BEARING - ROLLER POST SBE70-0095 PRE SBE72-0414 PRE SBE72-0645 | ab | REF |
| 240D | 4T0170 | • BEARING - ROLLER POST SBE72-0414 PRE SBE70-0948 PRE SBE72-0645 | ac | 1 |
| -240E | 4T0171 | • BEARING - ROLLER POST SBE72-0414 PRE SBE72-0414 PRE SBE72-0645 | ac-ad | REF |
| -240F | 4T0173 | • BEARING - ROLLER POST SBE72-0414 PRE SBE72-0414 PRE SBE72-0645 | ac-ad | REF |
| -240G | 4T0174 | • BEARING - ROLLER A3460 POST SBE72-0414 PRE SBE72-0414 PRE SBE72-0645 | ac-ad | REF |
| 240H | 4T0170 | • BEARING - ROLLER POST SBE70-0948 PRE SBE72-0645 | ad | 1 |
| -240J | 4T0171 | • BEARING - ROLLER POST SBE70-0948 PRE SBE72-0645 | ad | REF |
| -240K | 4T0173 | • BEARING - ROLLER POST SBE70-0948 PRE SBE72-0645 | ad | REF |
| -240L | 4T0174 | • BEARING - ROLLER A3460 POST SBE70-0948 PRE SBE72-0645 | ad | REF |
| -240M | 4T0175 | • BEARING - ROLLER A3460 POST SBE70-0948 PRE SBE72-0645 | ad | REF |
| -240N | 4T0176 | • BEARING - ROLLER A3460 POST SBE72-0645 | ae | REF |
| 260 | 4P0020 | • SUPPORT - BEARING | aa-ad | 1 |
| 280 | 4B0133 | • SHROUD - OIL BEVEL GEAR, ASSEMBLY OF | aa-ad | 1 |
| 285 | 4W0002 | • NUT - 0.250 DIA | aa-ad | 4 |
| 290 | 4W1253 | • BOLT - 0.250 DIA X 1.188 | aa-ad | 1 |
| 300 | MS9321-10 | • WASHER - FLAT, 0.500 X 0.276 X 0.062 96906 | aa-ad | 1 |
| 305 | 4P0213 | • BOLT | aa-ad | 3 |
| 400 | 4T0021 | • BEARING - BALL PRE SBE70-0095 PRE SBE72-0645 | aa | 1 |
| 400A | 4T0020 | • BEARING - ROLLER POST SBE70-0095 PRE SBE72-0414 PRE SBE72-0645 | ab | 1 |
| -400B | 4T0021 | • BEARING - BALL POST SBE70-0095 PRE SBE72-0414 PRE SBE72-0645 | ab | REF |
| -400C | 4T0023 | • BEARING POST SBE70-0095 PRE SBE72-0414 PRE SBE72-0645 | ab | REF |
| 400D | 4T0020 | • BEARING - ROLLER POST SBE72-0414 PRE SBE70-0948 PRE SBE72-0645 | ac | 1 |
| -400E | 4T0021 | • BEARING - BALL POST SBE72-0414 PRE SBE72-0414 PRE SBE72-0645 | ac-ad | REF |
| -400F | 4T0023 | • BEARING POST SBE72-0414 PRE SBE72-0414 PRE SBE72-0645 | ac-ad | REF |
| -400G | 4T0024 | • BEARING - BALL A3460 POST SBE72-0414 PRE SBE72-0414 PRE SBE72-0645 | ac-ad | REF |
| 400H | 4T0020 | • BEARING - ROLLER POST SBE70-0948 PRE SBE72-0645 | ad | 1 |
| -400J | 4T0021 | • BEARING - BALL POST SBE70-0948 PRE SBE72-0645 | ad | REF |
| -400K | 4T0023 | • BEARING POST SBE70-0948 PRE SBE72-0645 | ad | REF |
| -400L | 4T0024 | • BEARING - BALL A3460 POST SBE70-0948 PRE SBE72-0645 | ad | REF |
| -400M | 4T0025 | • BEARING - ROLLER A3460 POST SBE70-0948 PRE SBE72-0645 | ad | REF |
| -400N | 4T0026 | • BEARING - BALL A3460 POST SBE72-0645 | ae | REF |
| 410 | AS3215-128 | • RING - RETAINING U1653 | aa-ad | 1 |
| 420 | 4P0224 | • GEARSHAFT - BEVEL | aa-ad | 1 |
| - ITEM NOT ILLUSTRATED, ***** EFFECTIVITY NOT AVAILABLE | ||||
Figure: ANGLE GEARBOX DRIVEN GEAR AND LAYSHAFT ASSEMBLY
Angle Gearbox Driven Gear

