DMC:V2500-A1-73-22-35-01A-941A-DIssue No:001.00Issue Date:2014-05-01
Export Control
EAR Export Classification: Not subject to the EAR per 15 C.F.R. Chapter 1, Part 734.3(b)(3), except for the following Service Bulletins which are currently published as EAR Export Classification 9E991: SBE70-0992, SBE72-0483, SBE72-0580, SBE72-0588, SBE72-0640, SBE73-0209, SBE80-0024 and SBE80-0025.Copyright
© IAE International Aero Engines AG (2001, 2014 - 2021) The information contained in this document is the property of © IAE International Aero Engines AG and may not be copied or used for any purpose other than that for which it is supplied without the express written authority of © IAE International Aero Engines AG. (This does not preclude use by engine and aircraft operators for normal instructional, maintenance or overhaul purposes.).Applicability
All
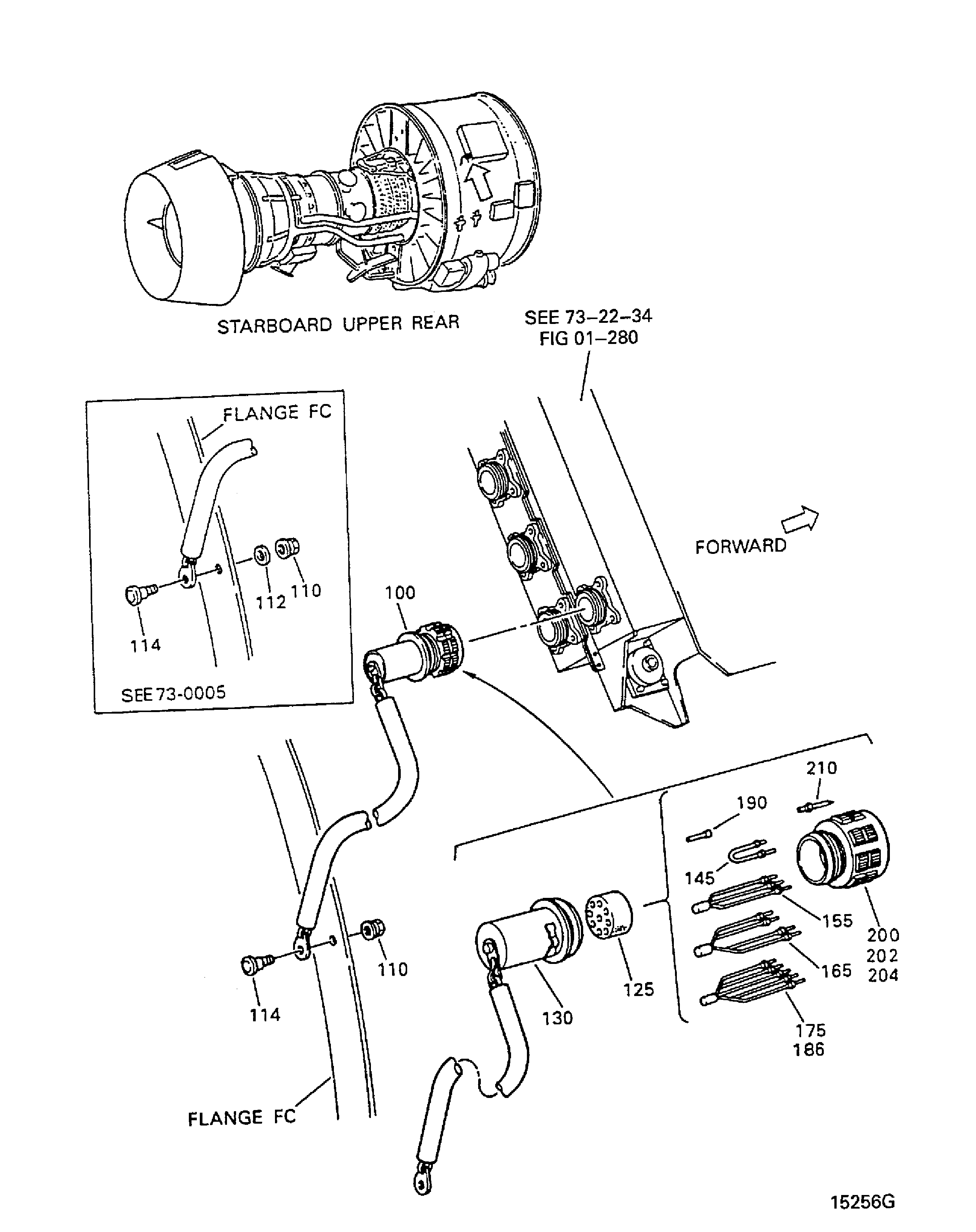
| Fig. Item | Part No. | Description | Effect/Model Applic. | UPA |
|---|---|---|---|---|
| 01 | ||||
| B73223501 | DATA ENTRY PLUG ASSY, PRE SBE73-0005 | aa | ||
| SBE0005-01 | DATA ENTRY PLUG ASSY, PRE SBE72-0044 | ab | ||
| SBE0044-01 | DATA ENTRY PLUG ASSY, PRE SBE73-0015 | ac | ||
| SBE0015-01 | DATA ENTRY PLUG ASSY, PRE SBE73-0029 | ad | ||
| SBE0029-01 | DATA ENTRY PLUG ASSY, PRE SBE70-0929 | ae | ||
| SBE0929-01 | DATA ENTRY PLUG ASSY, PRE SBE70-0994 | af | ||
| SBE0994-01 | DATA ENTRY PLUG ASSY | ag | ||
| 100 | 5A9298 | • PLUG - A/O DATA ENTRY PRE SBE72-0044 | aa-ab | 1 |
| 100A | 5A0357 | • PLUG - ASSY,DATA ENTRY POST SBE72-0044 PRE SBE73-0015 | ac | 1 |
| 100B | 5A0432 | • DATA - ENTRY PLUG ASSY POST SBE73-0015 PRE SBE73-0029 | ad | 1 |
| 100C | 5A0431 | • DATA - ENTRY PLUG ASSY POST SBE73-0015 PRE SBE73-0029 | ad | 1 |
| 100D | 2A2309 | • KIT - ASSY DATA ENTRY PLUG POST SBE73-0029 PRE SBE70-0929 | ae-ag | 1 |
| 100E | 2A2309 | • KIT - ASSY POST SBE70-0929 | ae-ag | 1 |
| 110 | ST1093-08 | • COLLAR 77445 | aa-ag | 1 |
| 110A | ST1093-08 | • COLLAR 77445 POST SBE73-0029 | ae-ag | 1 |
| 112 | 4W2622 | • WASHER POST SBE73-0005 PRE SBE73-0029 | ab-ag | 1 |
| 112A | 4W2622 | • WASHER POST SBE73-0029 | ab-ag | 1 |
| 114 | HL12V8-4 | • PIN 73197 | aa-ag | 1 |
| 114A | HL12V8-4 | • PIN 73197 POST SBE73-0029 | ae-ag | 1 |
| -120 | MS20995C20 | • • WIRE - LOCKING 96906 PRE SBE73-0029 | aa-ag | 1 |
| -120A | 4W2627 | • • WIRE Optional Part 4W2627 POST SBE73-0029 | aa-ag | 1 |
| 125 | 20-32431-1 | • • PAD - RUBBER,ANTI VIBRATION 0ABG9 | aa-ag | 1 |
| 125A | 2A2308 | • • RUBBER - ANTI VIBRATION POST SBE73-0029 | ae-ag | 1 |
| 130 | 20-32432-1 | • • CLAMP - BACKSHELL,ASSY 0ABG9 PRE SBE72-0044 | aa-ab | 1 |
| 130A | 20-32432-2 | • • BACKSHLL - ASSY POST SBE72-0044 | ac-ag | 1 |
| 130B | 2A2303 | • • BACKSHLL - ASSY POST SBE73-0029 | ae-ag | 1 |
| 145 | 20-32999-2 | • • LEAD - JUMPER,A/O 0ABG9 PRE SBE73-0029 | aa-ag | 1 |
| 145A | 20-32999-2 | • • LEAD - JUMPER,A/O 0ABG9 POST SBE73-0029 | aa-ag | 1 |
| 145B | 2A2315 | • • LEAD - ELECTRICAL, (VENDOR P/N HAA18704 POST SBE73-0029 | aa-ag | 1 |
| 155 | 20-32999-3 | • • LEAD - JUMPER,A/O 0ABG9 PRE SBE73-0029 | aa-ag | 1 |
| 155A | 2A2304 | • • LEAD - ELECTRICAL, (VENDOR P/N HAA19931 POST SBE73-0029 | aa-ag | 1 |
| 165 | 20-32999-4 | • • LEAD - JUMPER,A/O 0ABG9 PRE SBE73-0029 | aa-ad | 1 |
| 165A | 2A2305 | • • LEAD - ELECTRICAL, (VENDOR P/N HAA19932 POST SBE73-0029 | ae-ag | 1 |
| 175 | 20-32999-5 | • • LEAD - JUMPER,A/O 0ABG9 PRE SBE73-0029 | aa-ad | 1 |
| 175A | 2A2306 | • • LEAD - ELECTRICAL, (VENDOR P/N HAA19933 POST SBE73-0029 | ae-ag | 1 |
| 190 | MS27488-20 | • • PLUG - SEALING 96906 PRE SBE73-0029 | aa-ag | 1 |
| 190A | MS27488-20 | • • PLUG - SEALING 96906 POST SBE73-0029 PRE SBE70-0929 | aa-ag | 1 |
| 190B | MS27488-20-1 | • • PLUG - SEALING 96906 POST SBE70-0929 PRE SBE70-0994 | aa-ag | 1 |
| 190C | 2A4288 | • • PLUG 77445 ALT MS27488-20-1 POST SBE70-0994 | aa-ag | 1 |
| -190D | MS27488-20-1 | • • PLUG - SEALING 96906 ALT MS27488-20-2 POST SBE70-0994 | aa-ag | REF |
| -190E | MS27488-20-2 | • • PLUG - SEALING 96906 ALT 2A4288 POST SBE70-0994 | aa-ag | REF |
| 200 | T3K1221-41PC | • • CONNECTR 49367 PRE SBE73-0029 | aa-ad | 1 |
| 200A | 2A2307 | • • CONNECTR ALT 2A2313 | aa-ag | 1 |
| 200B | 2A2313 | • • CONNECTR ALT 2A2314 | aa-ag | 1 |
| 200C | 2A2314 | • • CONNECTR - OPTION POST SBE73-0029 | aa-ag | 1 |
| 202 | 2A2307 | • • • CONNECTR - PLUG POST SBE73-0029 | ae-ag | 1 |
| 204 | 2A2313 | • • • CONNECTR - PLUG POST SBE73-0029 | ae-ag | 1 |
| 210 | 5A9288 | • • CONTACT POST SBE72-0044 PRE SBE73-0029 | ac-ag | 1 |
| 210A | 2A2324 | • • CONTACT POST SBE73-0029 | ac-ag | 1 |
| - ITEM NOT ILLUSTRATED, ***** EFFECTIVITY NOT AVAILABLE | ||||
Figure: DATA ENTRY PLUG ASSY
DATA ENTRY PLUG ASSEMBLY

