DMC:V2500-A1-75-22-49-17A-941A-DIssue No:001.00Issue Date:2014-05-01
Export Control
EAR Export Classification: Not subject to the EAR per 15 C.F.R. Chapter 1, Part 734.3(b)(3), except for the following Service Bulletins which are currently published as EAR Export Classification 9E991: SBE70-0992, SBE72-0483, SBE72-0580, SBE72-0588, SBE72-0640, SBE73-0209, SBE80-0024 and SBE80-0025.Copyright
© IAE International Aero Engines AG (2001, 2014 - 2021) The information contained in this document is the property of © IAE International Aero Engines AG and may not be copied or used for any purpose other than that for which it is supplied without the express written authority of © IAE International Aero Engines AG. (This does not preclude use by engine and aircraft operators for normal instructional, maintenance or overhaul purposes.).Applicability
All
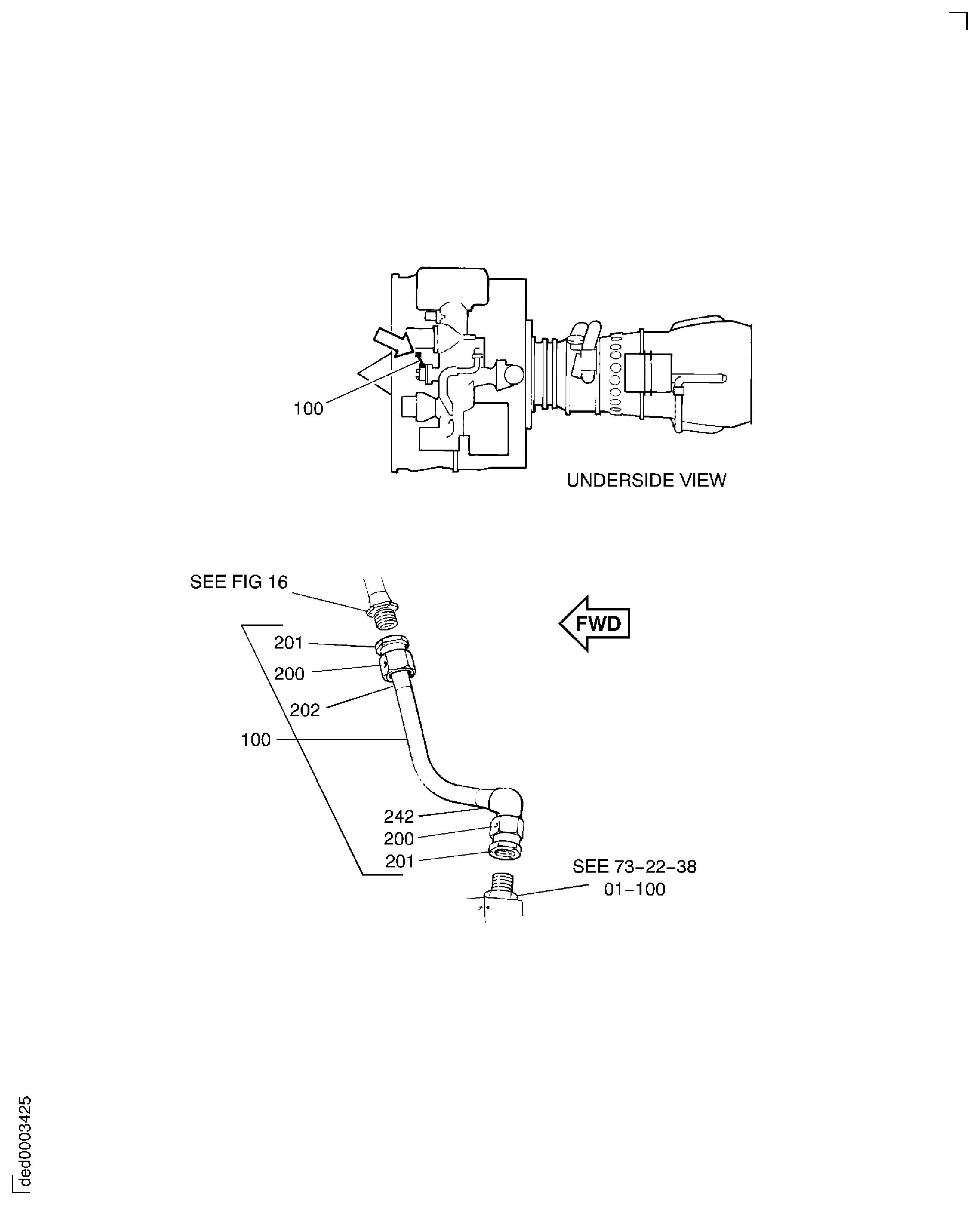
| Fig. Item | Part No. | Description | Effect/Model Applic. | UPA |
|---|---|---|---|---|
| 17 | ||||
| B75224917 | AIR-BEARING COMPARTMENT COOLING & SEALING TUBES, PRE SBE75-0010 | aa | ||
| SBE0010-01 | AIR-BEARING COMPARTMENT COOLING & SEALING TUBES | ab | ||
| 100 | 6A2159 | • TUBE - ASSY OF, COOLING AIR POST SBE75-0010 | ab | 1 |
| 200 | AS15781 | • • WIRE - THRUST U1653 POST SBE75-0010 | ab | 1 |
| 201 | AS15705 | • • NUT - TUBE COUPLING U1653 POST SBE75-0010 | ab | 1 |
| 202 | AS15730 | • • FERRULE - WELDING TUBE U1653 POST SBE75-0010 | ab | 1 |
| 242 | LK53575 | • • FERRULE POST SBE75-0010 | ab | 1 |
| - ITEM NOT ILLUSTRATED, ***** EFFECTIVITY NOT AVAILABLE | ||||
Figure: AIR-BEARING COMPARTMENT COOLING & SEALING TUBES
BEARING COMPARTMENT COOLING

