DMC:V2500-A1-75-32-42-01A-941A-DIssue No:001.00Issue Date:2014-05-01
Export Control
EAR Export Classification: Not subject to the EAR per 15 C.F.R. Chapter 1, Part 734.3(b)(3), except for the following Service Bulletins which are currently published as EAR Export Classification 9E991: SBE70-0992, SBE72-0483, SBE72-0580, SBE72-0588, SBE72-0640, SBE73-0209, SBE80-0024 and SBE80-0025.Copyright
© IAE International Aero Engines AG (2001, 2014 - 2021) The information contained in this document is the property of © IAE International Aero Engines AG and may not be copied or used for any purpose other than that for which it is supplied without the express written authority of © IAE International Aero Engines AG. (This does not preclude use by engine and aircraft operators for normal instructional, maintenance or overhaul purposes.).Applicability
All
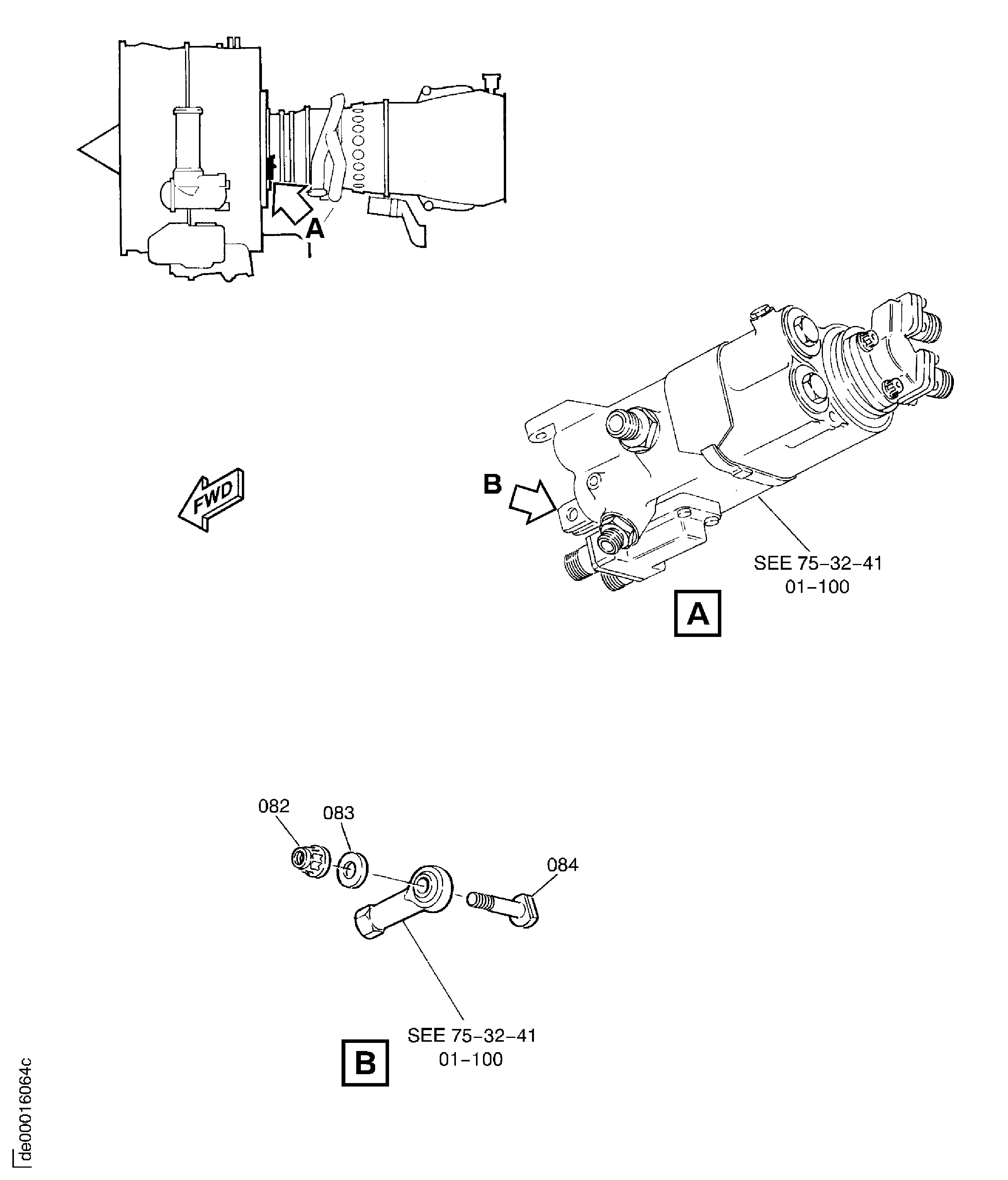
| Fig. Item | Part No. | Description | Effect/Model Applic. | UPA |
|---|---|---|---|---|
| 01 | ||||
| B75324201 | HP COMP VARIABLE STATOR VANE ACTUATOR LINKAGE | aa | ||
| 082 | 4W0004 | • NUT - .375 DIA Optional Part 4W0004 | aa | 1 |
| 083 | 4W2624 | • WASHER Optional Part 4W2624 | aa | 2 |
| 084 | AS26423 | • BOLT - CLOSE TOL DEE HEAD, .375DIA X 1.438 U1653 | aa | 2 |
| - ITEM NOT ILLUSTRATED, ***** EFFECTIVITY NOT AVAILABLE | ||||
Figure: HP COMP VARIABLE STATOR VANE ACTUATOR LINKAGE
HP COMPRESSOR VARIABLE STATOR

