DMC:V2500-A1-78-32-76-02A-941A-DIssue No:001.00Issue Date:2014-05-01
Export Control
EAR Export Classification: Not subject to the EAR per 15 C.F.R. Chapter 1, Part 734.3(b)(3), except for the following Service Bulletins which are currently published as EAR Export Classification 9E991: SBE70-0992, SBE72-0483, SBE72-0580, SBE72-0588, SBE72-0640, SBE73-0209, SBE80-0024 and SBE80-0025.Copyright
© IAE International Aero Engines AG (2001, 2014 - 2021) The information contained in this document is the property of © IAE International Aero Engines AG and may not be copied or used for any purpose other than that for which it is supplied without the express written authority of © IAE International Aero Engines AG. (This does not preclude use by engine and aircraft operators for normal instructional, maintenance or overhaul purposes.).Applicability
All
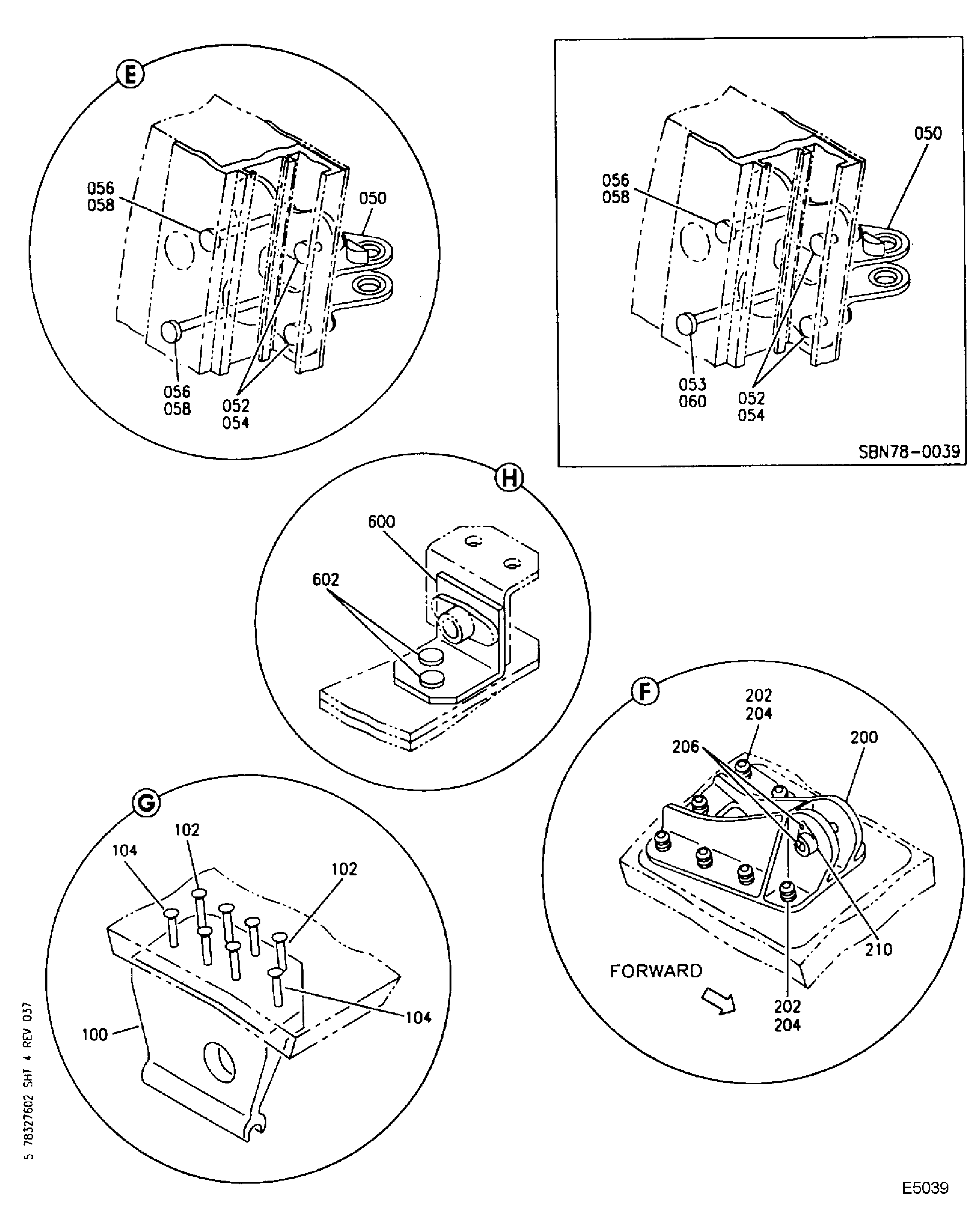
| Fig. Item | Part No. | Description | Effect/Model Applic. | UPA |
|---|---|---|---|---|
| 02 | ||||
| B78327602 | EXHAUST-RIGHT TRANSLATING COWL | aa | ||
| 010 | 740-0041-516 | • HINGE - BLOCKER DOOR,(VRS2088) 51563 POST SBN70-0177 | ***** | 5 |
| 014 | HL10V6-8 | • PIN 73197 | aa | 10 |
| 030 | 740-0041-518 | • HINGE - BLOCKER DOOR,(VRS2088) 51563 POST SBN70-0177 | ***** | 4 |
| - ITEM NOT ILLUSTRATED, ***** EFFECTIVITY NOT AVAILABLE | ||||
Figure: EXHAUST-RIGHT TRANSLATING COWL
RIGHT TRANSLATING COWL EXHAUST

RIGHT TRANSLATING COWL EXHAUST

RIGHT TRANSLATING COWL EXHAUST

RIGHT TRANSLATING COWL EXHAUST

