DMC:V2500-A5-71-00-20-01A-941A-DIssue No:003.00Issue Date:2016-05-01
Export Control
EAR Export Classification: Not subject to the EAR per 15 C.F.R. Chapter 1, Part 734.3(b)(3), except for the following Service Bulletins which are currently published as EAR Export Classification 9E991: SBE70-0992, SBE72-0483, SBE72-0580, SBE72-0588, SBE72-0640, SBE73-0209, SBE80-0024 and SBE80-0025.Copyright
© IAE International Aero Engines AG (2001, 2014 - 2021) The information contained in this document is the property of © IAE International Aero Engines AG and may not be copied or used for any purpose other than that for which it is supplied without the express written authority of © IAE International Aero Engines AG. (This does not preclude use by engine and aircraft operators for normal instructional, maintenance or overhaul purposes.).Applicability
V2500-A5
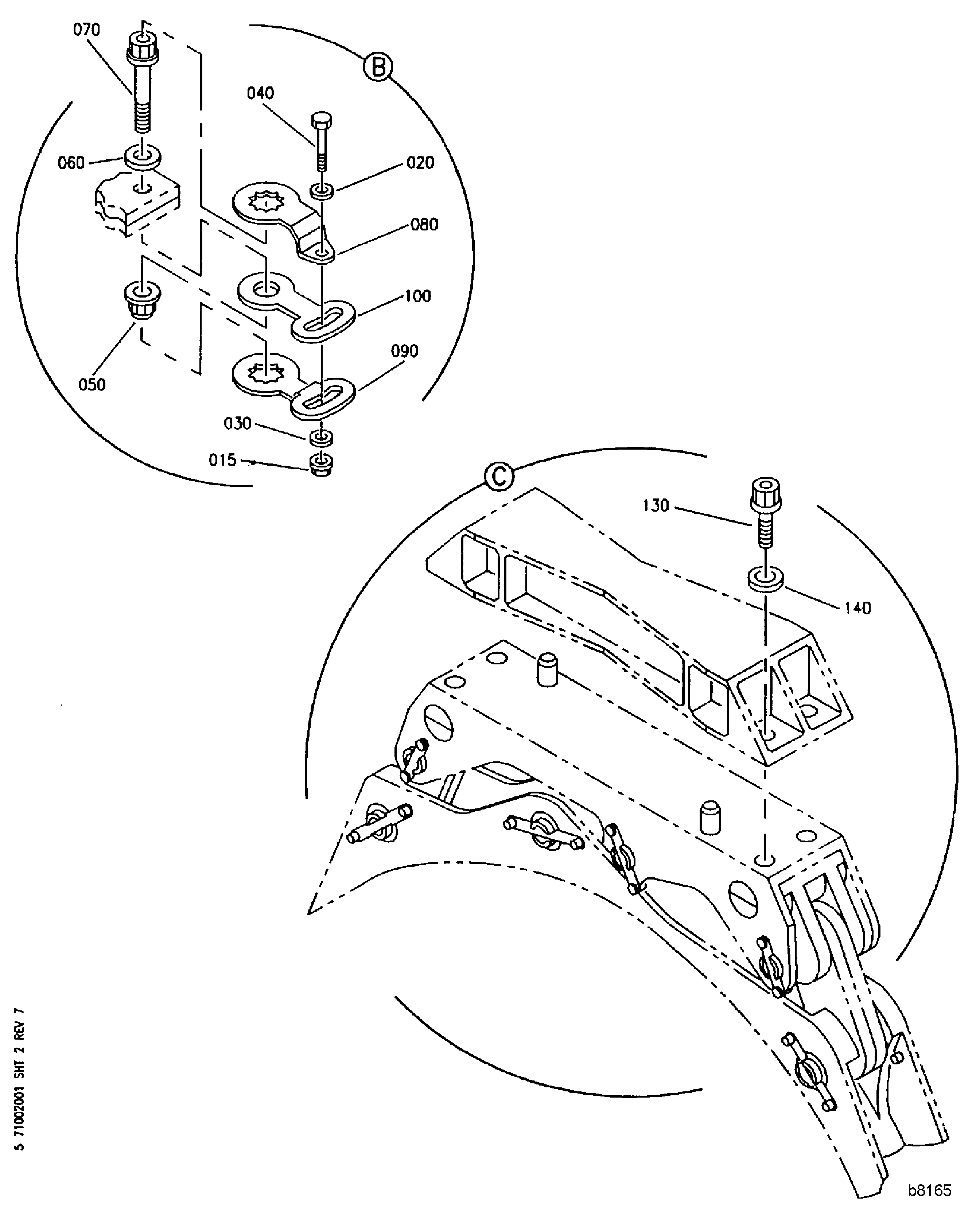
| Fig. Item | Part No. | Description | Effect/Model Applic. | UPA | |
|---|---|---|---|---|---|
| 01 | |||||
| - | B71002001 | POWER PLANT-DEMOUNTABLE, PRE SBN71-0210 | aa | ||
| - | SBN0210-01 | POWER PLANT-DEMOUNTABLE, PRE SBN70-0614 | ab | ||
| - | SBN0614-01 | POWER PLANT-DEMOUNTABLE | ac | ||
| -001 | 745-6001-501 | • DRAWING, PLANT ASSY, DEMOUNTABLE PWR 51563 | aa-ac/05 | REF | |
| -001A | 745-6001-505 | • DRAWING, PLANT ASSY 51563 POST SBN71-0210 | ab-ac/05 | REF | |
| -001B | 745-6001-503 | • SHIELD, HEAT HPV & PRV 51563 POST SBN70-0614 | aa/03 | REF | |
| -001B | 745-6001-563 | • DEMOUNTABLE POWER PLANT 51563 | aa-ac/05 | REF | |
| -001C | 745-6001-565 | • DEMOUNTABLE POWER PLANT 51563 | aa-ac/05 | REF | |
| -001D | 745-6001-567 | • DEMOUNTABLE POWER PLANT 51563 | aa-ac/05 | REF | |
| -001E | 745-6001-569 | • DEMOUNTABLE POWER PLANT 51563 | aa-ac/05 | REF | |
| -001F | 745-6001-571 | • DEMOUNTABLE POWER PLANT 51563 | aa-ac/05 | REF | |
| -001G | 745-6001-573 | • DEMOUNTABLE POWER PLANT 51563 | aa-ac/05 | REF | |
| -001H | 745-6001-575 | • DEMOUNTABLE POWER PLANT 51563 | aa-ac/05 | REF | |
| 050 | X | VN401B144 | • NUT 92215 | aa-ac/05 | 4 |
| 060 | X | VN936NP14C | • WASHER 92215 | aa-ac/05 | 5 |
| 070 | X | 275B0314-17 | • BOLT 51563 | aa-ac/05 | 4 |
| 110 | X | 275B0314-74H | • BOLT 51563 | aa-ac/05 | 1 |
| 130 | X | 275B0316-14H | • BOLT 51563 | aa-ac/05 | 4 |
| - ITEM NOT ILLUSTRATED, ***** EFFECTIVITY NOT AVAILABLE | |||||
Figure: Demountable Power Plant
Demountable Power Plant

Demountable Power Plant

