Export Control
EAR Export Classification: Not subject to the EAR per 15 C.F.R. Chapter 1, Part 734.3(b)(3), except for the following Service Bulletins which are currently published as EAR Export Classification 9E991: SBE70-0992, SBE72-0483, SBE72-0580, SBE72-0588, SBE72-0640, SBE73-0209, SBE80-0024 and SBE80-0025.Copyright
© IAE International Aero Engines AG (2001, 2014 - 2021) The information contained in this document is the property of © IAE International Aero Engines AG and may not be copied or used for any purpose other than that for which it is supplied without the express written authority of © IAE International Aero Engines AG. (This does not preclude use by engine and aircraft operators for normal instructional, maintenance or overhaul purposes.).Applicability
V2500-A5
Common Information
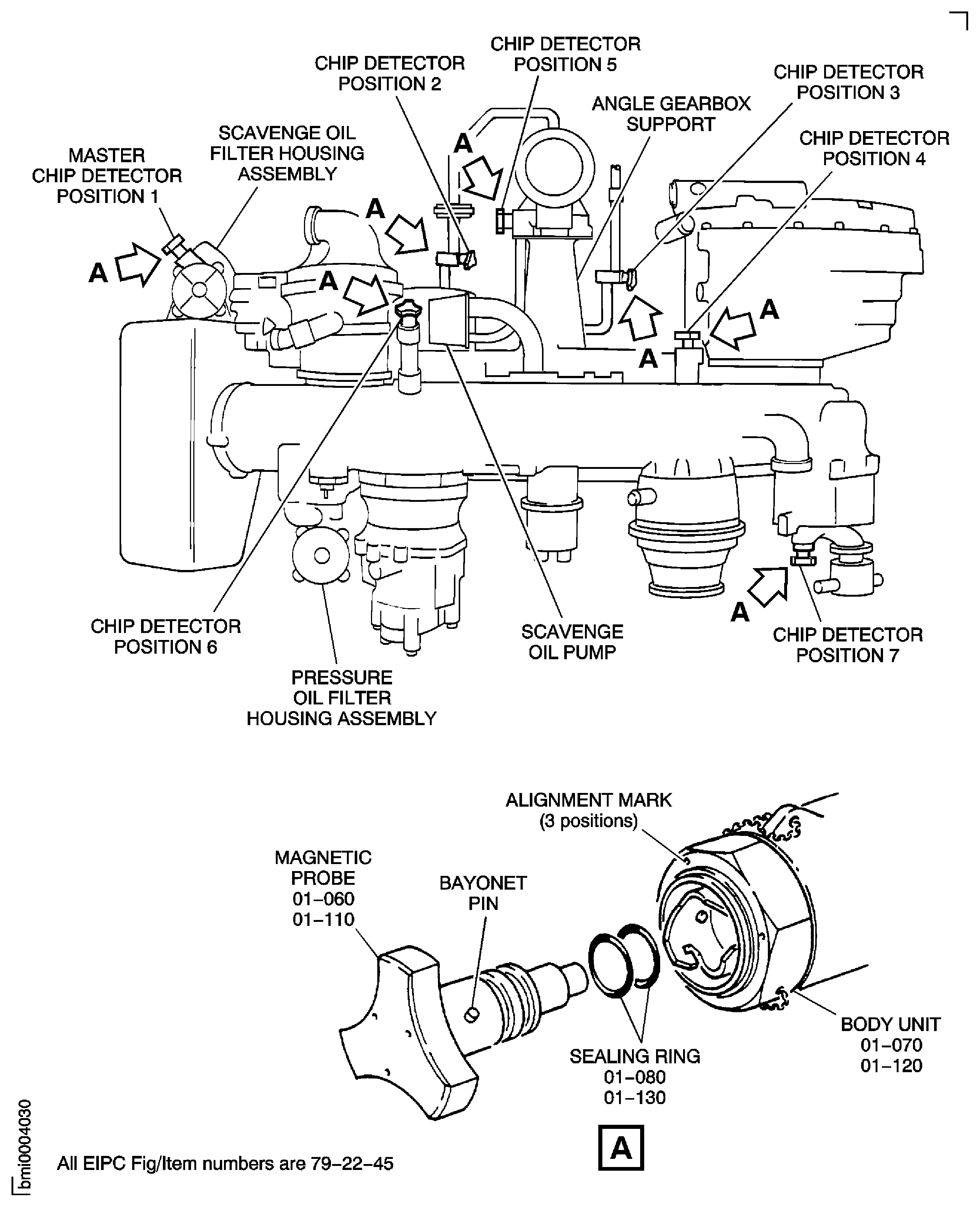
TASK 72-00-00-450-001-B00 Engine General - Install The Magnetic Chip Detector (MCD) Probes, Installation-001
General
Fig/item number in parentheses in the procedure agree with those used in the IPC. Only the primary Fig/item numbers are used.
To identify, lubricate and install packing refer to the SPM TASK 70-44-01-400-501.
NOTE
Preliminary Requirements
Pre-Conditions
NONESupport Equipment
NONEConsumables, Materials and Expendables
| Name | Manufacturer | Part Number / Identification | Quantity | Remark |
|---|---|---|---|---|
| CoMat 10-077 APPROVED ENGINE OILS | LOCAL | CoMat 10-077 |
Spares
| Name | Manufacturer | Part Number / Identification | Quantity | Remark |
|---|---|---|---|---|
| Sealing Ring | AR | |||
| Sealing Ring | AR | |||
| Sealing Ring | AR | |||
| Sealing Ring | AR |
Safety Requirements
NONEProcedure
Refer to Figure.
Lightly lubricate two new sealing rings (Magnetic Chip Detector (79-22-45, 01-080) and Magnetic Chip Detector (79-22-45, 01-130)) with CoMat 10-077 APPROVED ENGINE OILS. Put the sealing rings on the MCD probe (Magnetic Chip Detector (79-22-45, 01-060) and Magnetic Chip Detector (79-22-45, 01-110)).
Carefully put the MCD probe in to the body unit (Magnetic Chip Detector (79-22-45, 01-070) and Magnetic Chip Detector (79-22-45, 01-120)). At the same time align the bayonet pins with the slots in the body unit.
NOTE
The spring pressure will keep the MCD probe in position.Push the MCD probe into the body unit (Magnetic Chip Detector (79-22-45, 01-070) and Magnetic Chip Detector (79-22-45, 01-120)) and turn it clockwise, until it stops. Release the MCD probe.
Install the MCD probe (Magnetic Chip Detector (79-22-45, 01-060) and Magnetic Chip Detector (79-22-45, 01-110)) at position 1:
SUBTASK 72-00-00-450-063-A00 Install the Master MCD Probe (Pre SBE 70-0628)
Refer to Figure.
Lightly lubricate two new sealing rings (Magnetic Chip Detector (79-22-45, 01-130), Magnetic Chip Detector (79-22-45, 01-108), Magnetic Chip Detector (79-22-45, 01-080) and Magnetic Chip Detector (79-22-45, 01-053)) with CoMat 10-077 APPROVED ENGINE OILS. Put the sealing rings on the MCD probe (Magnetic Chip Detector (79-22-45, 01-110), Magnetic Chip Detector (79-22-45, 01-106), Magnetic Chip Detector (79-22-45, 01-060) and Magnetic Chip Detector (79-22-45, 01-051)).
Carefully put the MCD probe in to the body unit (Magnetic Chip Detector (79-22-45, 01-120), Magnetic Chip Detector (79-22-45, 01-107), Magnetic Chip Detector (79-22-45, 01-070) and Magnetic Chip Detector (79-22-45, 01-052)). At the same time align the bayonet pins with the slots in the body unit.
NOTE
The spring pressure will keep the MCD probe in position.Push the MCD probe into the body unit (Magnetic Chip Detector (79-22-45, 01-120), Magnetic Chip Detector (79-22-45, 01-107), Magnetic Chip Detector (79-22-45, 01-070) and Magnetic Chip Detector (79-22-45, 01-052)) and turn it clockwise, until it stops. Release the MCD probe.
Install the MCD probe (Magnetic Chip Detector (79-22-45, 01-110), Magnetic Chip Detector (79-22-45, 01-106), Magnetic Chip Detector (79-22-45, 01-060) and Magnetic Chip Detector (79-22-45, 01-051)) at position 1:
SUBTASK 72-00-00-450-063-B00 Install the Master MCD Probe (SBE 70-0628 and Pre SBE 79-0042)
SBE 70-0628: To announce changes to the magnetic chip detector parts called up in the IPC
Refer to Figure.
NOTE
Sealing ring and Omni seal are the part of magnetic probe. Do not remove or replace the sealing ring or omni seal from the new MCD probe.Lightly lubricate new sealing ring (Magnetic Chip Detector (79-22-45, 01-053), Magnetic Chip Detector (79-22-45, 01-080), Magnetic Chip Detector (79-22-45, 01-108) and Magnetic Chip Detector (79-22-45, 01-130)) installed on MCD probe (Magnetic Chip Detector (79-22-45, 01-051), Magnetic Chip Detector (79-22-45, 01-060), Magnetic Chip Detector (79-22-45, 01-106) and Magnetic Chip Detector (79-22-45, 01-118)) with CoMat 10-077 APPROVED ENGINE OILS.
Carefully put the MCD probe in to the body unit (Magnetic Chip Detector (79-22-45, 01-052), Magnetic Chip Detector (79-22-45, 01-070), Magnetic Chip Detector (79-22-45, 01-107) and Magnetic Chip Detector (79-22-45, 01-120)). At the same time align the bayonet pins with the slots in the body unit.
NOTE
The spring pressure will keep the MCD probe in position.Push the MCD probe into the body unit (Magnetic Chip Detector (79-22-45, 01-052), Magnetic Chip Detector (79-22-45, 01-070), Magnetic Chip Detector (79-22-45, 01-107) and Magnetic Chip Detector (79-22-45, 01-120)) and turn it clockwise, until it stops. Release the MCD probe.
Install the MCD probe (Magnetic Chip Detector (79-22-45, 01-051), Magnetic Chip Detector (79-22-45, 01-060), Magnetic Chip Detector (79-22-45, 01-106) and Magnetic Chip Detector (79-22-45, 01-118)) at position 1:
SUBTASK 72-00-00-450-063-C00 Install the Master MCD Probe (SBE 79-0042)
SBE 79-0042: Introduction of a new magnetic chip detector
Figure: Pre SBE 70-0628: Install the MCD Probes
Sheet 1

Figure: SBE 70-0628, Pre SBE 79-0042 and SBE 79-0042 Install the MCD Probes
Sheet 2

