DMC:V2500-A5-72-60-28-01A-941A-DIssue No:003.00Issue Date:2018-08-01
Export Control
EAR Export Classification: Not subject to the EAR per 15 C.F.R. Chapter 1, Part 734.3(b)(3), except for the following Service Bulletins which are currently published as EAR Export Classification 9E991: SBE70-0992, SBE72-0483, SBE72-0580, SBE72-0588, SBE72-0640, SBE73-0209, SBE80-0024 and SBE80-0025.Copyright
© IAE International Aero Engines AG (2001, 2014 - 2021) The information contained in this document is the property of © IAE International Aero Engines AG and may not be copied or used for any purpose other than that for which it is supplied without the express written authority of © IAE International Aero Engines AG. (This does not preclude use by engine and aircraft operators for normal instructional, maintenance or overhaul purposes.).Applicability
V2500-A5
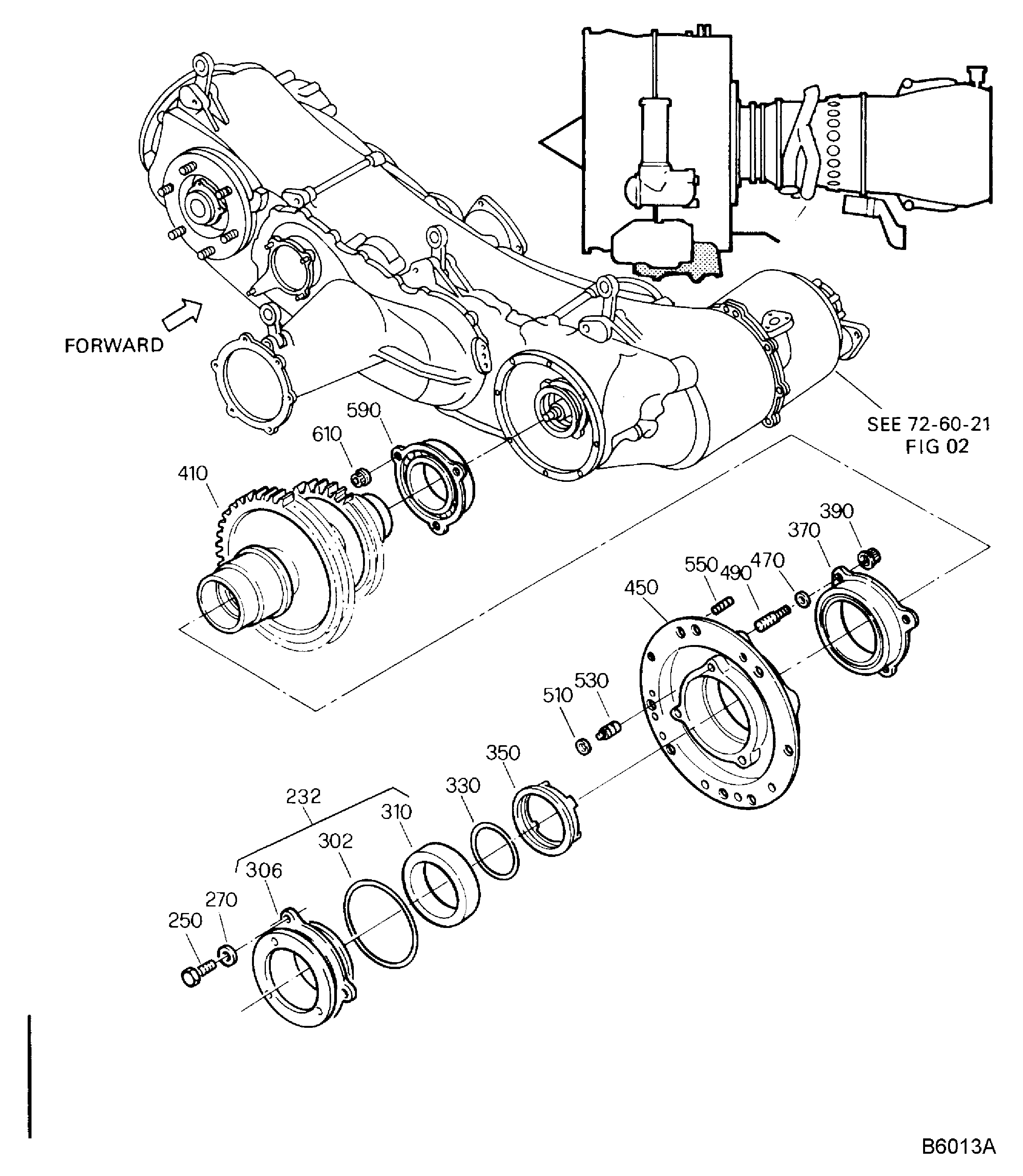
| Fig. Item | Part No. | Description | Effect/Model Applic. | UPA |
|---|---|---|---|---|
| 01 | ||||
| - | B72602801 | ENGINE - IDG DRIVE GEAR ASSEMBLY, PRE SBE72-0153 | aa | |
| - | SBE0153-01 | ENGINE - IDG DRIVE GEAR ASSEMBLY, PRE SBE72-0414 | ab | |
| - | SBE0414-01 | ENGINE - IDG DRIVE GEAR ASSEMBLY, PRE SBE72-0492 | ac | |
| - | SBE0492-01 | ENGINE - IDG DRIVE GEAR ASSEMBLY, PRE SBE70-0950 | ad | |
| - | SBE0950-01 | ENGINE - IDG DRIVE GEAR ASSEMBLY, PRE SBE70-0948 | ae | |
| - | SBE0948-01 | ENGINE - IDG DRIVE GEAR ASSEMBLY, PRE SBE72-0689 | af | |
| - | SBE0689-01 | ENGINE - IDG DRIVE GEAR ASSEMBLY | ag | |
| - | SBE0645-01 | ENGINE - IDG DRIVE GEAR ASSEMBLY | ah | |
| 232 | 4A0301 | • SEAL - ASSEMBLY OF | aa-af/01 | 1 |
| 250 | 4W1246 | • BOLT - 0.250 DIA X 0.750 | aa-af/01 | 3 |
| 270 | MS9321-10 | • WASHER - FLAT, 0.500 X 0.276 X 0.062 96906 | aa-af/01 | 3 |
| 302 | AS3209-151 | • • PACKING - PREFORMED U1653 | aa-af/01 | 1 |
| 306 | 4P0168 | • • HOUSING - SEAL | aa-af/01 | 1 |
| 310 | 4T0232 | • • SEAL - INTERCH. CONTROL DWG ALT 7T0476 | aa-af/02 | 1 |
| -310A | 7T0476 | • • SEAL ALT 7T0266 | aa-af/02 | REF |
| -310B | 7T0266 | • • SEAL ALT 7T0456 | aa-af/02 | REF |
| -310C | 7T0456 | • • SEAL ALT 4T0232 | aa-af/02 | REF |
| 310D | 4T0232 | • • SEAL - INTERCH. CONTROL DWG | aa-af/03 | 1 |
| -310E | 7T0266 | • • SEAL | aa-af/03 | REF |
| -310F | 7T0456 | • • SEAL | aa-af/03 | REF |
| -310G | 7T0476 | • • SEAL | aa-af/03 | REF |
| 330 | AS3209-138 | • PACKING - PREFORMED U1653 | aa-af/01 | 1 |
| 350 | 7T0303 | • RING - ROTATING ALT 7T0457 | aa-af/02 | 1 |
| -350A | 7T0457 | • RING - MATING ALT 7T0477 | aa-af/02 | REF |
| -350B | 7T0477 | • RING - MATING ALT 7T0303 | aa-af/02 | REF |
| 350C | 7T0303 | • RING - ROTATING | aa-af/03 | 1 |
| -350D | 7T0457 | • RING - MATING | aa-af/03 | REF |
| -350E | 7T0477 | • RING - MATING | aa-af/03 | REF |
| 370 | 7T0110 | • BEARING - ROLLER ALT 7T7100 | aa-af/02 | 1 |
| -370A | 7T7100 | • BEARING - ROLLER ALT 7T7102 PRE SBE72-0414 | aa-ab/02 | REF |
| -370B | 7T7102 | • BEARING ALT 7T0110 PRE SBE72-0414 | aa-ab/02 | REF |
| 370C | 7T0110 | • BEARING - ROLLER | aa-af/03 | 1 |
| 370D | 4T0165 | • BEARING - ROLLER A3460 ALT 7T7100 POST SBE72-0414 | ac-af/01 | 1 |
| 370E | 7T7100 | • BEARING - ROLLER ALT 7T7102 POST SBE72-0414 | ac-af/01 | 1 |
| 370F | 4T0168 | • BEARING - ROLLER A3460 ALT 4T0165 POST SBE72-0414 | ac-af/01 | 1 |
| -370G | 7T7100 | • BEARING - ROLLER PRE SBE72-0414 | aa-ab/01 | REF |
| -370H | 7T7102 | • BEARING PRE SBE72-0414 | aa-ab/01 | REF |
| 370J | 7T7102 | • BEARING ALT 4T0168 POST SBE72-0414 | ac-af/01 | 1 |
| 390 | 4W0002 | • NUT - 0.250 DIA PRE SBE72-0492 | aa-ac/02 | 3 |
| 390A | 4W0002 | • NUT - 0.250 DIA | aa-af/03 | 3 |
| 390B | 4W0165 | • BOLT - 0.250 DIA X 0.688 POST SBE72-0492 | ad-af/01 | 3 |
| 410 | 4P0207 | • GEAR - IDG DRIVE | aa-af/01 | 1 |
| 450 | 4B0281 | • HOUSING - INTEGRATED DRIVE GENERATOR, ASSEMBLY OF PRE SBE72-0153 | aa/02 | 1 |
| 450A | 4B0312 | • HOUSING - INTEGRATED DRIVE GENERATOR, ASSEMBLY OF PRE SBE72-0492 | aa-ac/02 | 1 |
| 450B | 4B0312 | • HOUSING - INTEGRATED DRIVE GENERATOR, ASSEMBLY OF POST SBE72-0153 PRE SBE72-0492 | aa-ad/03 | 1 |
| 450C | 4B0348 | • HOUSING - INTEGRATED DRIVE GENERATOR, ASSEMBLY OF A3460 POST SBE72-0492 PRE SBE70-0950 | ad/01 | 1 |
| 450D | 4B0370 | • HOUSING - INTEGRATED DRIVE GENERATOR, ASSEMBLY OF A3460 POST SBE70-0950 | ae-af/01 | 1 |
| 470 | MS51990E105P | • • RING - LOCKING 96906 PRE SBE72-0492 | aa-ac/01 | 3 |
| 490 | MS51551C205-9 | • • STUD 96906 PRE SBE72-0492 | aa-ac/01 | 3 |
| 490A | MS21209F4-20L | • • INSERT 96906 POST SBE72-0492 | ad-af/01 | 3 |
| 510 | MS51990E106P | • • RING - LOCKING 96906 | aa-af/01 | 3 |
| 530 | MS51991E206L | • • INSERT - SCREW 96906 | aa-af/01 | 3 |
| 550 | 4P0040 | • • INSERT PRE SBE72-0492 | aa-ac/01 | 3 |
| 550A | 1518M33P01 | • • INSERT - SCREW THREAD 07482 POST SBE72-0492 PRE SBE70-0950 | ad/01 | 3 |
| 550B | 4T0318 | • • INSERT - SCREW THREAD A3460 POST SBE70-0950 | ae-af/01 | 3 |
| 590 | 4T0070 | • BEARING - ROLLER ALT 4T0071 PRE SBE72-0414 PRE SBE72-0645 | aa-ab/02 | 1 |
| -590A | 4T0071 | • BEARING - ROLLER ALT 4T0073 PRE SBE72-0414 PRE SBE72-0645 | aa-ab/02 | REF |
| -590B | 4T0073 | • BEARING - ROLLER ALT 4T0070 PRE SBE72-0414 PRE SBE72-0689 PRE SBE72-0645 | aa-ab/02 | REF |
| 590C | 4T0070 | • BEARING - ROLLER ALT 4T0071 POST SBE70-0948 PRE SBE72-0645 | af-ag/03 | 1 |
| -590D | 4T0071 | • BEARING - ROLLER ALT 4T0073 POST SBE70-0948 PRE SBE72-0645 | af-ag/03 | REF |
| -590E | 4T0073 | • BEARING - ROLLER ALT 4T0074 POST SBE70-0948 PRE SBE72-0689 PRE SBE72-0645 | af-ag/03 | REF |
| 590F | 4T0070 | • BEARING - ROLLER ALT 4T0071 POST SBE72-0414 PRE SBE70-0948 PRE SBE72-0645 | ac-ae/01 | 1 |
| -590G | 4T0071 | • BEARING - ROLLER ALT 4T0073 POST SBE72-0414 PRE SBE72-0414 PRE SBE72-0645 | ac-ag/01 | REF |
| -590H | 4T0073 | • BEARING - ROLLER ALT 4T0074 POST SBE72-0414 PRE SBE72-0414 PRE SBE72-0689 PRE SBE72-0645 | ac-ag/01 | REF |
| -590J | 4T0074 | • BEARING - ROLLER A3460 ALT 4T0070 POST SBE72-0414 PRE SBE72-0414 PRE SBE72-0645 | ac-ag/01 | REF |
| 590K | 4T0070 | • BEARING - ROLLER ALT 4T0071 PRE SBE72-0414 PRE SBE72-0645 | aa-ab/01 | 1 |
| -590L | 4T0071 | • BEARING - ROLLER ALT 4T0073 PRE SBE72-0414 PRE SBE72-0645 | aa-ab/01 | REF |
| -590M | 4T0073 | • BEARING - ROLLER ALT 4T0074 PRE SBE72-0414 PRE SBE72-0689 PRE SBE72-0645 | aa-ab/01 | REF |
| -590N | 4T0074 | • BEARING - ROLLER A3460 ALT 4T0070 POST SBE72-0414 PRE SBE72-0645 | ac-ag/01 | REF |
| -590P | 4T0074 | • BEARING - ROLLER A3460 ALT 4T0075 POST SBE70-0948 PRE SBE72-0645 | af-ag/01 | REF |
| -590Q | 4T0075 | • BEARING - ROLLER A3460 ALT 4T0076 POST SBE70-0948 PRE SBE72-0645 | af/01 | REF |
| -590R | 4T0076 | • BEARING, ROLLER ALT 4T0070 POST SBE72-0645 | ah/01 | REF |
| 610 | 4W0002 | • NUT - 0.250 DIA PRE SBE72-0492 | aa-ac/01 | 3 |
| 610A | 4W0165 | • BOLT - 0.250 DIA X 0.688 POST SBE72-0492 | ad-af/01 | 3 |
| - ITEM NOT ILLUSTRATED, ***** EFFECTIVITY NOT AVAILABLE | ||||
Figure: Generator Drive Gear And Housing Assembly
Generator Drive Gear And Housing Assembly

