DMC:V2500-A5-72-60-33-01A-941A-DIssue No:005.00Issue Date:2018-08-01
Export Control
EAR Export Classification: Not subject to the EAR per 15 C.F.R. Chapter 1, Part 734.3(b)(3), except for the following Service Bulletins which are currently published as EAR Export Classification 9E991: SBE70-0992, SBE72-0483, SBE72-0580, SBE72-0588, SBE72-0640, SBE73-0209, SBE80-0024 and SBE80-0025.Copyright
© IAE International Aero Engines AG (2001, 2014 - 2021) The information contained in this document is the property of © IAE International Aero Engines AG and may not be copied or used for any purpose other than that for which it is supplied without the express written authority of © IAE International Aero Engines AG. (This does not preclude use by engine and aircraft operators for normal instructional, maintenance or overhaul purposes.).Applicability
V2500-A5
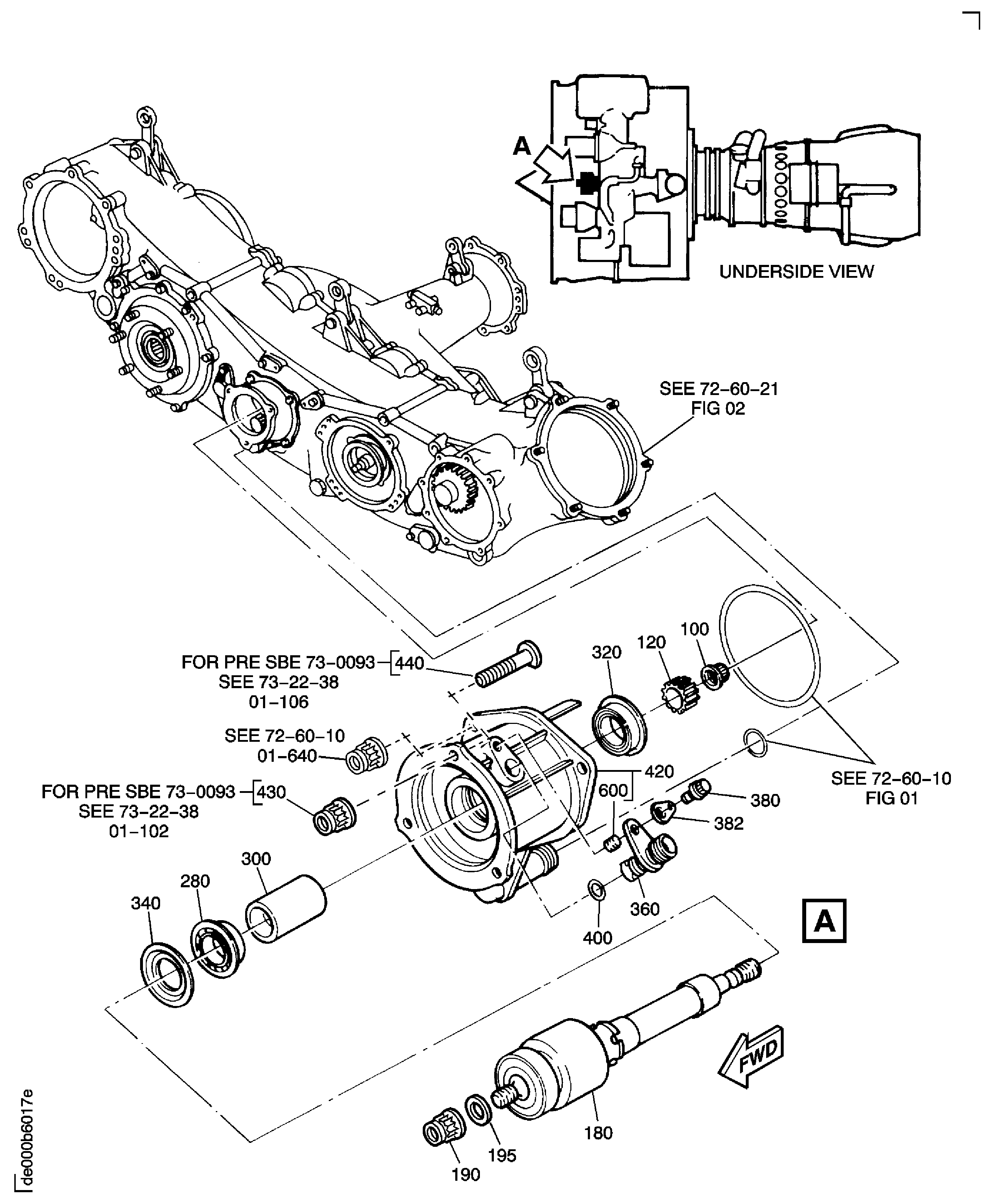
| Fig. Item | Part No. | Description | Effect/Model Applic. | UPA |
|---|---|---|---|---|
| 01 | ||||
| - | B72603301 | ENGINE - DEDICATED ALTERNATOR DRIVE GEAR, ASSEMBLY, PRE SBE72-0229 | aa | |
| - | SBE0229-01 | ENGINE - DEDICATED ALTERNATOR DRIVE GEAR, ASSEMBLY, PRE SBE73-0093 | ab | |
| - | SBE0093-01 | ENGINE - DEDICATED ALTERNATOR DRIVE GEAR, ASSEMBLY, PRE SBE72-0414 | ac | |
| - | SBE0414-01 | ENGINE - DEDICATED ALTERNATOR DRIVE GEAR, ASSEMBLY, PRE SBE70-0606 | ad | |
| - | SBE0606-01 | ENGINE - DEDICATED ALTERNATOR DRIVE GEAR, ASSEMBLY, PRE SBE70-0948 | ae | |
| - | SBE0948-01 | ENGINE - DEDICATED ALTERNATOR DRIVE GEAR, ASSEMBLY, PRE SBE72-0616 | af | |
| - | SBE0616-01 | ENGINE-DEDICATED ALTERNATOR DRIVE GEAR ASSEMBLY | ag | |
| - | SBE0645-01 | ENGINE-DEDICATED ALTERNATOR DRIVE GEAR ASSEMBLY | ah | |
| 001 | 4A0295 | GEAR - PMA DRIVE, ASSEMBLY OF PRE SBE73-0093 | aa-ab/01 | 1 |
| 001A | 4A0322 | GEAR - PMA DRIVE, ASSEMBLY OF A3460 POST SBE73-0093 PRE SBE72-0616 | ac-af/02 | 1 |
| 001B | 4A0415 | GEAR - PMA DRIVE, ASSEMBLY OF POST SBE70-0606 | ae-ae/02 | 1 |
| 001C | 4A0359 | GEAR - PMA DRIVE, ASSEMBLY OF POST SBE72-0616 | ah/02 | 1 |
| 100 | NAS1291C7 | • NUT 80205 PRE SBE72-0616 | aa-af/02 | 1 |
| 100A | 4P0360 | • NUT,THREAD .4375-20 UNJF-3B POST SBE72-0616 | ah/02 | 1 |
| 120 | 4B0286 | • GEAR - ASSEMBLY OF PRE SBE72-0616 | aa-af/02 | 1 |
| 120A | 4B0361 | • GEAR - PMA DRIVE, ASSEMBLY OF POST SBE72-0616 | ah/02 | 1 |
| 180 | 4B0254 | • ROTOR - PMA SHAFT, ASSEMBLY OF PRE SBE70-0606 | aa-ad/02 | 1 |
| 180A | 4B0325 | • ROTOR - PMA SHAFT, ASSEMBLY OF POST SBE70-0606 | ae-ae/02 | 1 |
| 190 | 4W0004 | • NUT - 0.375 DIA | aa-af/02 | 1 |
| 195 | 4P0269 | • WASHER | aa-af/02 | 1 |
| 220 | 430083 | • • ROTOR 83311 POST SBE72-0229 | ab-af/02 | 1 |
| 280 | 4T0180 | • BEARING - ROLLER ALT 4T0181 PRE SBE72-0414 PRE SBE72-0645 | aa-ac/02 | 1 |
| -280A | 4T0181 | • BEARING - ROLLER ALT 4T0183 PRE SBE72-0414 PRE SBE72-0645 | aa-ac/02 | REF |
| -280B | 4T0183 | • BEARING - ROLLER ALT 4T0180 PRE SBE72-0414 PRE SBE72-0645 | aa-ac/02 | REF |
| 280C | 4T0180 | • BEARING - ROLLER ALT 4T0181 POST SBE72-0414 PRE SBE70-0948 PRE SBE72-0645 | ad-ae/02 | 1 |
| -280D | 4T0181 | • BEARING - ROLLER ALT 4T0183 POST SBE72-0414 PRE SBE72-0414 PRE SBE72-0645 | ad-ag/02 | REF |
| -280E | 4T0183 | • BEARING - ROLLER ALT 4T0184 POST SBE72-0414 PRE SBE72-0414 PRE SBE72-0645 | ad-ag/02 | REF |
| -280F | 4T0184 | • BEARING - ROLLER A3460 ALT 4T0180 POST SBE72-0414 PRE SBE72-0414 PRE SBE72-0645 | ad-ag/02 | REF |
| 280G | 4T0180 | • BEARING - ROLLER ALT 4T0181 POST SBE70-0948 PRE SBE72-0645 | af-ag/02 | 1 |
| -280H | 4T0181 | • BEARING - ROLLER ALT 4T0183 POST SBE70-0948 PRE SBE72-0645 | af-ag/02 | REF |
| -280J | 4T0183 | • BEARING - ROLLER ALT 4T0184 POST SBE70-0948 PRE SBE72-0645 | af-ag/02 | REF |
| -280K | 4T0184 | • BEARING - ROLLER A3460 ALT 4T0185 POST SBE70-0948 PRE SBE72-0645 | af-ag/02 | REF |
| -280L | 4T0185 | • BEARING - ROLLER A3460 ALT 4T0186 POST SBE70-0948 PRE SBE72-0645 | af-ag/02 | REF |
| -280L | 4T0186 | • BEARING - ROLLER ALT 4T0180 POST SBE72-0645 | ah/02 | REF |
| 300 | 4P0149 | • SPACER - BEARING | aa-af/02 | 1 |
| 320 | 4T0180 | • BEARING - ROLLER ALT 4T0181 PRE SBE72-0414 PRE SBE72-0645 | aa-ac/02 | 1 |
| -320A | 4T0181 | • BEARING - ROLLER ALT 4T0183 PRE SBE72-0414 PRE SBE72-0645 | aa-ac/02 | REF |
| -320B | 4T0183 | • BEARING - ROLLER ALT 4T0180 PRE SBE72-0414 PRE SBE72-0645 | aa-ac/02 | REF |
| 320C | 4T0180 | • BEARING - ROLLER ALT 4T0181 POST SBE72-0414 PRE SBE70-0948 PRE SBE72-0645 | ad-ae/02 | 1 |
| -320D | 4T0181 | • BEARING - ROLLER ALT 4T0183 POST SBE72-0414 PRE SBE72-0414 PRE SBE72-0645 | ad-ag/02 | REF |
| -320E | 4T0183 | • BEARING - ROLLER ALT 4T0184 POST SBE72-0414 PRE SBE72-0414 PRE SBE72-0645 | ad-ag/02 | REF |
| -320F | 4T0184 | • BEARING - ROLLER A3460 ALT 4T0180 POST SBE72-0414 PRE SBE72-0414 PRE SBE72-0645 | ad-ag/02 | REF |
| 320G | 4T0180 | • BEARING - ROLLER ALT 4T0181 POST SBE70-0948 PRE SBE72-0645 | af-ag/02 | 1 |
| -320H | 4T0181 | • BEARING - ROLLER ALT 4T0183 POST SBE70-0948 PRE SBE72-0645 | af-ag/02 | REF |
| -320J | 4T0183 | • BEARING - ROLLER ALT 4T0184 POST SBE70-0948 PRE SBE72-0645 | af-ag/02 | REF |
| -320K | 4T0184 | • BEARING - ROLLER A3460 ALT 4T0185 POST SBE70-0948 PRE SBE72-0645 | af-ag/02 | REF |
| -320L | 4T0185 | • BEARING - ROLLER A3460 ALT 4T0186 POST SBE70-0948 PRE SBE72-0645 | af-ag/02 | REF |
| -320L | 4T0186 | • BEARING - ROLLER ALT 4T0180 POST SBE72-0645 | ah/02 | REF |
| 340 | 4P0152 | • DIAPHRAGM - SEPARATING | aa-af/02 | 1 |
| 360 | 4P0222 | • NOZZLE - OIL, PERMANENT MAGNET ALTERNATOR, ASSEMBLY OF | aa-af/02 | 1 |
| 380 | 4W0163 | • BOLT - 0.250 DIA X 0.562 | aa-ad/02 | 1 |
| 382 | CU37148 | • WASHER | aa-af/02 | 1 |
| 400 | AS3209-110 | • PACKING - PREFORMED U1653 | aa-af/02 | 1 |
| 420 | 4B0289 | • SUPPORT - PMA, ASSEMBLY OF | aa-af/02 | 1 |
| 430 | 4W0002 | • NUT - 0.250 DIA (SEE APPENDIX 5) POST SBE73-0093 | ac-af/02 | 3 |
| 440 | BLT4448 | • BOLT POST SBE73-0093 | ac-af/02 | 3 |
| 600 | MS21209F4-15L | • • INSERT - WIRE, THREAD, 0.250 DIA 96906 | aa-af/02 | 1 |
| - ITEM NOT ILLUSTRATED, ***** EFFECTIVITY NOT AVAILABLE | ||||
Figure: PMA Shaft, Rotor, and Housing Assembly
PMA Shaft, Rotor, and Housing Assembly

