DMC:V2500-A5-72-60-43-01A-941A-DIssue No:002.00Issue Date:2018-08-01
Export Control
EAR Export Classification: Not subject to the EAR per 15 C.F.R. Chapter 1, Part 734.3(b)(3), except for the following Service Bulletins which are currently published as EAR Export Classification 9E991: SBE70-0992, SBE72-0483, SBE72-0580, SBE72-0588, SBE72-0640, SBE73-0209, SBE80-0024 and SBE80-0025.Copyright
© IAE International Aero Engines AG (2001, 2014 - 2021) The information contained in this document is the property of © IAE International Aero Engines AG and may not be copied or used for any purpose other than that for which it is supplied without the express written authority of © IAE International Aero Engines AG. (This does not preclude use by engine and aircraft operators for normal instructional, maintenance or overhaul purposes.).Applicability
V2500-A5
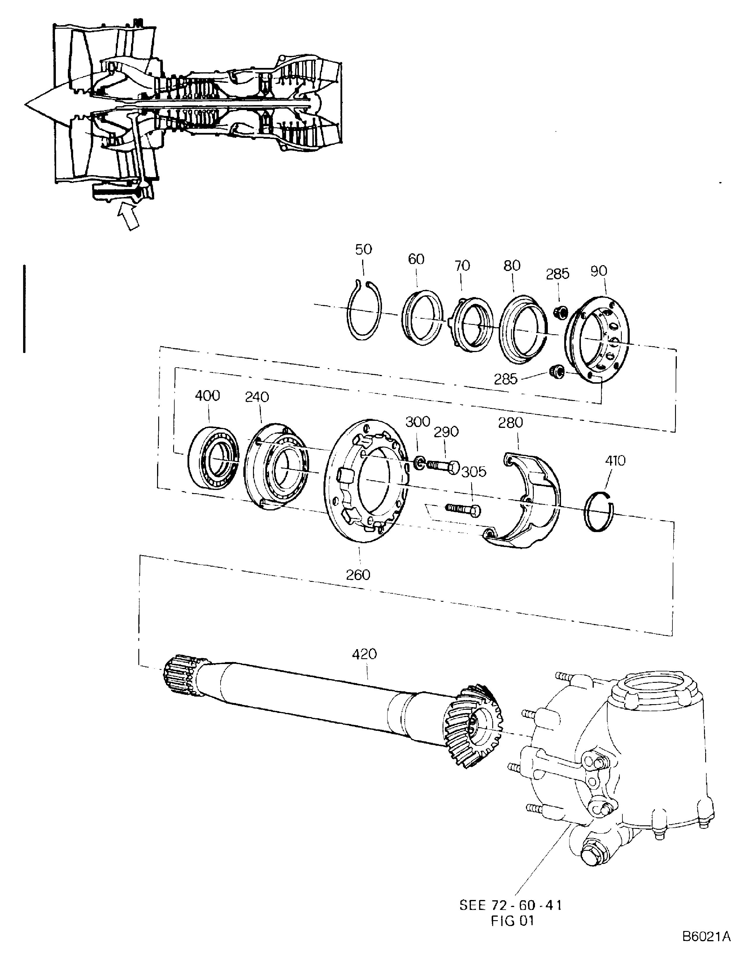
| Fig. Item | Part No. | Description | Effect/Model Applic. | UPA |
|---|---|---|---|---|
| 01 | ||||
| - | B72604301 | ANGLE GEARBOX DRIVEN GEAR AND LAYSHAFT ASSEMBLY, PRE SBE72-0414 | aa | |
| - | SBE0414-01 | ANGLE GEARBOX DRIVEN GEAR AND LAYSHAFT ASSEMBLY, PRE SBE70-0948 | ab | |
| - | SBE0948-01 | ANGLE GEARBOX DRIVEN GEAR AND LAYSHAFT ASSEMBLY | ac | |
| - | SBE0645-01 | ANGLE GEARBOX DRIVEN GEAR AND LAYSHAFT ASSEMBLY | ad | |
| 050 | 4T0206 | • SEGMENT | aa-ac/01 | 1 |
| 060 | 4T0205 | • WASHER - LOCK | aa-ac/01 | 1 |
| 070 | 4T0204 | • NUT - 2.375 DIA | aa-ac/01 | 1 |
| 080 | 4P0018 | • DIAPHRAGM | aa-ac/01 | 1 |
| 090 | 4B0019 | • HOUSING - BEARING BALL, ASSEMBLY OF | aa-ac/01 | 1 |
| 240 | 4T0170 | • BEARING - ROLLER ALT 4T0171 PRE SBE72-0414 PRE SBE72-0645 | aa/02 | 1 |
| -240A | 4T0171 | • BEARING - ROLLER ALT 4T0173 PRE SBE72-0414 PRE SBE72-0645 | aa/02 | REF |
| -240B | 4T0173 | • BEARING - ROLLER ALT 4T0170 PRE SBE72-0414 PRE SBE72-0645 | aa/02 | REF |
| 240C | 4T0170 | • BEARING - ROLLER ALT 4T0171 POST SBE70-0948 PRE SBE72-0645 | ac/03 | 1 |
| -240D | 4T0171 | • BEARING - ROLLER ALT 4T0173 POST SBE70-0948 PRE SBE72-0645 | ac/03 | REF |
| -240E | 4T0173 | • BEARING - ROLLER ALT 4T0174 POST SBE70-0948 PRE SBE72-0645 | ac/03 | REF |
| 240F | 4T0170 | • BEARING - ROLLER ALT 4T0171 POST SBE72-0414 PRE SBE70-0948 PRE SBE72-0645 | ab/01 | 1 |
| -240G | 4T0171 | • BEARING - ROLLER ALT 4T0173 POST SBE72-0414 PRE SBE72-0414 PRE SBE72-0645 | ab/01 | REF |
| -240H | 4T0173 | • BEARING - ROLLER ALT 4T0174 POST SBE72-0414 PRE SBE72-0414 PRE SBE72-0645 | ab/01 | REF |
| -240I | 4T0174 | • BEARING - ROLLER A3460 ALT 4T0170 POST SBE72-0414 PRE SBE72-0414 PRE SBE72-0645 | ab/01 | REF |
| 240J | 4T0170 | • BEARING - ROLLER ALT 4T0171 PRE SBE72-0414 PRE SBE72-0645 | aa/01 | 1 |
| -240K | 4T0171 | • BEARING - ROLLER ALT 4T0173 PRE SBE72-0414 PRE SBE72-0645 | aa/01 | REF |
| -240L | 4T0173 | • BEARING - ROLLER ALT 4T0174 PRE SBE72-0414 PRE SBE72-0645 | aa/01 | REF |
| -240M | 4T0174 | • BEARING - ROLLER A3460 ALT 4T0175 POST SBE70-0948 PRE SBE72-0645 | ac/01 | REF |
| -240N | 4T0175 | • BEARING - ROLLER A3460 ALT 4T0176 POST SBE70-0948 PRE SBE72-0645 | ac/01 | REF |
| -240N | 4T0176 | • BEARING - ROLLER A3460 ALT 4T0170 POST SBE72-0645 | ad/01 | REF |
| 260 | 4P0020 | • SUPPORT - BEARING | aa-ac/01 | 1 |
| 280 | 4B0133 | • SHROUD - OIL BEVEL GEAR, ASSEMBLY OF | aa-ac/01 | 1 |
| 285 | 4W0002 | • NUT - 0.250 DIA | aa-ac/01 | 4 |
| 290 | 4W1253 | • BOLT - 0.250 DIA X 1.188 | aa-ac/01 | 1 |
| 300 | MS9321-10 | • WASHER - FLAT, 0.500 X 0.276 X 0.062 96906 | aa-ac/01 | 1 |
| 305 | 4P0213 | • BOLT | aa-ac/01 | 3 |
| 400 | 4T0020 | • BEARING - ROLLER ALT 4T0021 PRE SBE72-0414 PRE SBE72-0645 | aa/02 | 1 |
| -400A | 4T0021 | • BEARING - BALL ALT 4T0020 PRE SBE72-0414 PRE SBE72-0645 | aa/02 | REF |
| -400B | 4T0023 | • BEARING PRE SBE72-0414 PRE SBE72-0645 | aa/02 | REF |
| 400C | 4T0020 | • BEARING - ROLLER ALT 4T0021 POST SBE72-0948 PRE SBE72-0645 | ac/03 | 1 |
| -400D | 4T0021 | • BEARING - BALL ALT 4T0023 POST SBE72-0948 PRE SBE72-0645 | ac/03 | REF |
| -400E | 4T0023 | • BEARING ALT 4T0024 POST SBE72-0948 PRE SBE72-0645 | ac/03 | REF |
| 400F | 4T0020 | • BEARING - ROLLER ALT 4T0021 POST SBE72-0414 PRE SBE72-0948 PRE SBE72-0645 | ab/01 | 1 |
| -400G | 4T0021 | • BEARING - BALL ALT 4T0023 POST SBE72-0414 PRE SBE72-0414 PRE SBE72-0645 | ab-ac/01 | REF |
| -400H | 4T0023 | • BEARING ALT 4T0024 POST SBE72-0414 PRE SBE72-0414 PRE SBE72-0645 | ab-ac/01 | REF |
| -400I | 4T0024 | • BEARING - BALL A3460 ALT 4T0020 POST SBE72-0414 PRE SBE72-0414 PRE SBE72-0645 | ab-ac/01 | REF |
| 400J | 4T0020 | • BEARING - ROLLER ALT 4T0021 PRE SBE72-0414 PRE SBE72-0645 | aa/01 | 1 |
| -400K | 4T0021 | • BEARING - BALL ALT 4T0023 PRE SBE72-0414 PRE SBE72-0645 | aa/01 | REF |
| -400L | 4T0023 | • BEARING ALT 4T0024 PRE SBE72-0414 PRE SBE72-0645 | aa/01 | REF |
| -400M | 4T0024 | • BEARING - BALL A3460 ALT 4T0025 POST SBE70-0948 PRE SBE72-0645 | ac/01 | REF |
| -400N | 4T0025 | • BEARING - ROLLER A3460 ALT 4T0026 POST SBE70-0948 PRE SBE72-0645 | ac/01 | REF |
| -400O | 4T0026 | • BEARING - BALL A3460 ALT 4T0020 POST SBE72-0645 | ad/01 | REF |
| 410 | AS3215-128 | • RING - RETAINING U1653 | aa-ac/01 | 1 |
| 420 | 4P0224 | • GEARSHAFT - BEVEL | aa-ac/01 | 1 |
| - ITEM NOT ILLUSTRATED, ***** EFFECTIVITY NOT AVAILABLE | ||||
Figure: Angle Gearbox Driven Gearshaft Assembly
Angle Gearbox Driven Gearshaft Assembly

