DMC:V2500-A5-73-13-42-01A-941A-DIssue No:003.00Issue Date:2020-05-01
Export Control
EAR Export Classification: Not subject to the EAR per 15 C.F.R. Chapter 1, Part 734.3(b)(3), except for the following Service Bulletins which are currently published as EAR Export Classification 9E991: SBE70-0992, SBE72-0483, SBE72-0580, SBE72-0588, SBE72-0640, SBE73-0209, SBE80-0024 and SBE80-0025.Copyright
© IAE International Aero Engines AG (2001, 2014 - 2021) The information contained in this document is the property of © IAE International Aero Engines AG and may not be copied or used for any purpose other than that for which it is supplied without the express written authority of © IAE International Aero Engines AG. (This does not preclude use by engine and aircraft operators for normal instructional, maintenance or overhaul purposes.).Applicability
V2500-A5
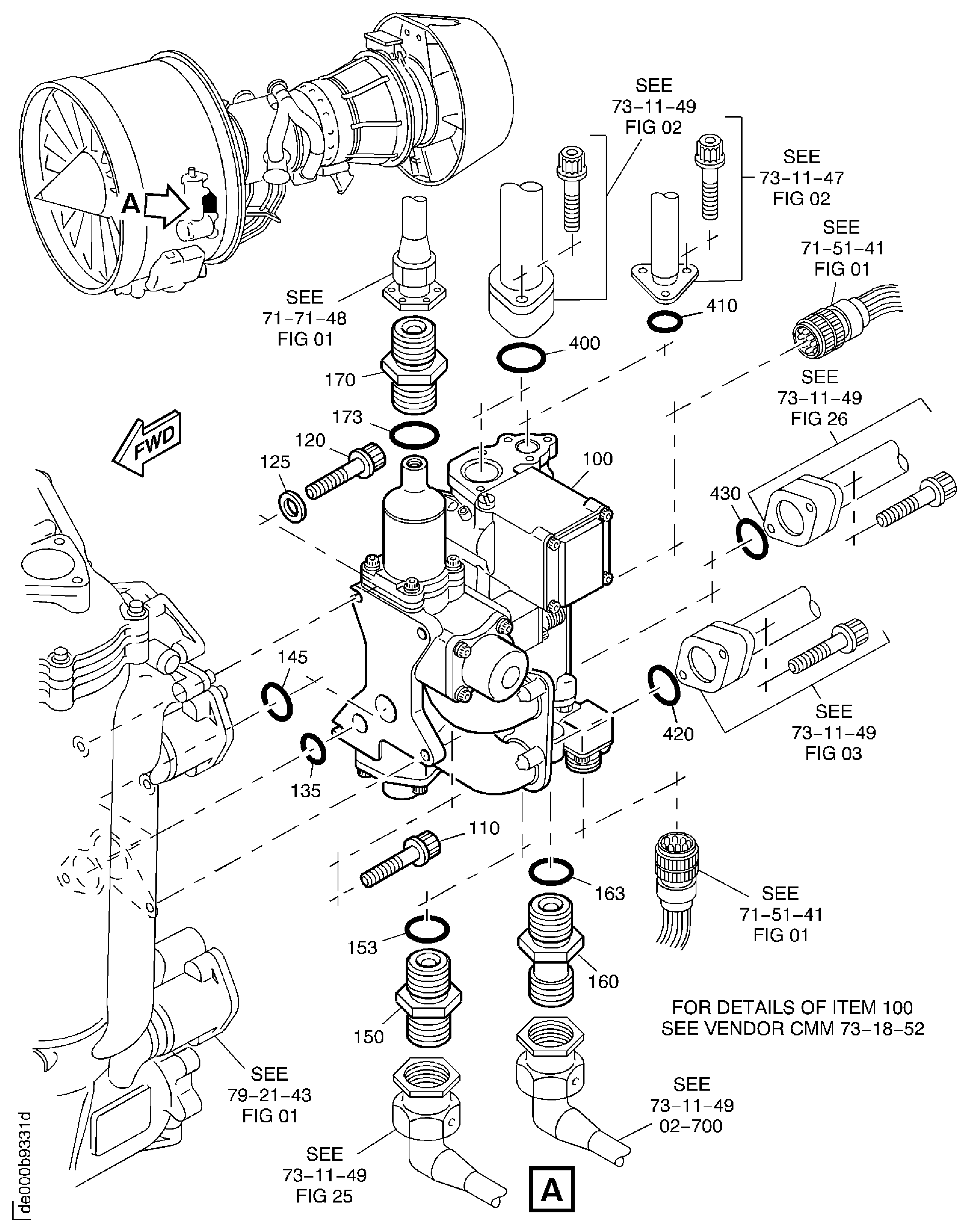
| Fig. Item | Part No. | Description | Effect/Model Applic. | UPA |
|---|---|---|---|---|
| 01 | ||||
| - | B73134201 | FUEL DIVERTER AND RETURN VALVE, PRE SBE70-0308 | aa | |
| - | SBE0308-01 | FUEL DIVERTER AND RETURN VALVE, PRE SBE73-0054 | ab | |
| - | SBE0054-01 | FUEL DIVERTER AND RETURN VALVE, PRE SBE73-0062 | ac | |
| - | SBE0062-01 | FUEL DIVERTER AND RETURN VALVE, PRE SBE73-0081 | ad | |
| - | SBE0081-01 | FUEL DIVERTER AND RETURN VALVE, PRE SBE73-0240 | ae | |
| - | SBE0240-01 | FUEL DIVERTER AND RETURN VALVE, PRE SBE73-0247 | af | |
| - | SBE0247-01 | FUEL DIVERTER AND RETURN VALVE | ag | |
| 100 | 17300G03 | • VALVE - FUEL DIVERT AND RETURN | aa-ae/01 | 1 |
| 100A | 17300G04 | • VALVE - FUEL DIVERT AND RETURN (REF NO 5L0054) PRE SBE70-0308 | aa/01 | 1 |
| 100B | 17300G05 | • VALVE - FUEL DIVERT AND RETURN (REF NO 5L0056) POST SBE70-0308 PRE SBE73-0054 | ab/01 | 1 |
| 100C | 17300G06 | • VALVE - FUEL DIVERT AND RETURN (REF NO 5L0061) POST SBE73-0054 PRE SBE73-0062 | ac/01 | 1 |
| 100D | 17300G07 | • VALVE - FUEL DIVERT AND RETURN (REF NO 5L0065) POST SBE73-0062 PRE SBE73-0081 | ad/01 | 1 |
| 100E | 17300G08 | • VALVE - FUEL DIVERT AND RETURN (REF NO 5L0074) POST SBE73-0081 | ae/01 | 1 |
| 100F | 17300G09 | • VALVE - FUEL DIVERT AND RETURN (REF NO 5L0076) POST SBE73-0081 PRE SBE73-0240 REF SBE73-0252 | ae/01 | 1 |
| 100G | 17300G09 | • VALVE - FUEL DIVERT AND RETURN (REF NO 5L0076) PRE SBE73-0240 REF SBE73-0252 | aa-ae/02 | 1 |
| 100H | 17300G11 | • VALVE, FUEL DIVERT AND RETURN POST SBE73-0240 PRE SBE73-0247 REF SBE73-0252 | af/03 | 1 |
| 100I | 17300G12 | • VALVE, FUEL DIVERT & RETURN POST SBE73-0247 REF SBE73-0252 | ag/03 | 1 |
| 110 | 4W0172 | • BOLT - 0.250 DIA X 1.125 (SEE APPENDIX 5) | aa-ae/03 | 2 |
| 120 | 4W0172 | • BOLT - 0.250 DIA X 1.125 (SEE APPENDIX 5) | aa-ae/03 | 2 |
| 125 | MS9321-10 | • WASHER - FLAT, 0.500 X 0.276 X 0.062 96906 | aa-ae/03 | 2 |
| 135 | AS43013-119 | • RING - SEALING, TOROIDAL U1653 | aa-ae/03 | 1 |
| 145 | AS43013-124 | • RING - SEALING, TOROIDAL U1653 | aa-ae/03 | 1 |
| 150 | 13260P2 | • • UNION 77381 | aa-ae/03 | 1 |
| 153 | M25988-1-905 | • • PACKING - PREFORMED 81349 PRE SBE73-0062 | aa-ae/01 | 1 |
| 153A | 19668-905 | • • PACKING - PREFORMED POST SBE73-0062 | ad-ae/01 | 1 |
| 153B | 19668-905 | • • PACKING - PREFORMED | aa-ae/02 | 1 |
| 160 | 17608G01 | • • UNION | aa-ae/03 | 1 |
| 163 | M25988-1-907 | • • PACKING - PREFORMED 81349 PRE SBE73-0062 | aa-ae/01 | 1 |
| 163A | 19668-907 | • • PACKING - PREFORMED POST SBE73-0062 | ad-ae/01 | 1 |
| 163B | 19668-907 | • • PACKING - PREFORMED | aa-ae/02 | 1 |
| 170 | 13260P2 | • • UNION 77381 | aa-ae/03 | 1 |
| 173 | M25988-1-905 | • • PACKING - PREFORMED 81349 PRE SBE73-0062 | aa-ae/01 | 1 |
| 173A | 19668-905 | • • PACKING - PREFORMED POST SBE73-0062 | ad-ae/01 | 1 |
| 173B | 19668-905 | • • PACKING - PREFORMED | aa-ae/02 | 1 |
| -400 | AS43013-120 | • RING - SEALING, TOROIDAL U1653 (SEE 73-11-49 02516) | aa-ae/03 | REF |
| -410 | AS43013-112 | • RING - 12.37 MM ID X 2.62 MM U1653 (SEE 73-11-47 02108) | aa-ae/03 | REF |
| -420 | AS43013-120 | • RING - SEALING, TOROIDAL U1653 (SEE 73-11-49 03508) | aa-ae/03 | REF |
| -430 | AS43013-120 | • RING - SEALING, TOROIDAL U1653 (SEE 73-11-49 26116) | aa-ae/03 | REF |
| - ITEM NOT ILLUSTRATED, ***** EFFECTIVITY NOT AVAILABLE | ||||
Figure: Fuel Diverter and Return Valve
Fuel Diverter and Return Valve

