DMC:V2500-A5-73-13-43-01A-941A-DIssue No:002.00Issue Date:2021-05-01
Export Control
EAR Export Classification: Not subject to the EAR per 15 C.F.R. Chapter 1, Part 734.3(b)(3), except for the following Service Bulletins which are currently published as EAR Export Classification 9E991: SBE70-0992, SBE72-0483, SBE72-0580, SBE72-0588, SBE72-0640, SBE73-0209, SBE80-0024 and SBE80-0025.Copyright
© IAE International Aero Engines AG (2001, 2014 - 2021) The information contained in this document is the property of © IAE International Aero Engines AG and may not be copied or used for any purpose other than that for which it is supplied without the express written authority of © IAE International Aero Engines AG. (This does not preclude use by engine and aircraft operators for normal instructional, maintenance or overhaul purposes.).Applicability
V2500-A5
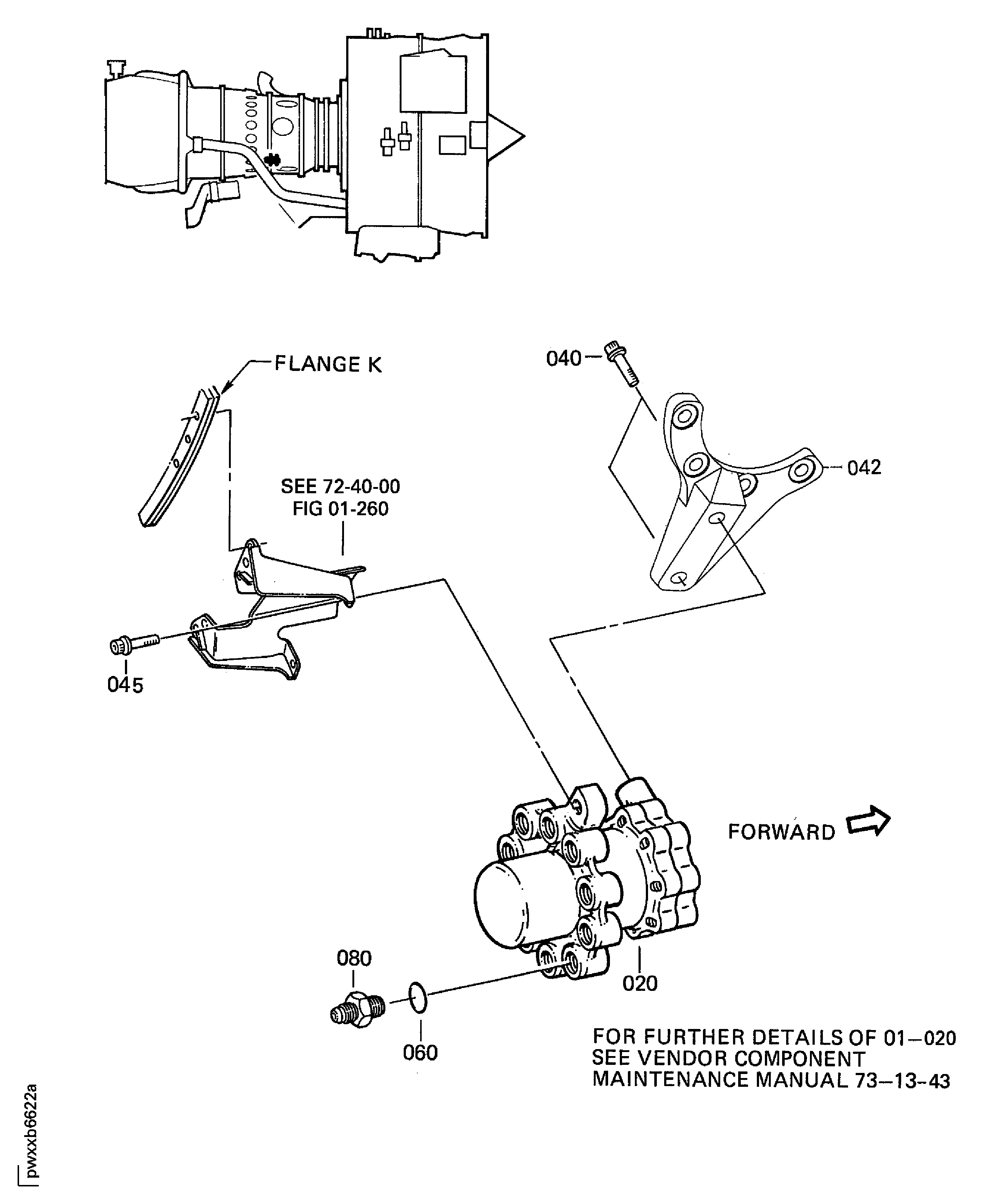
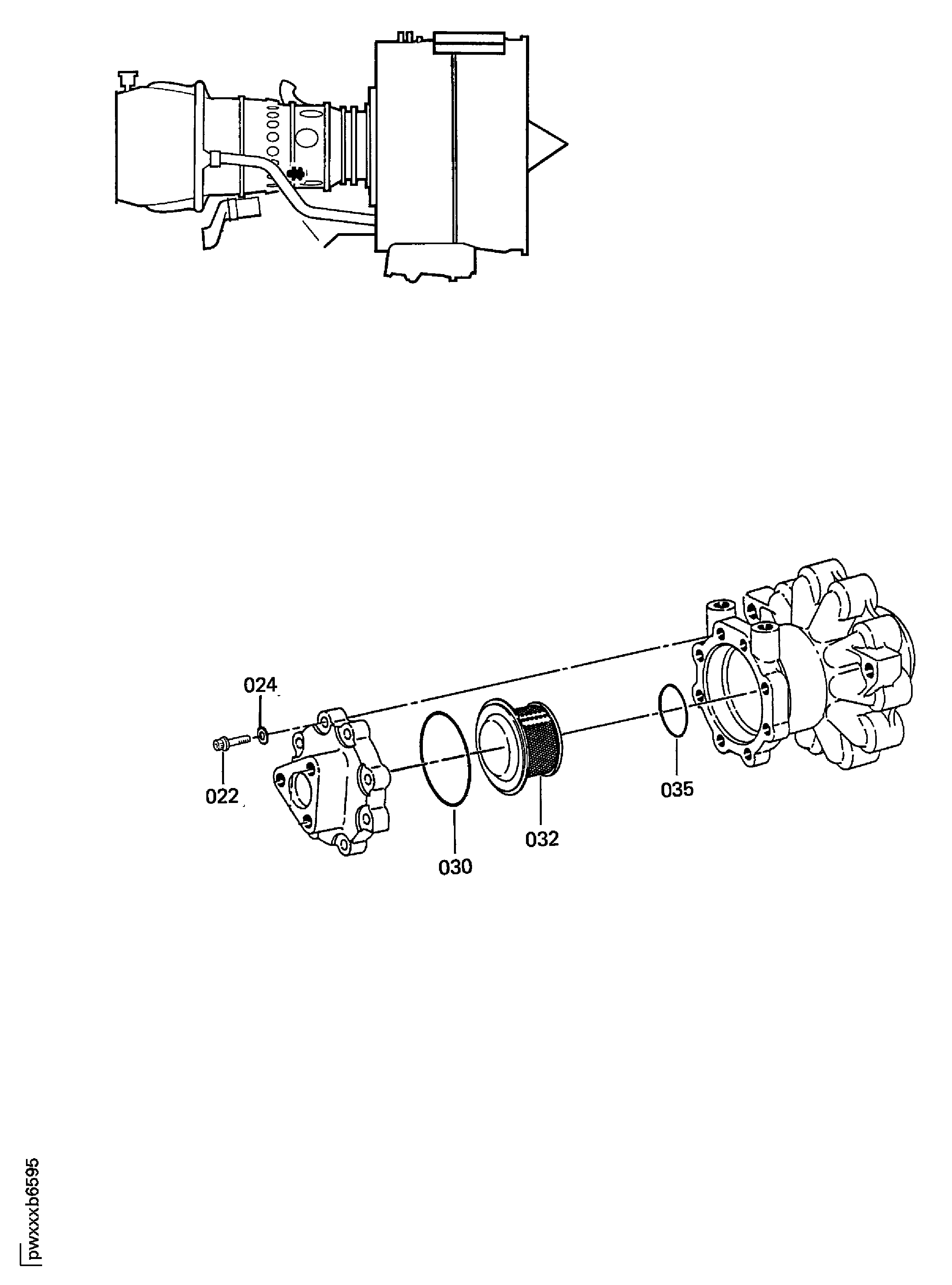
| Fig. Item | Part No. | Description | Effect/Model Applic. | UPA |
|---|---|---|---|---|
| 01 | ||||
| B73134301 | ENGINE - FUEL AND CONTROL - FUEL DISTRIBUTION VALVE | aa | ||
| 020 | 796050-1 | • VALVE - FUEL FLOW DIVIDER 73030 (REF NO 2A0526) | aa | 1 |
| 022 | 2A2433 | • • BOLT - MACHINE, 12 POINT | aa | 8 |
| 024 | MS9549-10 | • • WASHER - FLAT, 0.250 X 0.500 X 0.032 96906 | aa | 8 |
| 030 | 2A2582 | • • PACKING - PREFORMED | aa | 1 |
| 032 | 2A2436 | • • FILTER VENDOR PN (788277-1) | aa | 1 |
| 035 | 2A2583 | • • PACKING - PREFORMED | aa | 1 |
| 040 | 4W0228 | • BOLT - 0.3125 DIA X 0.938 Optional Part 4W0228 | aa | 2 |
| 042 | 2A2535 | • SUPPORT - LOOP CLAMP | aa | 1 |
| 045 | 4W0223 | • BOLT - 0.3125 DIA X 0.625 Optional Part 4W0223 | aa | 2 |
| 060 | MS9966-07 | • PACKING - PREFORMED 96906 | aa | 10 |
| 080 | 1A5632 | • ADAPTER - STRAIGHT, TUBE TO BOSS | aa | 10 |
| - ITEM NOT ILLUSTRATED, ***** EFFECTIVITY NOT AVAILABLE | ||||
Figure: ENGINE FUEL AND CONTROL-FUEL DISTRIBUTION VALVE
FUEL DISTRIBUTION VALVE

FUEL DISTRIBUTION VALVE

