DMC:V2500-A5-75-22-49-07A-941A-DIssue No:001.00Issue Date:2014-05-01
Export Control
EAR Export Classification: Not subject to the EAR per 15 C.F.R. Chapter 1, Part 734.3(b)(3), except for the following Service Bulletins which are currently published as EAR Export Classification 9E991: SBE70-0992, SBE72-0483, SBE72-0580, SBE72-0588, SBE72-0640, SBE73-0209, SBE80-0024 and SBE80-0025.Copyright
© IAE International Aero Engines AG (2001, 2014 - 2021) The information contained in this document is the property of © IAE International Aero Engines AG and may not be copied or used for any purpose other than that for which it is supplied without the express written authority of © IAE International Aero Engines AG. (This does not preclude use by engine and aircraft operators for normal instructional, maintenance or overhaul purposes.).Applicability
V2500-A5
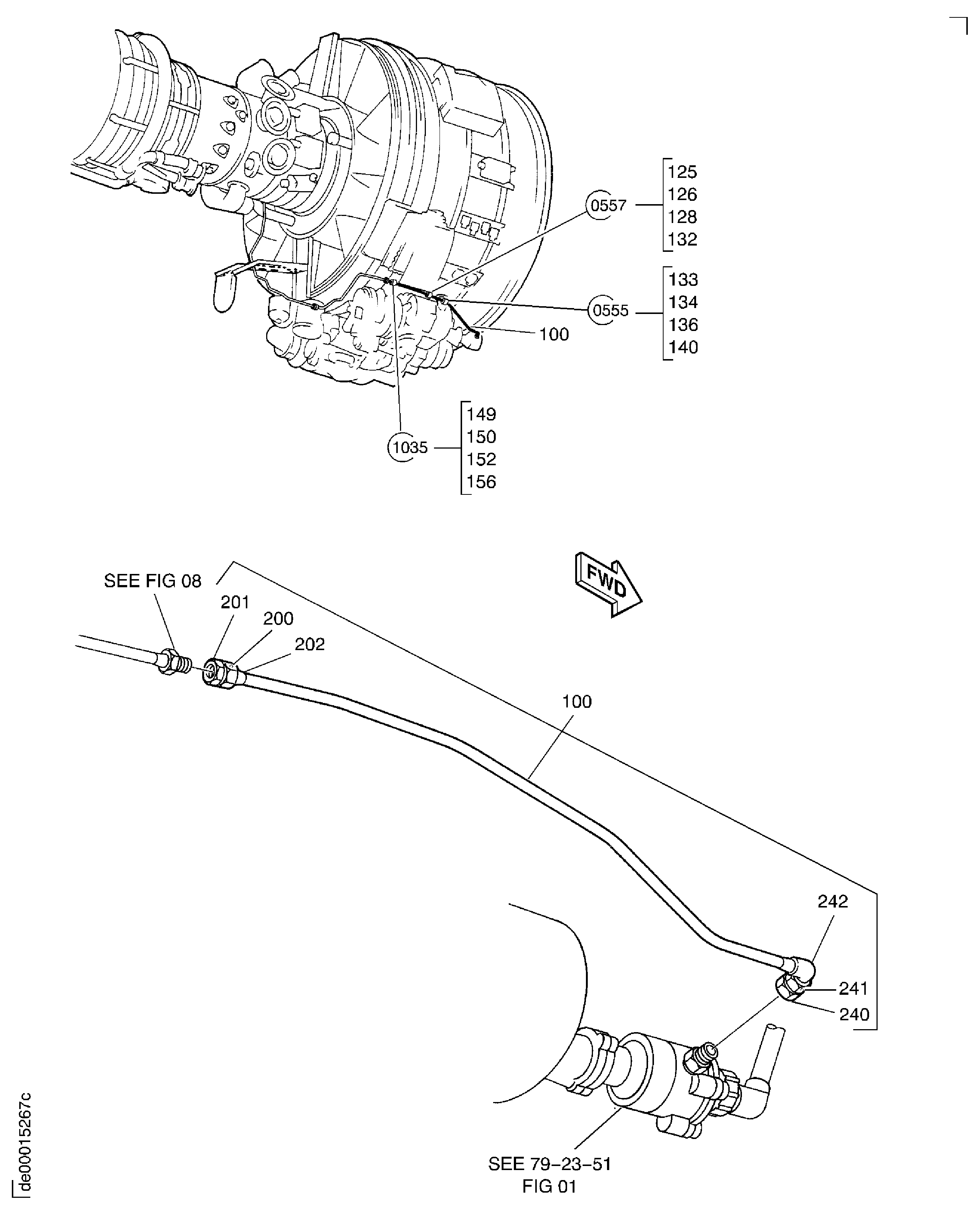
| Fig. Item | Part No. | Description | Effect/Model Applic. | UPA |
|---|---|---|---|---|
| 07 | ||||
| B75224907 | AIR-BEARING COMPARTMENT COOLING & SEALING TUBES | aa | ||
| 100 | 5A9091 | • TUBE - A/O AIR NO4 BRG SCAV/V | aa | 1 |
| 125 | 4W0103 | • BOLT - .190 DIA X .500 | aa | 1 |
| 126 | 5W1086 | • WASHER | aa | 1 |
| 128 | 400WSS5 | • CLIP 83930 | aa | 1 |
| 132 | 4W0001 | • NUT - .190 DIA | aa | 1 |
| 133 | 4W0103 | • BOLT - .190 DIA X .500 | aa | 1 |
| 134 | 5W1086 | • WASHER | aa | 1 |
| 136 | 400WSS5 | • CLIP 83930 | aa | 1 |
| 140 | 4W0001 | • NUT - .190 DIA | aa | 1 |
| 149 | 4W0103 | • BOLT - .190 DIA X .500 | aa | 1 |
| 150 | 5W1086 | • WASHER | aa | 1 |
| 152 | 400WSS5 | • CLIP 83930 | aa | 1 |
| 156 | 4W0001 | • NUT - .190 DIA | aa | 1 |
| 200 | AS15778 | • • WIRE - THRUST U1653 | aa | 2 |
| 201 | AS15702 | • • NUT - TUBE COUPLING U1653 | aa | 2 |
| 202 | AS15724 | • • FERRULE - WELDING TUBE U1653 | aa | 1 |
| 240 | AS15778 | • • WIRE - THRUST U1653 | aa | 1 |
| 241 | AS15702 | • • NUT - TUBE COUPLING U1653 | aa | 1 |
| 242 | 5W8144 | • • FERRULE - ELBOW | aa | 1 |
| - ITEM NOT ILLUSTRATED, ***** EFFECTIVITY NOT AVAILABLE | ||||
Figure: AIR-BEARING COMPARTMENT COOLING & SEALING TUBES
BEARING COMPARTMENT COOLING

