DMC:V2500-A5-75-32-42-01A-941A-DIssue No:001.00Issue Date:2014-05-01
Export Control
EAR Export Classification: Not subject to the EAR per 15 C.F.R. Chapter 1, Part 734.3(b)(3), except for the following Service Bulletins which are currently published as EAR Export Classification 9E991: SBE70-0992, SBE72-0483, SBE72-0580, SBE72-0588, SBE72-0640, SBE73-0209, SBE80-0024 and SBE80-0025.Copyright
© IAE International Aero Engines AG (2001, 2014 - 2021) The information contained in this document is the property of © IAE International Aero Engines AG and may not be copied or used for any purpose other than that for which it is supplied without the express written authority of © IAE International Aero Engines AG. (This does not preclude use by engine and aircraft operators for normal instructional, maintenance or overhaul purposes.).Applicability
V2500-A5
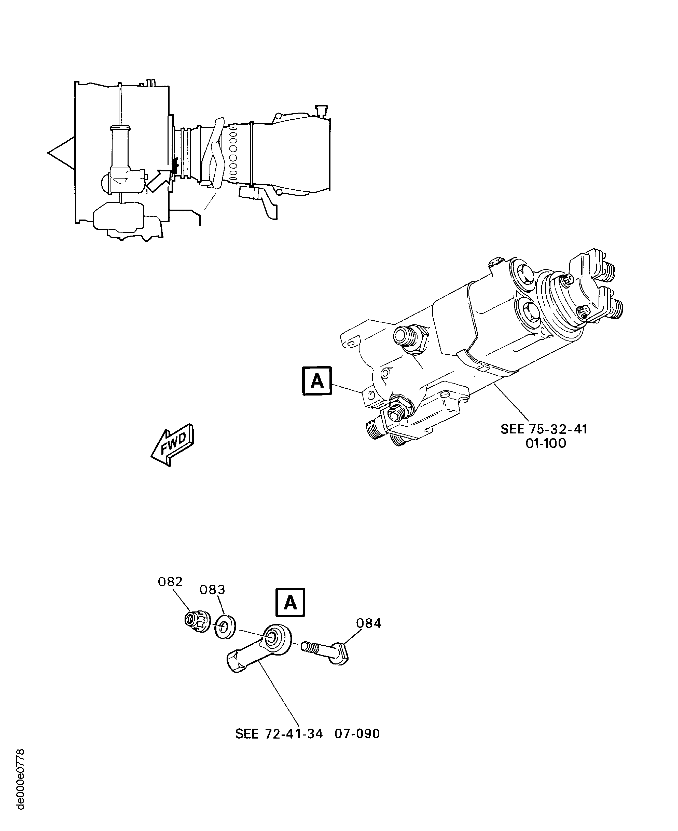
| Fig. Item | Part No. | Description | Effect/Model Applic. | UPA |
|---|---|---|---|---|
| 01 | ||||
| - | B75324201 | HP COMP VARIABLE STATOR VANE ACTUATOR LINKAGE | aa | |
| 080 | UP70038 | • WASHER - FLAT RECESSED | aa/01 | 1 |
| 081 | AS26424 | • BOLT, CLOSE TOL DEE HEAD U1653 | aa/01 | 1 |
| 082 | 4W0004 | • NUT - .375 DIA (SEE APPENDIX 5) | aa/02 | 1 |
| 083 | 4W2624 | • WASHER (SEE APPENDIX 5) | aa/02 | 1 |
| 084 | AS26423 | • BOLT, CLOSE TOL DEE HEAD, .375DIA X 1.438 U1653 | aa/02 | 1 |
| 089 | A234-6LW | • NUT - LOCK THIN | aa/01 | 1 |
| 090 | 12-412-06E001 | • BEARING - LH 09455 | aa/01 | 1 |
| 094 | A234-6RW | • NUT - THIN WIRE LOCKING | aa/01 | 1 |
| 095 | 02-412-06E001 | • BEARING - RH CONTROL ROD 09455 | aa/01 | 1 |
| 100 | UP11073 | • ROD, CONTROL VANE ACT MECH | aa/01 | 1 |
| - ITEM NOT ILLUSTRATED, ***** EFFECTIVITY NOT AVAILABLE | ||||
Figure: HPC Variable Stator Vane Actuator
HPC Variable Stator Vane Actuator

