Export Control
EAR Export Classification: Not subject to the EAR per 15 C.F.R. Chapter 1, Part 734.3(b)(3), except for the following Service Bulletins which are currently published as EAR Export Classification 9E991: SBE70-0992, SBE72-0483, SBE72-0580, SBE72-0588, SBE72-0640, SBE73-0209, SBE80-0024 and SBE80-0025.Copyright
© IAE International Aero Engines AG (2001, 2014 - 2021) The information contained in this document is the property of © IAE International Aero Engines AG and may not be copied or used for any purpose other than that for which it is supplied without the express written authority of © IAE International Aero Engines AG. (This does not preclude use by engine and aircraft operators for normal instructional, maintenance or overhaul purposes.).Applicability
All
Common Information
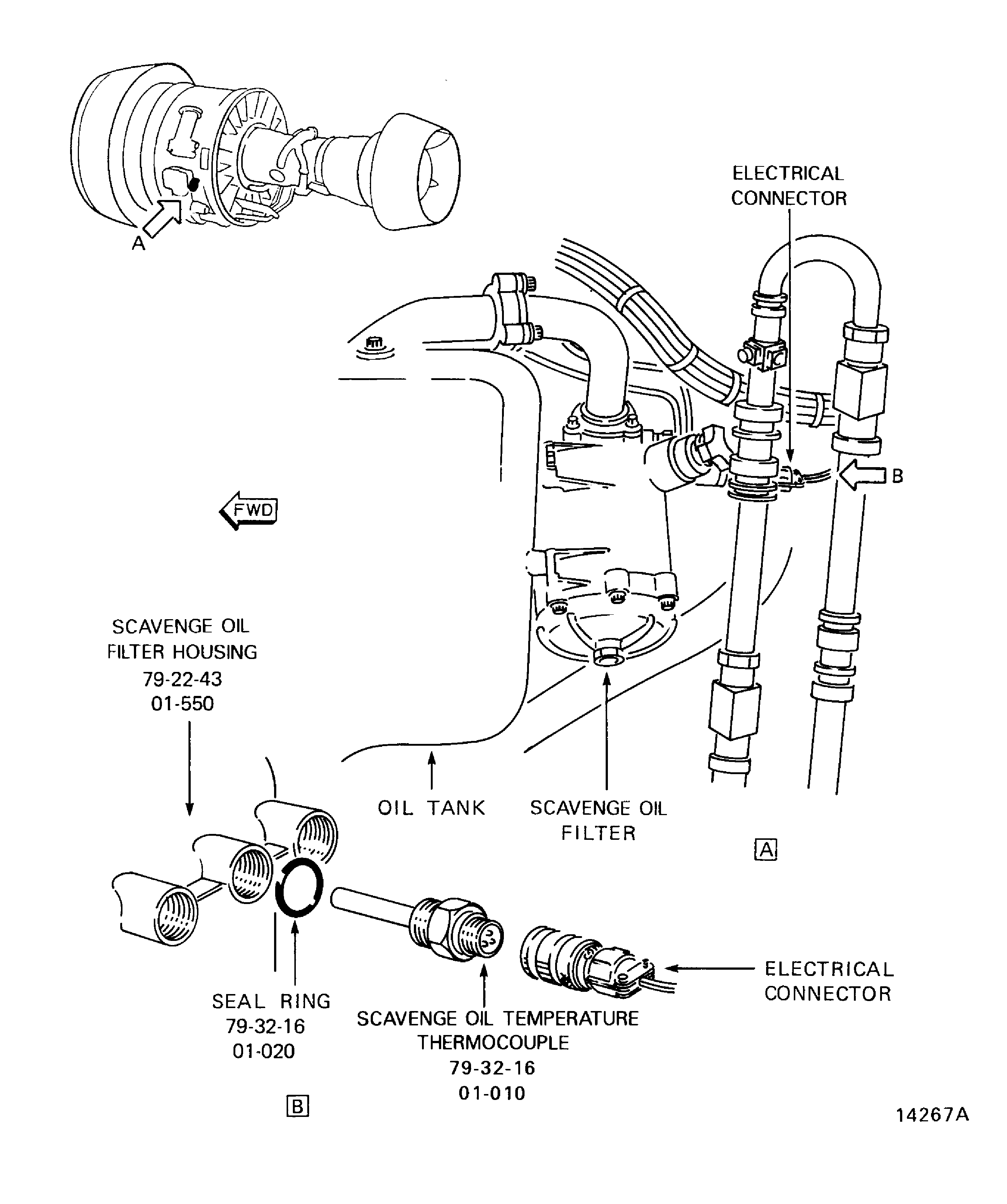
TASK 72-00-60-050-006 External Gearbox Components - Remove The Scavenge Oil Temperature Thermocouple, Removal-010
General
Fig/item numbers in parentheses in the procedure agree with those used in the EIPC. Only the primary Fig/item numbers are used. For the service bulletin alpha variants refer to the EIPC.
Apply the CoMat 10-058 PENETRATING OIL before the removal of threaded parts and parts with an interference fit. Let the parts soak before removal.
Discard the seal removed in this procedure.
NOTE
Preliminary Requirements
Pre-Conditions
NONESupport Equipment
NONEConsumables, Materials and Expendables
| Name | Manufacturer | Part Number / Identification | Quantity | Remark |
|---|---|---|---|---|
| CoMat 10-058 PENETRATING OIL | 0AM53 | CoMat 10-058 |
Spares
NONESafety Requirements
NONEProcedure
Refer to Figure.
Disconnect the electrical connector from the scavenge oil temperature (SOT) thermocouple OIL-SCAVENGE OIL TEMPERATURE THERMOCOUPLE (79-32-16, 01-010).
Remove the SOT thermocouple OIL-SCAVENGE OIL TEMPERATURE THERMOCOUPLE (79-32-16, 01-010) and the seal ring OIL-SCAVENGE OIL TEMPERATURE THERMOCOUPLE (79-32-16, 01-020) from the scavenge oil filter housing Scavenge Oil Filter Housing (79-22-43, 01-550).
Put blanking caps on the scavenge oil filter housing Scavenge Oil Filter Housing (79-22-43, 01-550) the SOT thermocouple OIL-SCAVENGE OIL TEMPERATURE THERMOCOUPLE (79-32-16, 01-010) and the electrical connector.
SUBTASK 72-00-60-040-052 Remove the Scavenge Oil Temperature Thermocouple
Figure: Scavenge oil temperature thermocouple
Scavenge oil temperature thermocouple

