TASK 72-32-25-440-001 No. 3 Bearing Rear Face Seal Assembly - Assemble, Assemble-001

DMC:V2500-A0-72-32-2500-00A-710A-B|Issue No:002.00|Issue Date:2019-08-01

Export Control

EAR Export Classification: Not subject to the EAR per 15 C.F.R. Chapter 1, Part 734.3(b)(3), except for the following Service Bulletins which are currently published as EAR Export Classification 9E991: SBE70-0992, SBE72-0483, SBE72-0580, SBE72-0588, SBE72-0640, SBE73-0209, SBE80-0024 and SBE80-0025.

Copyright

© IAE International Aero Engines AG (2001, 2014 - 2021) The information contained in this document is the property of © IAE International Aero Engines AG and may not be copied or used for any purpose other than that for which it is supplied without the express written authority of © IAE International Aero Engines AG. (This does not preclude use by engine and aircraft operators for normal instructional, maintenance or overhaul purposes.).

Applicability

All

Common Information

TASK 72-32-25-440-001 No. 3 Bearing Rear Face Seal Assembly - Assemble, Assemble-001

General

Fig/item numbers in parentheses in the procedure agree with those used in the IPC. Only the primary Fig/item numbers are used. For the service bulletin alpha variants refer to the IPC.

For all parts identified in a different Chapter/Section/Subject, the applicable Chapter/Section/Subject comes before the Fig/item number.

For standard torque data and procedures, refer to SPM TASK 70-41-00-400-501 and SPM TASK 70-41-02-400-501.

Special torque data and assembly tolerances are included in this procedure.

Lubricate all threads and abutment faces of nuts and bolts with CoMat 10-077 APPROVED ENGINE OILS, unless other lubricants are referred to in the procedure.

To identify, lubricate and install seal rings, refer to TASK 70-44-01-400-501.

The number for each radial location must be identified in a clockwise direction. These start at the engine top position when you look from the rear of the engine, unless stated differently in the procedure.

NOTE

To identify the consumable materials refer to the PCI.

NOTE

Special tools are identified in the procedure by the tool primary number.

Preliminary Requirements

Pre-Conditions

NONE

Support Equipment

NameManufacturerPart Number / IdentificationQuantityRemark
IAE 1P16189 Fixture0AM53IAE 1P161891
IAE 6F10029 Air flow test cart0AM53IAE 6F100291

Consumables, Materials and Expendables

NameManufacturerPart Number / IdentificationQuantityRemark
CoMat 10-077 APPROVED ENGINE OILSX333XCoMat 10-077

Spares

NameManufacturerPart Number / IdentificationQuantityRemark
Split rivets77445Split rivets4

Safety Requirements

NONE

Procedure

    1. SUBTASK 72-32-25-440-051 Assemble the No. 3 Bearing Rear Oil Seal Assembly (02-100)

    2. Refer to Figure, Figure, Figure, Figure and Figure.

    3. Put the seal ring holder (02-230), with the screw thread inserts (02-270) and the pin (02-200) installed, flange down on the bench.

    4. Find the offset hole in the seal ring holder.

    5. Install the sleeve spacers (02-210) to two of the pins, Figure.

      1. Install the seal ring (02-250) in the seal ring holder.

      2. Put the large outer diameter of the seal ring at the lower end of the holder.

      3. Position the seal ring with the gap 180 degrees from the offset pin in the seal ring holder.

    6. Install the springs (02-240) in the seal ring holder.

      1. Install the No. 3 bearing face seal assembly in the seal ring holder.

      2. Put the No. 3 bearing face seal assembly over the seal ring holder.

      3. Align the offset slot with the pin which is in the offset hole and the wide slots with the pins which have the sleeve spacers.

      4. Lower the face seal on to the springs on the seal ring holder.

      5. Put the guides on the No. 3 bearing face seal assembly in to the springs in the seal ring holder.

      6. Engage the two parts.

    7. Install the collars (02-220) on the pins.

    8. Install No. 3 Bearing Rear Seal Assembly (72-32-25,02-260) split rivets 4 off through the holes in the pins.

    1. SUBTASK 72-32-25-440-056 Bend the Split Rivets Around the Collars

    2. Refer to Figure.

    1. SUBTASK 72-32-25-440-052 Install the No. 3 Bearing Seal Assembly in to the Fixture

    2. Refer to Figure and Figure.

    3. Remove the retaining bolts and the large hexagonal nut from the cover, part of IAE 1P16189 Fixture 1 off.

    4. Remove the cover from the fixture and make an inspection of the rubber rings and the neoprene sealing surfaces.

    5. Remove the sealing ring clamp from the fixture.

    6. Remove the sealing ring assembly and make an inspection of the micro finish for nicks and scratches.

      NOTE

      A No. 3 bearing seal seat (02-400) can be used in place of the sealing ring assembly.
    7. Install the sealing ring assembly with the micro finish up in to the fixture.

    8. Install the clamping ring over the sealing ring assembly outer diameter.

    9. Attach the sealing ring clamp with the retaining bolts.

    10. Carefully lower the No. 3 bearing seal assembly in to the fixture until the face of the seal assembly touches the fixture sealing ring assembly.

    11. Install and tighten the seal assembly retaining bolts.

    12. Install the cover on the fixture.

    13. Install and tighten the cover retaining bolts.

    14. Install and tighten the large hexagonal nut on the center post.

      NOTE

      The hoses are different sizes to eliminate the risk of error.
    15. Connect the hoses from the IAE 6F10029 Air flow test cart 1 off to the fixture.

    1. SUBTASK 72-32-25-720-051-A00 Do a Check for Leakage of the No. 3 Bearing Rear Oil Seal Assembly (Pre SBE 72-0132)

    2. Refer to Figure and Figure.

      1. Do the air flow check of the oil seal assembly with the procedure in Step or the procedure in Step.

      2. With the air pressure at 80 psi (551.6 kPa) the leakage shall not be more than 4.5 cubic feet (0.13 cubic meters) for each minute of free air.

      3. With the air pressure at 50 psi (344.7 kPa) the leakage shall not be more than 2.8 cubic feet (0.08 cubic meters) for each minute of free air.

      4. If leakage exceeds limits do Step and Step.

      1. Remove the assembly, turn the sealing ring assembly over, and do a check for seal ring leakage.

      2. Relieve the air pressure.

      3. Remove the retaining bolts and the large hexagonal nut from the cover.

      4. Remove the cover from the fixture.

      5. Remove the oil seal assembly retaining bolts.

      6. Remove the No. 3 bearing rear oil seal assembly.

      7. Remove the retaining bolts which hold the sealing ring clamp.

      8. Remove the sealing ring clamp.

      9. Remove the sealing ring assembly.

      10. Turn the sealing ring assembly so the neoprene seal is up.

      11. Install the sealing ring assembly.

      12. Install the sealing ring clamp.

      13. Install the retaining bolts which hold the clamp ring. Tighten the bolts.

      14. Install the No. 3 bearing seal assembly so that the face of the seal touches the sealing plate.

      15. Install and tighten the retaining bolts for the seal assembly.

      16. Install the cover on to the base over the center post.

      17. Install the cover retaining bolts and the hexagonal nut to the center post. Tighten the bolts and the nut.

      1. Do a check for leakage of the seal ring.

      2. Apply air pressure at 80 psi (551.6 kPa) and check the air flow.

      3. If the seal assembly still leaks there is leakage past the seal ring. Refer to Step.

      4. If leakage is now within limits on the seal ring, the No. 3 face seal assembly is not properly engaged on the sealing plate. Refer to Step.

    3. Replace or repair the seal ring if there is leakage past the seal ring.

      1. If there is leakage past the face seal of the No. 3 bearing seal assembly, do these steps:

      2. Remove the No. 3 bearing rear oil seal assembly from the fixture as given in Step thru Step.

      3. Compress and release the face seal assembly to make sure that it is not sideways, or so that it can not move freely.

      4. Remove the face seal from the No. 3 bearing seal assembly and lap it, if necessary.

    4. Assemble the No. 3 bearing seal assembly, refer to Step.

    5. Install the No. 3 bearing seal assembly in to the fixture, refer to Step.

    6. Do a check for leakage as given in Step.

    7. Remove the No. 3 bearing seal assembly from the fixture.

    1. SUBTASK 72-32-25-720-051-B00 Do a Check for Leakage of the No. 3 Bearing Rear Oil Seal Assembly (SBE 72-0132)

    2. Refer to Figure and Figure.

    3. SBE 72-0132: Removal of Stage 6 Buffer Air System.

      1. Do the air flow check of the oil seal assembly with the procedure in Step.

      2. With the air pressure at 25 psi (172.4 kPa) the leakage shall not be more than 2.5 cubic feet (0.08 cubic meters) for each minute of free air.

      3. If leakage exceeds limits do Step and Step.

      1. Remove the assembly, turn the sealing ring assembly over, and do a check for seal ring leakage.

      2. Relieve the air pressure.

      3. Remove the retaining bolts and the large hexagonal nut from the cover.

      4. Remove the cover from the fixture.

      5. Remove the oil seal assembly retaining bolts.

      6. Remove the No. 3 bearing rear oil seal assembly.

      7. Remove the retaining bolts which hold the sealing ring clamp.

      8. Remove the sealing ring clamp.

      9. Remove the sealing ring assembly.

      10. Turn the sealing ring assembly so the neoprene seal is up.

      11. Install the sealing ring assembly.

      12. Install the sealing ring clamp.

      13. Install the retaining bolts which hold the clamp ring. Tighten the bolts.

      14. Install the No. 3 bearing seal assembly so that the face of the seal touches the sealing plate.

      15. Install and tighten the retaining bolts for the seal assembly.

      16. Install the cover on to the base over the center post.

      17. Install the cover retaining bolts and the hexagonal nut to the center post. Tighten the bolts and the nut.

      1. Do a check for leakage of the seal ring.

      2. Apply air pressure at 25psi (172.4 kPa) and check the air flow.

      3. If the seal assembly still leaks there is leakage past the seal ring. Refer to Step.

      4. If leakage is now within limits on the seal ring, the No. 3 face seal assembly is not properly engaged on the sealing plate. Refer to Step.

    4. Replace or repair the seal ring if there is leakage past the seal ring.

      1. If there is leakage past the face seal of the No. 3 bearing seal assembly, do these steps:

      2. Remove the No. 3 bearing rear oil seal assembly from the fixture as given in Step thru Step.

      3. Compress and release the face seal assembly to make sure that it is not sideways, or so that it can not move freely.

      4. Remove the face seal from the No. 3 bearing seal assembly and lap it, if necessary.

    5. Assemble the No. 3 bearing seal assembly, refer to Step.

    6. Install the No. 3 bearing seal assembly in to the fixture, refer to Step.

    7. Do a check for leakage as given in Step.

    8. Remove the No. 3 bearing seal assembly from the fixture.

    1. SUBTASK 72-32-25-440-055 Install the No. 3 Bearing Seal Assembly in to a Container

    2. Install the No. 3 bearing seal assembly in to a container.

  1. Figure: Find The Offset Hole in The Seal Ring Holder

    Find The Offset Hole in The Seal Ring Holder

    Figure: Install The Sleeve Spacers and Seal Ring in The Seal Ring Holder

    Install The Sleeve Spacers and Seal Ring in The Seal Ring Holder

    Figure: Install The Springs in The Seal Ring Holder

    Install The Springs in The Seal Ring Holder

    Figure: Install The Face Seal Assembly on to The Seal Ring Holder

    Install The Face Seal Assembly on to The Seal Ring Holder

    Figure: Install The Collars and The Split Rivets

    Install The Collars and The Split Rivets

    Figure: Install The No. 3 Bearing Rear Oil Seal Assembly in to The IAE 1P16189 Fixture

    Install The No. 3 Bearing Rear Oil Seal Assembly in to The IAE 1P16189 Fixture

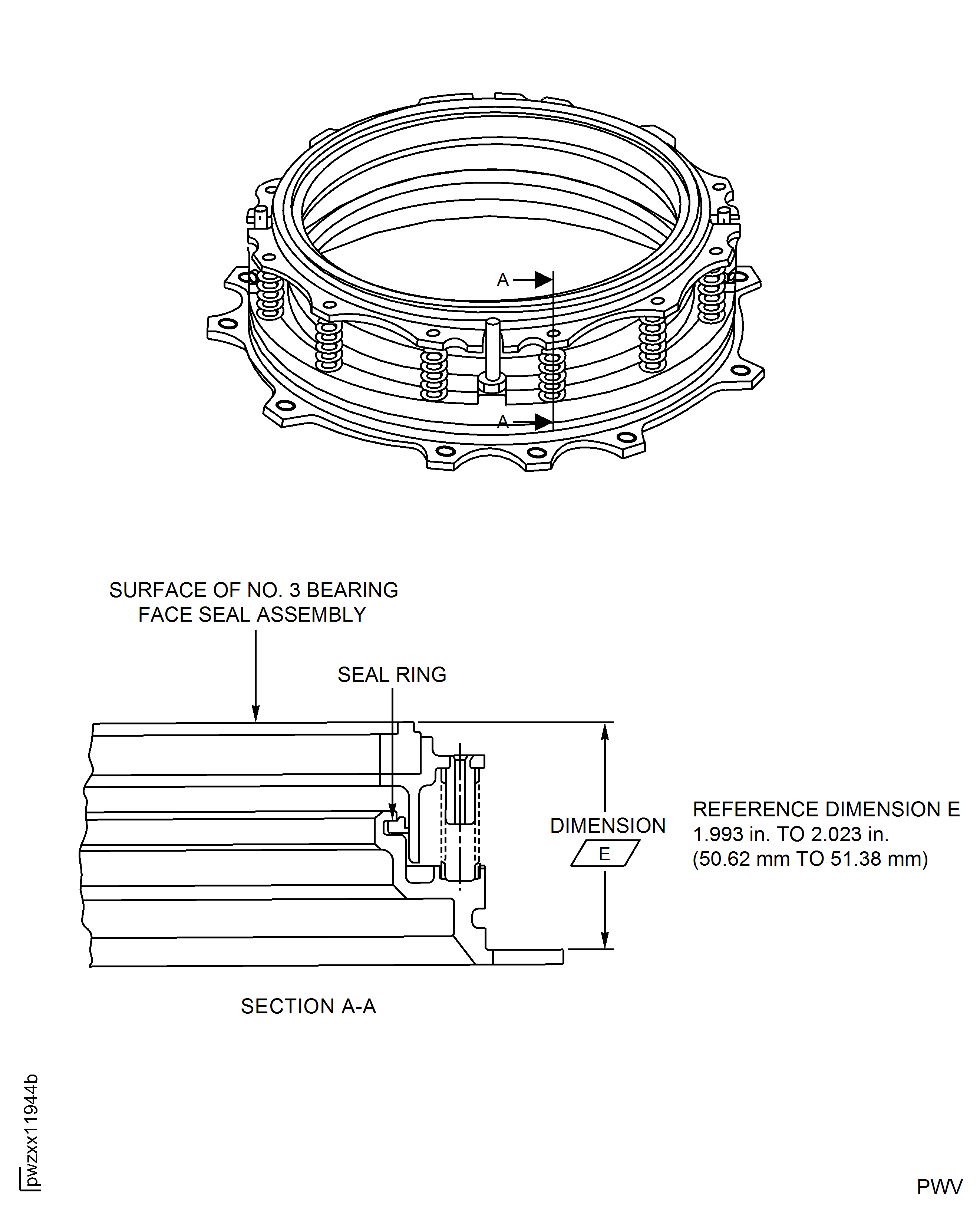
    Figure: Dimensions for Pressure Checking the Seal Assembly

    Dimensions for Pressure Checking the Seal Assembly

Requirements After Job Completion

Follow-On Conditions

NONE
Change Type:

Revised procedure to correct figure 7. (18VC627)

Manufacturer Code:0AM53
Enterprise Name:IAE INTERNATIONAL AERO ENGINES AG
BU Name:NULL
Building:SUITE 400
Street:628 HEBRON AVENUE
City:GLASTONBURY
State:CT
Zip Code:06033
Country:USA
Manufacturer Code:77445
Enterprise Name:PRATT AND WHITNEY
BU Name:PRATT & WHITNEY
Street:400 MAIN STREET
City:EAST HARTFORD
Country:USA
Phone Number:8605657700
Manufacturer Code:X333X
Enterprise Name:REFER TO V2500 SB ENG-79-0108
Link not Found
Manufacturer Code:X333X
Supply Number:CoMat 10-077
Type:sp01
Supply Short Name:CoMat 10-077 APPROVED ENGINE OILS
Supply Name:CoMat 10-077 APPROVED ENGINE OILS
Specification Groups:
Doc NumberType
For V2500-A1/A5/D5 models - Refer to V2500 Service Bulletin ENG-79-0108
For V2500-E5 model - Refer to Service Bulletin E5-79-0001
Suppliers:
ManufacturerRemarks
X333X
Manufacturer Code:0AM53
Tool Number:IAE 1P16189
Tool Name:IAE 1P16189 Fixture
Manufacturer Code:0AM53
Tool Number:IAE 6F10029
Tool Name:IAE 6F10029 Air flow test cart