Export Control
EAR Export Classification: Not subject to the EAR per 15 C.F.R. Chapter 1, Part 734.3(b)(3), except for the following Service Bulletins which are currently published as EAR Export Classification 9E991: SBE70-0992, SBE72-0483, SBE72-0580, SBE72-0588, SBE72-0640, SBE73-0209, SBE80-0024 and SBE80-0025.Copyright
© IAE International Aero Engines AG (2001, 2014 - 2021) The information contained in this document is the property of © IAE International Aero Engines AG and may not be copied or used for any purpose other than that for which it is supplied without the express written authority of © IAE International Aero Engines AG. (This does not preclude use by engine and aircraft operators for normal instructional, maintenance or overhaul purposes.).Applicability
All
Common Information
TASK 72-32-36-300-013 No. 2 and 3 Bearing Oil Distributor And Tubes - Related Parts - Replace The Shank Nuts Of The Main Oil Distributor, Repair-013 (VRS1737)
Material of component
PART IDENT | SYMBOL | MATERIAL |
Main oil distributor | Corrosion resistant steel | |
Shank nut | Corrosion resistant steel |
General
The practices and processes referred to in the procedure by the TASK numbers are in the SPM.
Preliminary Requirements
Pre-Conditions
NONESupport Equipment
| Name | Manufacturer | Part Number / Identification | Quantity | Remark |
|---|---|---|---|---|
| Drill Machine | LOCAL | Drill Machine | . | |
| Fluorescent Penetrant Inspection Equipment | LOCAL | Fluorescent Penetrant Inspection Equipment | ||
| IAE 3J12713 Peening tool | 0AM53 | IAE 3J12713 | 1 off |
Consumables, Materials and Expendables
NONESpares
NONESafety Requirements
NONEProcedure
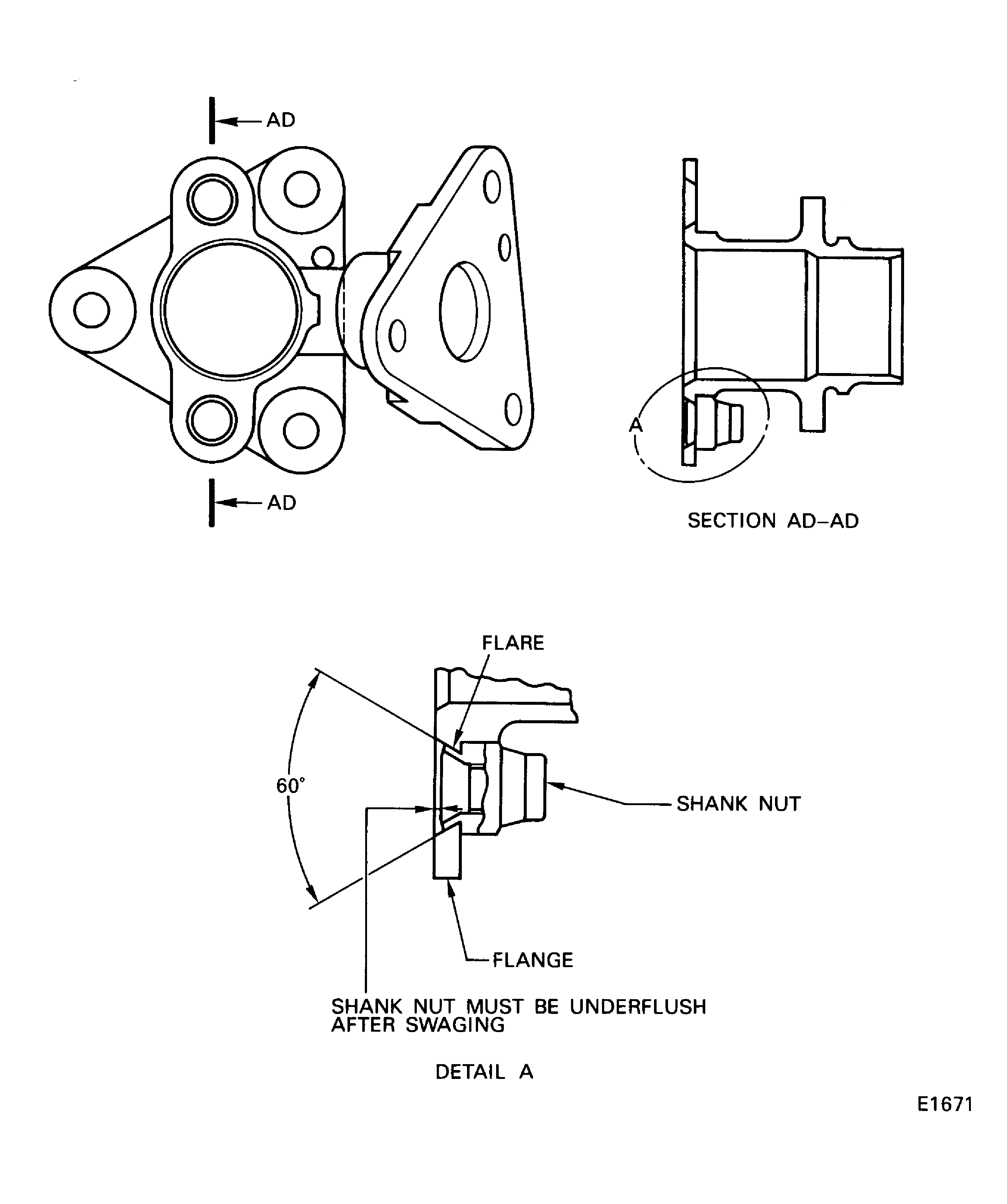
Refer to Figure.
Use the Drill Machine to drill the flare of the shank nut until the flare twists.
Use a 0.315 in. (8.00 mm) drill.
Take care not to cause damage to the flange bore or face.
Refer to SPM TASK 70-35-11-300-501.
Remove the damaged shank nut
Remove all sharp edges from around the nut location hole.
Clean the hole with a soft clean cloth and blast with air.
SUBTASK 72-32-36-350-065 Remove the Damaged Shank Nuts of the Main Oil Distributor.
Refer to SPM TASK 70-23-05-230-501.
Cracks are not permitted.
Do a penetrant crack test.
SUBTASK 72-32-36-230-083 Examine the Flange Nut Location Hole of the Main Oil Distributor
Nicks, scratches and burrs are not permitted.
Visually examine the nut location hole.
SUBTASK 72-32-36-220-129 Examine the Flange of the Main Oil Distributor
Refer to Figure.
Make sure that the shank nut is installed correctly.
Install a new shank nut in to the flange nut location hole.
The shank nut must be held firmly against the flange before you start to swage it.
Take care not to cause damage to the flange.
Use the IAE 3J12713 Peening tool.
When you swage, the tool may cause damage to the silver coating inside the shank. This is permissible and it is not necessary to touch-up the coating if it is damaged.
All loose flakes of silver coating are to be removed.
Refer to SPM TASK 70-35-11-300-501.
Hold the shank nut in position and make the flare.
SUBTASK 72-32-36-350-066 Install New Shank Nuts to the Main Oil Distributor
Refer to Figure.
The flare should be evenly peened.
Cracks are not permitted.
Circumferential movement of nut to flange is permitted but there must be no axial movement.
Visually examine the shank nut hole.
SUBTASK 72-32-36-220-130 Examine the Shank Nut of the Main Oil Distributor.
Figure: Replace The Shank Nut Of The Main Oil Distributor
Replace The Shank Nut Of The Main Oil Distributor

