Export Control
EAR Export Classification: Not subject to the EAR per 15 C.F.R. Chapter 1, Part 734.3(b)(3), except for the following Service Bulletins which are currently published as EAR Export Classification 9E991: SBE70-0992, SBE72-0483, SBE72-0580, SBE72-0588, SBE72-0640, SBE73-0209, SBE80-0024 and SBE80-0025.Copyright
© IAE International Aero Engines AG (2001, 2014 - 2021) The information contained in this document is the property of © IAE International Aero Engines AG and may not be copied or used for any purpose other than that for which it is supplied without the express written authority of © IAE International Aero Engines AG. (This does not preclude use by engine and aircraft operators for normal instructional, maintenance or overhaul purposes.).Applicability
All
Common Information
TASK 72-32-72-300-005 LPC Bleed Valve Ring - Replace The Bush, Repair-005 (VRS1752)
Effectivity
FIG/ITEM | PART NO. | |
|---|---|---|
02-100 | 5A1450 | Assembly A |
02-100 | 5A1686 | Assembly A |
02-100 | 5A1872 | Assembly A |
02-100 | 5A2225 | Assembly B |
General
Price and availability - none
The practices and processes referred to in the procedure by the TASK number are in the SPM.
NOTE
NOTE
Preliminary Requirements
Pre-Conditions
NONESupport Equipment
| Name | Manufacturer | Part Number / Identification | Quantity | Remark |
|---|---|---|---|---|
| Drilling machine | LOCAL | Drilling machine | ||
| Standard Workshop Equipment | LOCAL | Standard Workshop Equipment | ||
| Vibrating Marking Pencil | LOCAL | Vibrating Marking Pencil | ||
| Horizontal Boring Mill | LOCAL | Horizontal Boring Mill | ||
| IAE 3J12822 Staking punch | 0AM53 | IAE 3J12822 | 1 | |
| IAE 3J12823 Staking fixture | 0AM53 | IAE 3J12823 | 1 |
Consumables, Materials and Expendables
| Name | Manufacturer | Part Number / Identification | Quantity | Remark |
|---|---|---|---|---|
| CoMat 01-275 CHROMATE CONVERSION COATING FOR ALUMINIUM | 00BB6 | CoMat 01-275 | ||
| CoMat 02-099 LINT-FREE CLOTH | X222X | CoMat 02-099 | ||
| CoMat 03-026 LIQUID NITROGEN | LOCAL | CoMat 03-026 | ||
| CoMat 05-019 WATERPROOF SILICON CARBIDE | 1E1X8 | CoMat 05-019 | ||
| CoMat 05-020 WATERPROOF SILICON CARBIDE | 1E1X8 | CoMat 05-020 | ||
| CoMat 06-063 FLUORESCENT PENETRANT (POST-EMULSIFIED MEDIUM SENSITIVITY) | X222X | CoMat 06-063 | ||
| CoMat 06-064 FLUORESCENT PENETRANT (WATER WASHABLE MEDIUM SENSITIVITY) | X222X | CoMat 06-064 |
Spares
| Name | Manufacturer | Part Number / Identification | Quantity | Remark |
|---|---|---|---|---|
| BUSHING | 0AM53 | 5A0469 | A/R | Assembly A |
| BUSHING | 0AM53 | 5A0470 | A/R | Assembly A |
| BUSHING | 0AM53 | 5A1843 | A/R | Assembly A (oversized for 02-125) |
| BUSHING | 0AM53 | 5A1844 | A/R | Assembly A (oversized for 02-125) |
| BUSHING | 0AM53 | 5A1952 | A/R | Assembly A (oversized for 02-123) |
| BUSHING | 0AM53 | 5A1953 | A/R | Assembly A (oversized for 02-123) |
| BUSHING | 0AM53 | 5A2227 | A/R | Assembly B |
| BUSH | 0AM53 | 5A2228 | A/R | Assembly B |
| BUSH | 0AM53 | 5A2231 | A/R | Assembly B (oversized for 02-123) |
| BUSH | 0AM53 | 5A2232 | A/R | Assembly B (oversized for 02-123) |
| BUSH | 0AM53 | 5A2233 | A/R | Assembly B (oversized for 02-125) |
| BUSH | 0AM53 | 5A2234 | A/R | Assembly B (oversized for 02-125) |
Safety Requirements
NONEProcedure
Drill through the bush.
Use drill 0.354 in. (9.0 mm) for bush (02-123).
Use drill 0.433 in. (11.0 mm) for bush (02-125).
Use drill 0.452 in. (11.5 mm) for bush (02-127).
Use drill 0.472 in. (12.0 mm) for bush (02-129).
Use drill 0.393 in. (10.0 mm) for bush (02-118).
Use drill 0.452 in. (11.5 mm) for bush (02-120).
Drive out the bush with a small hammer and punch.
Care must be taken to make sure that the flange bore or face do not become damaged.
Use Drilling machine and Horizontal Boring Mill.
Remove the bush.
SUBTASK 72-32-72-350-055 Remove the Damaged Bush of the Valve Ring Assembly
Refer to the SPM TASK 70-23-05-230-501.
No cracks are permitted.
Do a crack test for the bush hole.
SUBTASK 72-32-72-230-056 Examine the Bush Hole of the Valve Ring Assembly
Refer to the SPM TASK 70-38-02-300-503.
Apply chromate conversion coating to the repaired surface, if necessary.
SUBTASK 72-32-72-380-054 Apply the Surface Protection to the Valve Ring Assembly
Care must be taken to make sure that flange bore or face do not become damaged.
The bush must not move axially after staking.
Use IAE 3J12822 Staking punch 1 off and IAE 3J12823 Staking fixture 1 off.
Staking the bush.
SUBTASK 72-32-72-350-056-001 Install New Bush to the Valve Ring Assembly for Assembly A
Use clean dry air blast or CoMat 02-099 LINT-FREE CLOTH.
Clean the new bush and the bush hole.
Freeze the bush.
Use hand tools.
Install and press the bush into the bush hole.
SUBTASK 72-32-72-350-056-002 Install New Bush to the Valve Ring Assembly for Assembly B
Refer to the SPM TASK 70-09-00-400-501, SUBTASK 70-09-00-400-001.
Write VRS1752, adjacent to the part number.
Refer to Step.
Apply the chromate conversion coating to the marked letter.
SUBTASK 72-32-72-350-062 Mark Repair Number on the Valve Ring Assembly
Figure: Replace The Bush Of The Valve Ring Assembly (For Repair Part 5A0470, Assembly A)
Replace The Bush Of The Valve Ring Assembly (For Repair Part 5A0470, Assembly A)

Figure: Replace The Bush Of The Valve Ring Assembly (For Repair Part 5A0469, Assembly A)
Replace The Bush Of The Valve Ring Assembly (For Repair Part 5A0469, Assembly A)

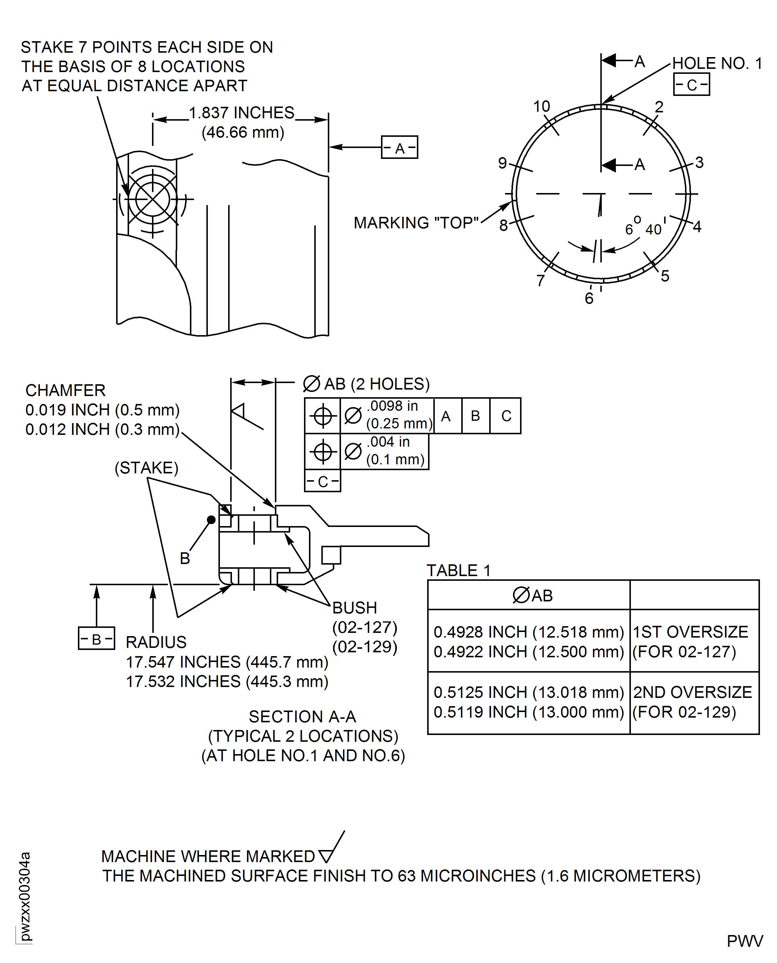
Figure: Replace The Bush Of The Valve Ring Assembly (For Oversize Bush, Repair Part 5A1843 And 5A1844, Assembly A)
Replace The Bush Of The Valve Ring Assembly (For Oversize Bush, Repair Part 5A1843 And 5A1844, Assembly A)

Figure: Replace The Bush Of The Valve Ring Assembly (For Oversize Bush, Repair Part 5A1952 and 5A1953, Assembly A)
Replace The Bush Of The Valve Ring Assembly (For Oversize Bush, Repair Part 5A1952 and 5A1953, Assembly A)

Figure: Replace The Bush Of The Valve Ring Assembly (For Repair Part 5A2227 And 5A2228, Assembly B)
Replace The Bush Of The Valve Ring Assembly (For Repair Part 5A2227 And 5A2228, Assembly B)

Figure: Replace The Bush Of The Valve Ring Assembly (For Oversized Bush, Repair Part 5A2233 And 5A2234, Assembly B)
Replace The Bush Of The Valve Ring Assembly (For Oversized Bush, Repair Part 5A2233 And 5A2234, Assembly B)

Figure: Replace The Bush Of The Valve Ring Assembly (For Oversized Bush, Repair Part 5A2231 And 5A2232, Assembly B)
Replace The Bush Of The Valve Ring Assembly (For Oversized Bush, Repair Part 5A2231 And 5A2232, Assembly B)

