Export Control
EAR Export Classification: Not subject to the EAR per 15 C.F.R. Chapter 1, Part 734.3(b)(3), except for the following Service Bulletins which are currently published as EAR Export Classification 9E991: SBE70-0992, SBE72-0483, SBE72-0580, SBE72-0588, SBE72-0640, SBE73-0209, SBE80-0024 and SBE80-0025.Copyright
© IAE International Aero Engines AG (2001, 2014 - 2021) The information contained in this document is the property of © IAE International Aero Engines AG and may not be copied or used for any purpose other than that for which it is supplied without the express written authority of © IAE International Aero Engines AG. (This does not preclude use by engine and aircraft operators for normal instructional, maintenance or overhaul purposes.).Applicability
All
Common Information
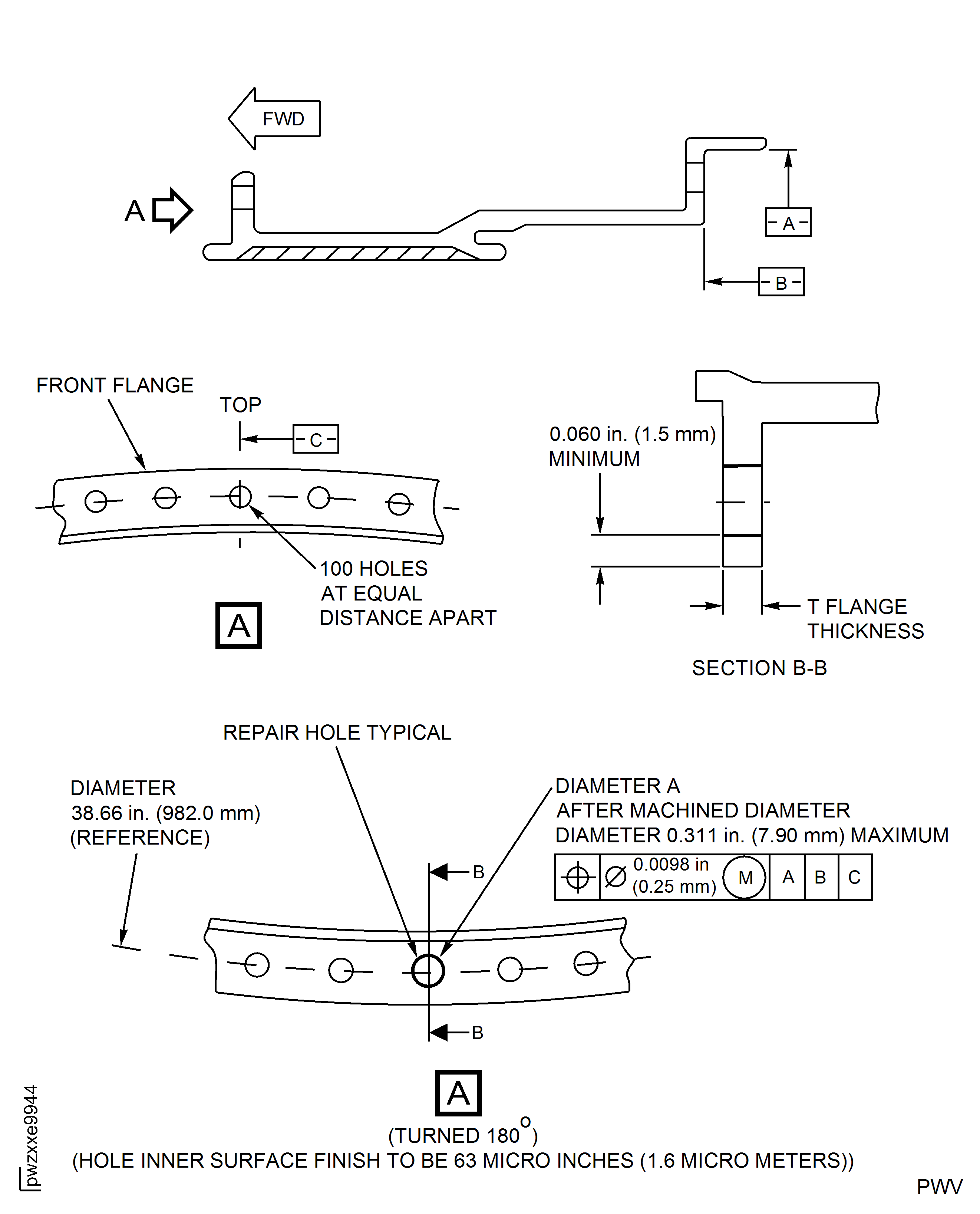
TASK 72-32-83-300-061 LPC Front Case - Repair The Damaged Bolt Hole At Flange By Bushing, Repair-061 (VRS1616)
General
This repair scheme gives the procedure for bushing repair at front and rear flange of the LPC Front Case.
Price and availability - none
The practices and processes referred to in the procedure by the TASK number are in the SPM.
NOTE
Preliminary Requirements
Pre-Conditions
NONESupport Equipment
| Name | Manufacturer | Part Number / Identification | Quantity | Remark |
|---|---|---|---|---|
| Fluorescent penetrant inspection equipment | LOCAL | Fluorescent Penetrant Inspection Equipment | ||
| Vibro-engraving equipment | LOCAL | Vibro-engraving equipment | ||
| Machining equipment | LOCAL | Machining equipment |
Consumables, Materials and Expendables
| Name | Manufacturer | Part Number / Identification | Quantity | Remark |
|---|---|---|---|---|
| CoMat 01-275 CHROMATE CONVERSION COATING FOR ALUMINIUM | LOCAL | CoMat 01-275 | ||
| CoMat 05-020 WATERPROOF SILICON CARBIDE | LOCAL | CoMat 05-020 | ||
| CoMat 05-021 WATERPROOF SILICON CARBIDE | 44197 | CoMat 05-021 | ||
| CoMat 06-064 FLUORESCENT PENETRANT (WATER WASHABLE MEDIUM SENSITIVITY) | LOCAL | CoMat 06-064 |
Spares
NONESafety Requirements
NONEProcedure
Use standard workshop equipment.
Determine center of the hole using the two adjacent holes without damage when drill positioning is done.
At front flange, the minimum distance between the machined hole edge and the flange edge must not be less than 0.060 in. (1.5 mm).
At rear flange, the remaining thickness from the machined hole edge to the outer surface and rear flange inner diameter must be more than 0.04 in. (1.0 mm).
Drill the damage hole(s) to remove the damage fully.
Refer to SPM TASK 70-35-03-300-501.
Remove the burr from the repaired area.
SUBTASK 72-32-83-320-053 Machine the Damaged Hole
Corrosion, galls, nicks, pits, scratches and burrs are not permitted.
Visually examine the machined hole.
Diameter A and Diameter B must not be more than 0.311 in. (7.90 mm).
Measure and record the diameter of the machined holes for manufacturing the bush as Diameter A and Diameter B.
Measure and record the flange thickness T.
SUBTASK 72-32-83-220-193 Examine the Machined Hole
Refer to SPM TASK 70-23-05-230-501.
No cracks are permitted.
Fluorescent penetrant examine the machined hole.
SUBTASK 72-32-83-230-089 Examine the Machined Hole for Cracks
Use a brush.
Refer to SPM TASK 70-38-02-300-503.
Apply the chromate conversion coating to the machined hole.
SUBTASK 72-32-83-380-078 Apply the Surface Protection to Machined hole
Refer to Figure.
Calculate Diameter D for outer diameter and T1 for thickness of bush.
Use AMS4132.
Manufacture the bush(es) locally.
SUBTASK 72-32-83-350-149 Manufacture the Bush
Refer to SPM TASK 70-23-05-230-501.
No cracks are permitted.
Fluorescent penetrant examine the manufactured bush(es).
SUBTASK 72-32-83-230-090 Examine the Manufactured Bush for Cracks
Refer to SPM TASK 70-38-02-300-503.
Apply the chromate conversion coating to the manufactured bush.
SUBTASK 72-32-83-380-079 Apply the Surface Protection to Manufactured Bush
Use a hot air gun.
Do not exceed 140 deg F (60 deg C).
Heat around the machined hole locally.
Install the bush(es).
SUBTASK 72-32-83-350-150 Install the Bush
Make sure that the bush surface is to be flush or below with the surrounding flange surface.
Loose of bush is not allowed.
Visually examine the installed bush(es).
SUBTASK 72-32-83-220-195 Examine the Installed Bush
Refer to SPM TASK 70-09-00-400-501.
Make a mark VRS1616 adjacent to the part number.
Refer to SPM TASK 70-38-02-300-503.
Apply the chromate conversion coating to the marked area.
SUBTASK 72-32-83-350-151 Identify the Repair
Figure: Repair Details and Dimensions for Damaged Bolt Hole on Front Flange
Repair Details and Dimensions for Damaged Bolt Hole on Front Flange

Figure: Repair Details and Dimensions for Damaged Bolt Hole on Rear Flange
Repair Details and Dimensions for Damaged Bolt Hole on Rear Flange

Figure: Details of the Manufactured Bush
Details of the Manufactured Bush

