Export Control
EAR Export Classification: Not subject to the EAR per 15 C.F.R. Chapter 1, Part 734.3(b)(3), except for the following Service Bulletins which are currently published as EAR Export Classification 9E991: SBE70-0992, SBE72-0483, SBE72-0580, SBE72-0588, SBE72-0640, SBE73-0209, SBE80-0024 and SBE80-0025.Copyright
© IAE International Aero Engines AG (2001, 2014 - 2021) The information contained in this document is the property of © IAE International Aero Engines AG and may not be copied or used for any purpose other than that for which it is supplied without the express written authority of © IAE International Aero Engines AG. (This does not preclude use by engine and aircraft operators for normal instructional, maintenance or overhaul purposes.).Applicability
All
Common Information
TASK 72-41-32-300-007 HPC Stage 5 Variable Stator Vane - Repair Surface Damage By Material Removal, Repair-007 (VRS6036)
Effectivity
FIG/ITEM | PART NO. | ASSEMBLY |
|---|---|---|
04-500 | 6A3697 | A |
04-500 | 6A3881 | A |
04-500 | 6A4331 | B |
04-500 | 6A5762 | B |
04-500 | 6A7479 | B |
04-500 | 6A7559 | B |
04-500 | 6A8065 | A |
04-500 | 6A8070 | A |
04-500 | 6A8725 | C |
04-500 | 6B1277 | C |
04-600 | 6A3698 | A |
04-600 | 6A3882 | A |
04-600 | 6A4332 | B |
04-600 | 6A5763 | B |
04-600 | 6A7480 | B |
04-600 | 6A7560 | B |
04-600 | 6A8066 | A |
04-600 | 6A8071 | A |
04-600 | 6A8728 | C |
04-600 | 6B1276 | C |
Material of component
DESCRIPTION | MATERIAL |
Stage 5 HP compressor variable stator vane | Corrosion resistant steel |
General
This repair must only be done when the instruction to do so is given in 72-41-32 Inspection/Check.
This repair gives the instruction to remove damage on the HP compressor variable stator vane, stage 5 by material removal.
Not more than ten percent of variable stator vanes dressed to the maximum limit of this repair should be included in any one stator stage.
Variable stator vanes must be repaired as soon as damage or wear is monitored, to get back HP compressor efficiency and extend the variable stator vane life.
Material removal from the HP compressor variable stator vane airfoil fillet radius is not permitted.
The practices and processes referred to in the procedure by the TASK/SUBTASK numbers are in the SPM.
Price and availability
Refer to International Aero Engines
Related repairs - None
NOTE
NOTE
Preliminary Requirements
Pre-Conditions
NONESupport Equipment
| Name | Manufacturer | Part Number / Identification | Quantity | Remark |
|---|---|---|---|---|
| Penetrant Crack Test Equipment | LOCAL | Penetrant crack test equipment | ||
| Portablegrinding equipment | LOCAL | Portable grinding equipment | ||
| Dimensional inspection equipment | LOCAL | Dimensional inspection equipment | ||
| Chemical cleaning equipment | LOCAL | Chemical cleaning equipment | ||
| Vibrating marking pencil | LOCAL | Vibrating marking pencil |
Consumables, Materials and Expendables
| Name | Manufacturer | Part Number / Identification | Quantity | Remark |
|---|---|---|---|---|
| CoMat 05-075 WATERPROOF SILICON CARBIDE | IE241 | CoMat 05-075 | ||
| CoMat 05-076 WATERPROOF SILICON CARBIDE | K3895 | CoMat 05-076 | ||
| CoMat 05-077 WATERPROOF SILICON CARBIDE | K6835 | CoMat 05-077 | ||
| CoMat 05-079 WATERPROOF SILICON CARBIDE | K3895 | CoMat 05-079 | ||
| CoMat 05-082 WATERPROOF SILICON CARBIDE | 44197 | CoMat 05-082 | ||
| CoMat 06-022 FLUORESCENT PENETRANT (POST-EMULSIFIED ULTRA HIGH SENSITIVITY) | LOCAL | CoMat 06-022 |
Spares
NONESafety Requirements
NONEProcedure
Refer to the SPM TASK 70-23-04-230-501.
Do a full crack test to identify all areas for dressing.
Use penetrant crack test equipment.
Cracks are not permitted.
Do a penetrant crack test.
SUBTASK 72-41-32-230-097 Do a Crack Test
Use portable grinding equipment.
Continue to remove material until all the damage is removed.
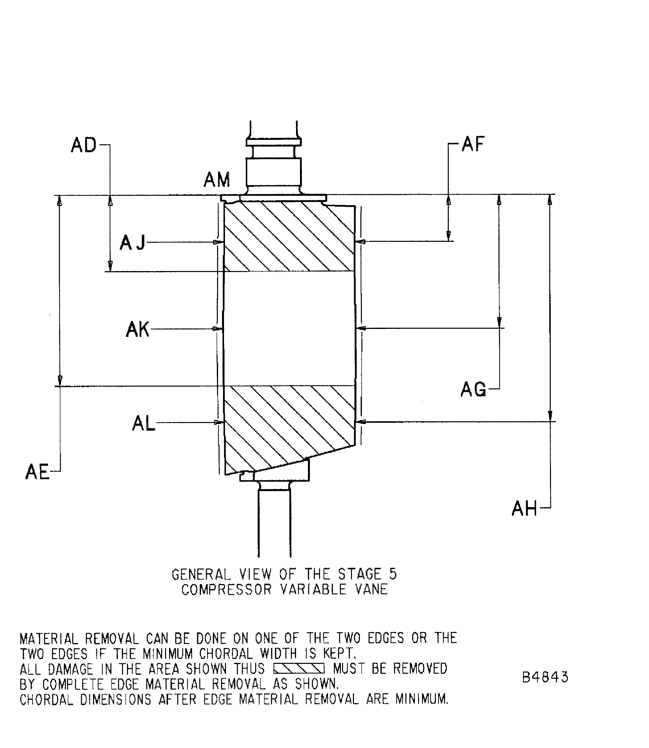
Refer to the material removal limits shown below:
AD 0.650 in. (16.51 mm).
AE 1.640 in. (41.66 mm).
AF 0.290 in. (7.37 mm).
AG 1.350 in. (34.29 mm).
AH 2.000 in. (50.80 mm).
AJ 1.197 in. (30.40 mm).
AK 1.197 in. (30.40 mm).
AL 1.177 in. (29.90 mm).
AN 0.800 in. (20.32 mm).
Remove damage on the leading and trailing edges by material removal.
Use CoMat 05-082 WATERPROOF SILICON CARBIDE and/or CoMat 05-079 WATERPROOF SILICON CARBIDE, as necessary.
Make sure all the damage marks are completely removed and the area is made smooth into the adjacent material.
Make smooth the repaired area.
Use CoMat 05-077 WATERPROOF SILICON CARBIDE or CoMat 05-076 WATERPROOF SILICON CARBIDE and/or CoMat 05-075 WATERPROOF SILICON CARBIDE.
Polish the repaired area to remove scratches and to give a surface finish the same as the adjacent material.
Polish the repaired area.
SUBTASK 72-41-32-350-074-A00 Remove Damage from the HP Compressor Variable Stator Vane, Stage 5, Assembly A
Use portable grinding equipment.
Continue to remove material until all the damage is removed.
Refer to the material removal limits shown below:
AD 0.650 in. (16.51 mm).
AE 1.640 in. (41.66 mm).
AF 0.370 in. (9.40 mm).
AG 1.390 in. (35.31 mm).
AH 2.030 in. (51.56 mm).
AJ 1.216 in. (30.89 mm).
AK 1.206 in. (30.63 mm).
AL 1.206 in. (30.63 mm).
AN 0.800 in. (20.32 mm).
Remove damage on the leading and trailing edges by material removal.
Use CoMat 05-082 WATERPROOF SILICON CARBIDE and/or CoMat 05-079 WATERPROOF SILICON CARBIDE, as necessary.
Make sure all the damage marks are completely removed and the area is made smooth into the adjacent material.
Make smooth the repaired area.
Use CoMat 05-077 WATERPROOF SILICON CARBIDE or CoMat 05-076 WATERPROOF SILICON CARBIDE and/or CoMat 05-075 WATERPROOF SILICON CARBIDE.
Polish the repaired area to remove scratches and to give a surface finish the same as the adjacent material.
Polish the repaired area.
SUBTASK 72-41-32-350-074-B00 Remove Damage from the HP Compressor Variable Stator Vane, Stage 5, Assembly B
Use portable grinding equipment.
Continue to remove material until all the damage is removed.
Refer to the material removal limits shown below:
AD 0.650 in. (16.51 mm).
AE 1.640 in. (41.66 mm).
AF 0.370 in. (9.40 mm).
AG 1.390 in. (35.31 mm).
AH 2.030 in. (51.56 mm).
AJ 1.234 in. (31.34 mm).
AK 1.215 in. (30.86 mm).
AL 1.234 in. (31.34 mm).
AN 0.800 in. (20.32 mm).
Remove damage on the leading and trailing edges by material removal.
Use CoMat 05-082 WATERPROOF SILICON CARBIDE and/or CoMat 05-079 WATERPROOF SILICON CARBIDE, as necessary.
Make sure all the damage marks are completely removed and the area is made smooth into the adjacent material.
Make smooth the repaired area.
Use CoMat 05-077 WATERPROOF SILICON CARBIDE or CoMat 05-076 WATERPROOF SILICON CARBIDE and/or CoMat 05-075 WATERPROOF SILICON CARBIDE.
Polish the repaired area to remove scratches and to give a surface finish the same as the adjacent material.
Polish the repaired area.
SUBTASK 72-41-32-350-074-C00 Remove Damage from the HP Compressor Variable Stator Vane, Stage 5, Assembly C
Refer to Figure.
SUBTASK 72-41-32-350-076 Identify the Repair
Figure: Repair Details and Dimensions - Assembly A, Assembly B and Assembly C
Repair Details and Dimensions - Assembly A, Assembly B and Assembly C

Figure: Repair Details and Dimensions - Assembly A, Assembly B and Assembly C
Repair Details and Dimensions - Assembly A, Assembly B and Assembly C

Figure: Repair Details and Dimensions - Assembly A, Assembly B and Assembly C
Repair Details and Dimensions - Assembly A, Assembly B and Assembly C

Figure: Repair Details and Dimensions - Assembly A, Assembly B and Assembly C
Repair Details and Dimensions - Assembly A, Assembly B and Assembly C

