Export Control
EAR Export Classification: Not subject to the EAR per 15 C.F.R. Chapter 1, Part 734.3(b)(3), except for the following Service Bulletins which are currently published as EAR Export Classification 9E991: SBE70-0992, SBE72-0483, SBE72-0580, SBE72-0588, SBE72-0640, SBE73-0209, SBE80-0024 and SBE80-0025.Copyright
© IAE International Aero Engines AG (2001, 2014 - 2021) The information contained in this document is the property of © IAE International Aero Engines AG and may not be copied or used for any purpose other than that for which it is supplied without the express written authority of © IAE International Aero Engines AG. (This does not preclude use by engine and aircraft operators for normal instructional, maintenance or overhaul purposes.).Applicability
All
Common Information
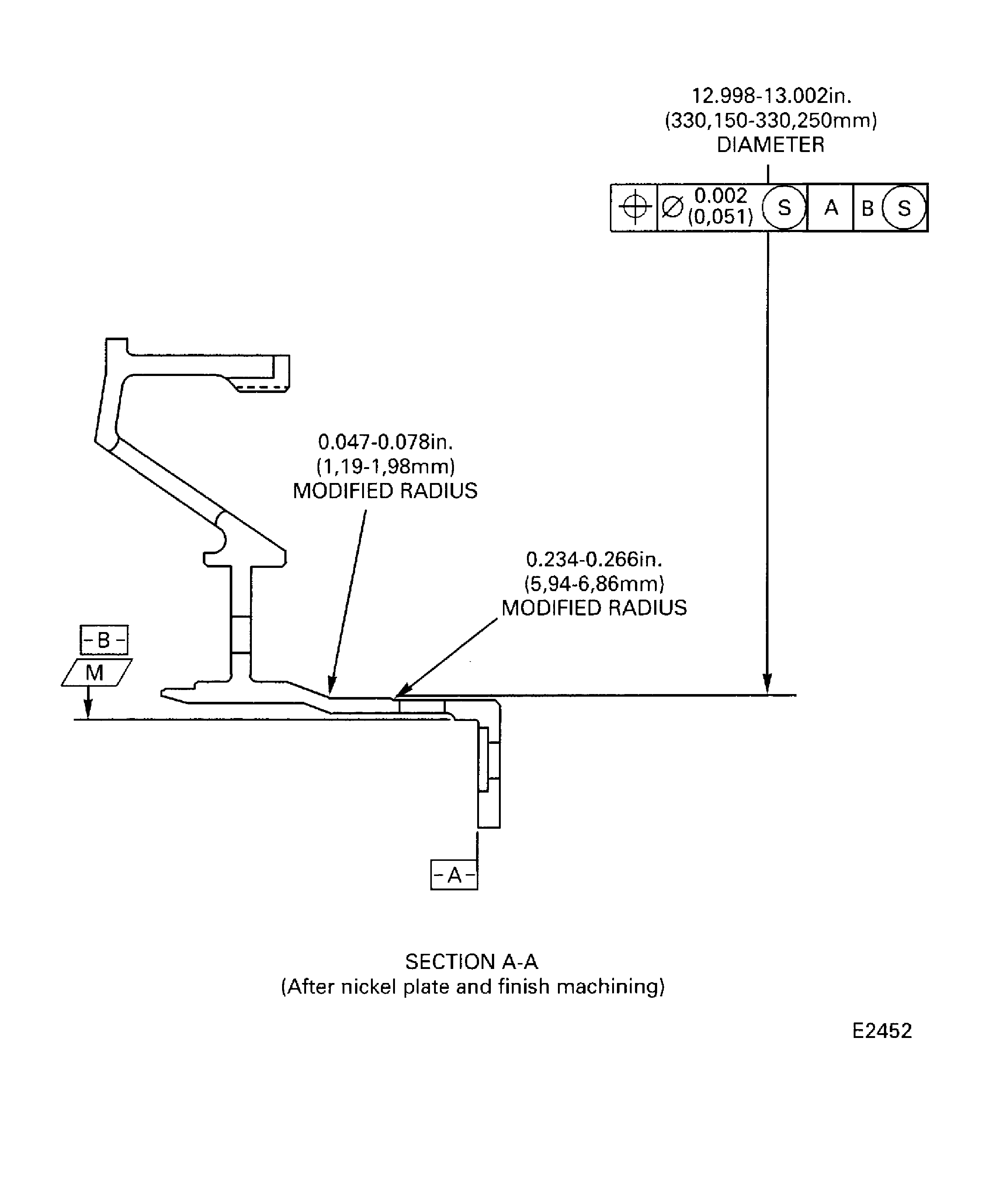
TASK 72-42-31-300-013 No. 4 Bearing Support - Nickel Plate The Rear Heatshield Support Diameter, Repair-013 (VRS3295)
General
Price and availability - Refer to IAE
The practices and processes referred to in the procedure by the TASK numbers are in the SPM.
NOTE
Preliminary Requirements
Pre-Conditions
NONESupport Equipment
| Name | Manufacturer | Part Number / Identification | Quantity | Remark |
|---|---|---|---|---|
| Workshop inspection equipment | LOCAL | Workshop inspection equipment | ||
| Grinding machine | LOCAL | Grinding machine | ||
| Magnifying glass, 4x | LOCAL | Magnifying glass, 4x | or greater |
Consumables, Materials and Expendables
| Name | Manufacturer | Part Number / Identification | Quantity | Remark |
|---|---|---|---|---|
| CoMat 02-067 STRIPPABLE COATING | 71410 | CoMat 02-067 |
Spares
NONESafety Requirements
NONEProcedure
Refer to Figure.
Hold to the minimum value.
The part must be in a held condition.
All dimensions apply when Surface N is flat by 0.001in. (0.025 mm) and Diameter M maintains a clearance envelope of 13.350in. (339.09 mm) in a free or held condition.
Hold the support only on Surfaces N, L and S and Diameter M.
If the diameter was plated before, you can strip the diameter.
Refer to the SPM TASK 70-33-06-300-503.
Machine the diameter of the support.
SUBTASK 72-42-31-320-067 Machine the Rear Heatshield Support Diameter of the No. 4 Bearing Support before Nickel Plate
Refer to Figure and the SPM TASK 70-33-06-300-503.
Apply nickel plate to a sufficient thickness to permit finish machining.
Plating outside the repair area is permitted but must be removed.
Nickel plate the diameter of the support.
SUBTASK 72-42-31-330-059 Nickel Plate the Rear Heatshield Support of the No. 4 Bearing Support
Refer to Figure.
The minimum plating thickness is 0.002in. (0.051 mm) after machining.
The part must be in a held condition.
All dimensions apply when Surface is flat by 0.001in. (0.025 mm) and Diameter M maintains a clearance envelope of 13.350in. (339.09 mm) in a free or held condition.
Hold the support only on Surfaces N, L and S and Diameter M.
Machine the diameter of the support after nickel plate.
SUBTASK 72-42-31-320-068 Machine the Rear Heatshield Support Diameter of the No. 4 Bearing Support after Nickel Plate
Refer to Figure and TASK 72-42-31-200-000 (INSPECTION-000).
Use a Magnifying glass, 4x to do a visual inspection of the plated area to examine for cracks and adhesion.
Examine the support after nickel plate and finish machining.
SUBTASK 72-42-31-220-071 Examine the Repair
Make a permanent mark by the procedure given in the SPM TASK 70-09-00-400-501.
Use the vibration peen method.
Remove high metal caused by marking the number.
Mark VRS3295 on the repaired No. 4 bearing support adjacent to the part number.
SUBTASK 72-42-31-350-066 Identify the Repair
Figure: Nickel plate the rear heatshield support diameter of the No. 4 bearing support
Sheet 1

Figure: Nickel plate the rear heatshield support diameter of the No. 4 bearing support
Sheet 2

