Export Control
EAR Export Classification: Not subject to the EAR per 15 C.F.R. Chapter 1, Part 734.3(b)(3), except for the following Service Bulletins which are currently published as EAR Export Classification 9E991: SBE70-0992, SBE72-0483, SBE72-0580, SBE72-0588, SBE72-0640, SBE73-0209, SBE80-0024 and SBE80-0025.Copyright
© IAE International Aero Engines AG (2001, 2014 - 2021) The information contained in this document is the property of © IAE International Aero Engines AG and may not be copied or used for any purpose other than that for which it is supplied without the express written authority of © IAE International Aero Engines AG. (This does not preclude use by engine and aircraft operators for normal instructional, maintenance or overhaul purposes.).Applicability
All
Common Information
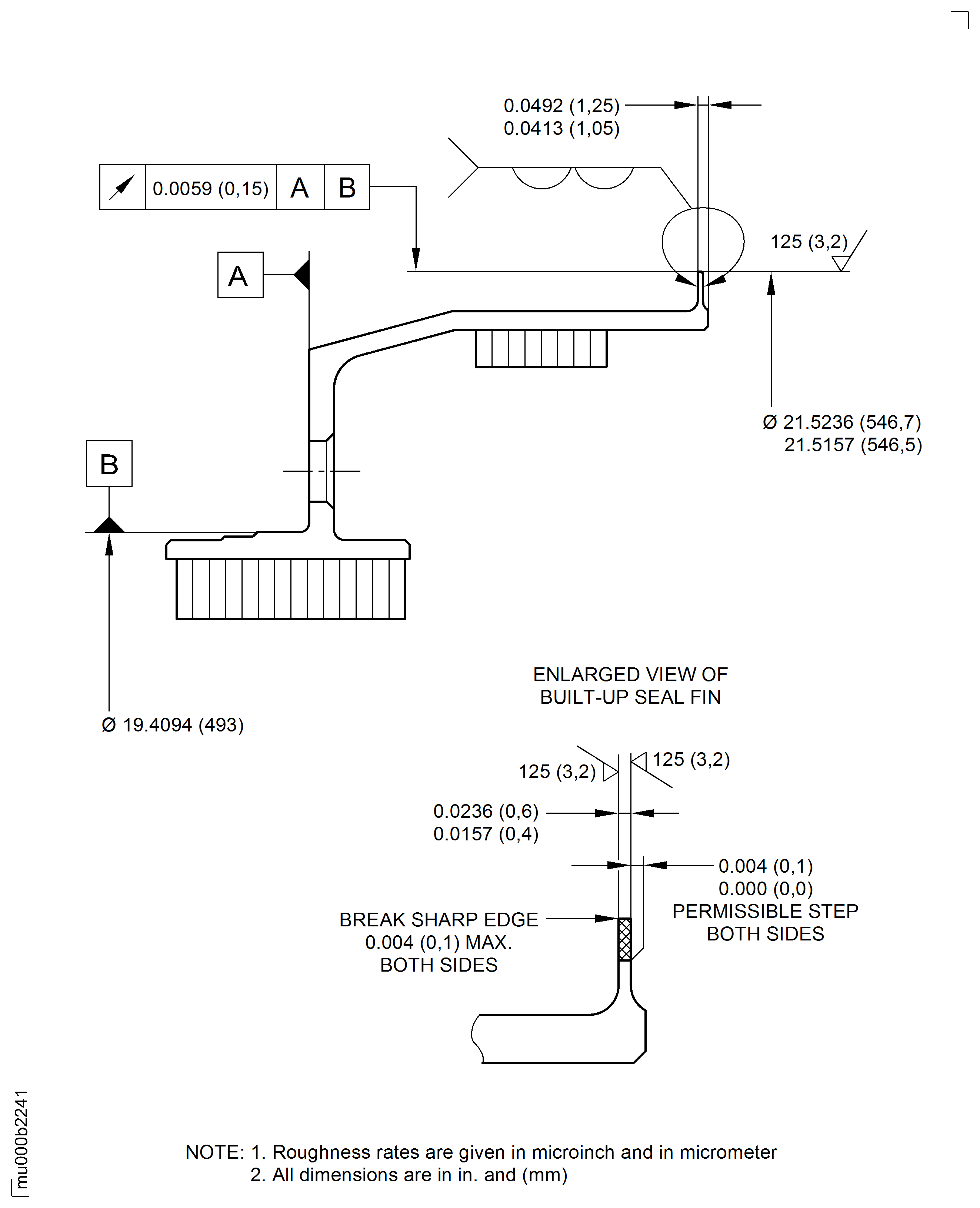
TASK 72-50-24-300-005 LPT Stage 3 Air Seal Ring - Weld Repair The Seal Fin, Repair-005 (VRS4053)
General
Price and availability - none
The practices and processes referred to in the procedure by the TASK number are in the SPM.
Make sure that the necessary cleaning and inspection procedures are done before this repair.
NOTE
NOTE
Preliminary Requirements
Pre-Conditions
NONESupport Equipment
| Name | Manufacturer | Part Number / Identification | Quantity | Remark |
|---|---|---|---|---|
| Turning lathe | LOCAL | Turning lathe |
Consumables, Materials and Expendables
| Name | Manufacturer | Part Number / Identification | Quantity | Remark |
|---|---|---|---|---|
| CoMat 03-184 WELDING FILLER WIRE, NICKEL | LOCAL | CoMat 03-184 | ||
| CoMat 03-387 WELDING FILLER WIRE | LOCAL | CoMat 03-387 |
Spares
NONESafety Requirements
NONEProcedure
Refer to Figure.
SUBTASK 72-50-24-320-053 Machine the Seal Fin
Refer to Figure.
SUBTASK 72-50-24-220-120 Examine the Machined Areas
Refer to the SPM TASK 70-11-03-300-503.
Aqueous cleaning
SUBTASK 72-50-24-110-080 Clean the Stage 3 Air Seal Ring
Refer to Figure.
Make sure that there is sufficient material to do last machining.
Refer to SPM TASK 70-31-04-310-501.
Micro-plasma build up weld the seal fins.
SUBTASK 72-50-24-310-058 Weld Repair the Seal Fin
Refer to the SPM TASK 70-37-00-370-501.
Put the part in an oven for eight hours at 1450 to 1500 deg F (788 to 816 deg C).
Use argon or vacuum.
Cooling rate equivalent to air cooling
Heat treat the stage 3 air seal ring.
SUBTASK 72-50-24-370-054 Heat Treat after Weld Repair
Refer to Figure.
Use Turning lathe.
Machine the welded area.
SUBTASK 72-50-24-320-054 Machine the Repaired Areas
Refer to Figure.
SUBTASK 72-50-24-220-121 Examine the Machined Area
Refer to SPM TASK 70-09-00-400-501.
Electrolytically etch or vibro-peen VRS4053 adjacent to the part number.
SUBTASK 72-50-24-380-056 Make a Mark to Identify the Repair
Figure: Repair details and dimensions
Repair details and dimensions

Figure: Repair details and dimensions
Repair details and dimensions

