Export Control
EAR Export Classification: Not subject to the EAR per 15 C.F.R. Chapter 1, Part 734.3(b)(3), except for the following Service Bulletins which are currently published as EAR Export Classification 9E991: SBE70-0992, SBE72-0483, SBE72-0580, SBE72-0588, SBE72-0640, SBE73-0209, SBE80-0024 and SBE80-0025.Copyright
© IAE International Aero Engines AG (2001, 2014 - 2021) The information contained in this document is the property of © IAE International Aero Engines AG and may not be copied or used for any purpose other than that for which it is supplied without the express written authority of © IAE International Aero Engines AG. (This does not preclude use by engine and aircraft operators for normal instructional, maintenance or overhaul purposes.).Applicability
All
Common Information
TASK 72-50-30-040-002 LPT Stage 6 Rotor Assembly - Disassemble, Disassembly-001
General
Fig/item numbers in parentheses in the procedure agree with those used in the IPC. Only the primary Fig/item numbers are used. For the service bulletin alpha variants refer to the IPC.
Apply the approved penetrating oil before the removal of threaded parts. Let the parts soak before removal. For the approved oils and procedures, refer to SPM TASK 70-64-00-640-501.
Remove and discard the lockwire before parts are disconnected or removed.
Discard all rubber seal rings, cotter pins and keywashers removed in this procedure.
Refer to TASK 72-50-00-990-501 for a sectional view of the LP turbine disk and blades.
NOTE
Preliminary Requirements
Pre-Conditions
NONESupport Equipment
| Name | Manufacturer | Part Number / Identification | Quantity | Remark |
|---|---|---|---|---|
| Mallet | LOCAL | Mallet | Soft head | |
| IAE 1F10026 Hydraulic hand pump | 0AM53 | IAE 1F10026 | 1 | |
| IAE 1M14043 Hydraulic basic fixture | 0AM53 | IAE 1M14043 | 1 | |
| IAE 1M14079 Plastic wedge | 0AM53 | IAE 1M14079 | 1 | |
| IAE 1M14090 Clamping jaw | 0AM53 | IAE 1M14090 | 6 | |
| IAE 1M14148 Hydraulic basic fixture | 0AM53 | IAE 1M14148 | 1 | |
| IAE 1M14154 Assy/disassy stand | 0AM53 | IAE 1M14154 | 1 | |
| IAE 1M14155 Clamping ring | 0AM53 | IAE 1M14155 | 1 | |
| IAE 1M14156 Lifting fixture | 0AM53 | IAE 1M14156 | 1 |
Consumables, Materials and Expendables
NONESpares
NONESafety Requirements
NONEProcedure
Refer to: Figure
Put the IAE 1M14043 Hydraulic basic fixture 1 off on to a work bench.
SUBTASK 72-50-30-040-062-A00 V2500-A1 Prepare the Hydraulic Basic Fixture to Install the Stage 6 Disk
Refer to: Figure
Put the IAE 1M14148 Hydraulic basic fixture 1 off on to a work bench.
SUBTASK 72-50-30-040-062-B00 V2500-A5 Prepare the Hydraulic Basic Fixture to Install the Stage 6 Disk
Refer to Figure.
Install the two halves of the IAE 1M14155 Clamping ring 1 off to the stage 6 disk.
SUBTASK 72-50-30-040-063 Install the Clamping Ring on to the Stage 6 Disk
Install the IAE 1M14156 Lifting fixture 1 off to hoist equipment.
SUBTASK 72-50-30-040-064 Install the Stage 6 Disk in to the Hydraulic Basic Fixture
Install the connector of the IAE 1F10026 Hydraulic hand pump 1 off to the coupler, part of the IAE hydraulic cylinder.
SUBTASK 72-50-30-040-065 Prepare the Hydraulic Basic Fixture for the Installation of the Support
Refer to: Figure
Align the center hole of the support, part of IAE 1M14043 Hydraulic basic fixture 1 off (V2500-A1) with the pivot. Install the support.
SUBTASK 72-50-30-040-066-A00 V2500-A1 Install the Support on to the Hydraulic Basic Fixture
Refer to: Figure
Align the center hole of the support, part of the IAE 1M14148 Hydraulic basic fixture 1 off with the pivot. Install the support.
SUBTASK 72-50-30-040-066-B00 V2500-A5 Install the Support on to the Hydraulic Basic Fixture
Refer to: Figure
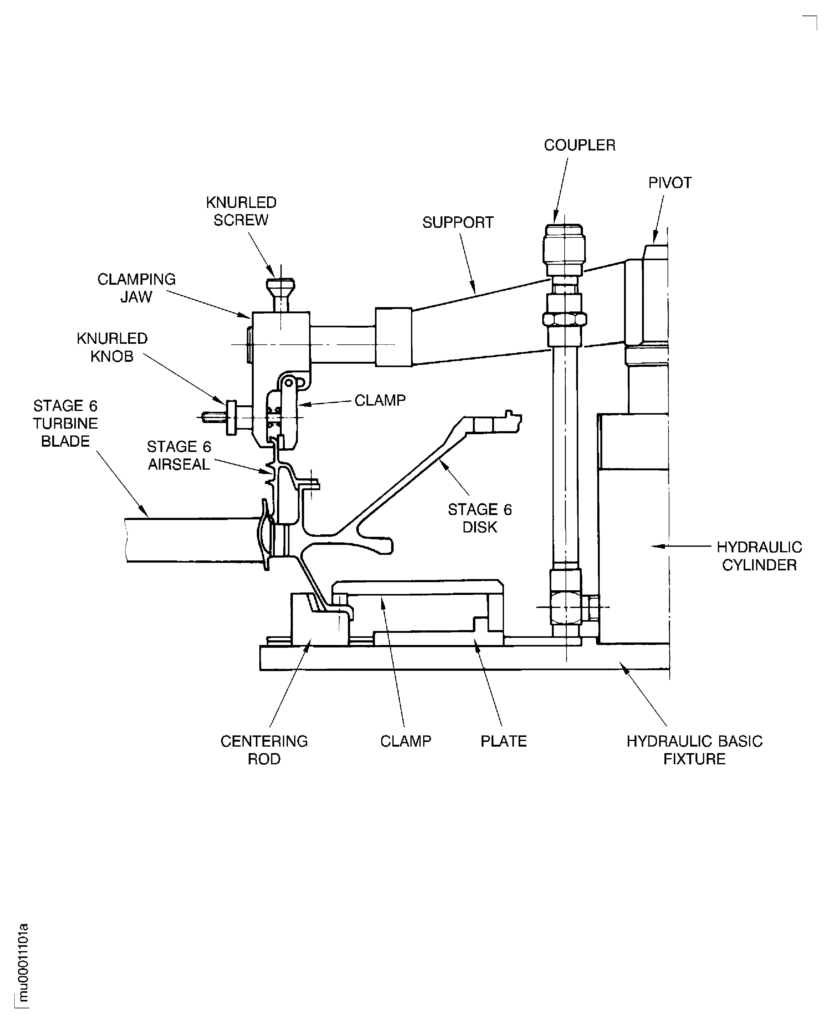
Turn the knurled screws of the IAE 1M14090 Clamping jaw 6 off fully outwards. Install the clamping jaws to the support.
Install the connector of the IAE 1F10026 Hydraulic hand pump 1 off to the coupler, part of the hydraulic cylinder.
SUBTASK 72-50-30-040-067 Install the Clamping Jaws on to the Support
Refer to: Figure
Operate the IAE 1F10026 Hydraulic hand pump carefully until the air seal is free from the stage 6 disk abutment face.
Open the hydraulic valve at the IAE 1M14043 Hydraulic basic fixture. Lower the support with the stage 6 air seal carefully until the air seal is in contact with the stage 6 disk.
Close the hydraulic valve and disconnect the hydraulic pump from the IAE 1M14043 Hydraulic basic fixture 1 off.
SUBTASK 72-50-30-040-068-A00 V2500-A1 Remove the Air Seal from the Stage 6 Disk
Refer to: Figure
Close the hydraulic valve and disconnect the hydraulic pump from the IAE 1M14148 Hydraulic basic fixture 1 off.
SUBTASK 72-50-30-040-068-B00 V2500-A5 Remove the Air Seal from the Stage 6 Disk
Refer to: Figure
Loosen the knurled knobs of the IAE 1M14090 Clamping jaw until the spring-loaded clamps are fully opened.
Remove the support from the IAE 1M14043 Hydraulic basic fixture 1 off.
SUBTASK 72-50-30-040-069-A00 V2500-A1 Remove the Jaws from the Stage 6 Air Seal
Refer to: Figure
Remove the support from the IAE 1M14148 Hydraulic basic fixture 1 off.
SUBTASK 72-50-30-040-069-B00 V2500-A5 Remove the Jaws from the Stage 6 Air Seal
Refer to Figure.
Install the IAE 1M14156 Lifting fixture 1 off to hoist equipment.
Lift the stage 6 disk and remove it from the IAE 1M14043 Hydraulic basic fixture 1 off.
Make sure that you use the correct locating ring of the IAE 1M14154 Assy/disassy stand 1 off for the stage 6 disk.
Lower the stage 6 disk on to the IAE 1M14154 Assy/disassy stand 1 off, rear flange upwards.
SUBTASK 72-50-30-040-070-A00 V2500-A1 Remove the Stage 6 Disk from the Hydraulic Basic Fixture
Refer to Figure.
Lift the stage 6 disk and remove it from the IAE 1M14148 Hydraulic basic fixture 1 off.
Make sure that you use the correct locating ring of the IAE 1M14154 Assy/disassy stand 1 off for the stage 6 disk.
Lower the stage 6 disk on to the IAE 1M14154 Assy/disassy stand 1 off, rear flange upwards.
SUBTASK 72-50-30-040-070-B00 V2500-A5 Remove the Stage 6 Disk from the Hydraulic Basic Fixture
Refer to Figure.
Loosen the hand knobs and disconnect the single acting ball lock pins at the IAE 1M14155 Clamping ring 1 off.
SUBTASK 72-50-30-040-071 Remove the Clamping Ring from the Stage 6 Disk
Refer to Figure.
Lightly hit the blades at the blade roots. Operate stepwise and in clockwise direction to disengage the blades. Use the IAE 1M14079 Plastic wedge 1 off and a soft headed mallet.
SUBTASK 72-50-30-040-072 Remove the Stage 6 Turbine Blades from the Disk
Figure: Turn the Stage 6 Disk with the Clamping Ring
Turn the Stage 6 Disk with the Clamping Ring

Figure: Install the Stage 6 Turbine Disk in to the Hydraulic Basic Fixture
Install the Stage 6 Turbine Disk in to the Hydraulic Basic Fixture

Figure: Remove the Stage 6 Turbine Blades
Remove the Stage 6 Turbine Blades

