Export Control
EAR Export Classification: Not subject to the EAR per 15 C.F.R. Chapter 1, Part 734.3(b)(3), except for the following Service Bulletins which are currently published as EAR Export Classification 9E991: SBE70-0992, SBE72-0483, SBE72-0580, SBE72-0588, SBE72-0640, SBE73-0209, SBE80-0024 and SBE80-0025.Copyright
© IAE International Aero Engines AG (2001, 2014 - 2021) The information contained in this document is the property of © IAE International Aero Engines AG and may not be copied or used for any purpose other than that for which it is supplied without the express written authority of © IAE International Aero Engines AG. (This does not preclude use by engine and aircraft operators for normal instructional, maintenance or overhaul purposes.).Applicability
All
Common Information
TASK 72-50-31-300-019 LPT Stage 3 Disk - Rebalance The Disk, Repair-019 (VRS4176)
General
Price and availability - none
The practices and processes referred to in the procedure by the TASK numbers are in the SPM.
NOTE
Preliminary Requirements
Pre-Conditions
NONESupport Equipment
| Name | Manufacturer | Part Number / Identification | Quantity | Remark |
|---|---|---|---|---|
| Grinding machine | LOCAL | Grinding machine | ||
| Vertical balancing machine | LOCAL | Vertical balancing machine | ||
| IAE 1M14020 Balancing base plate | 0AM53 | IAE 1M14020 | 1 | |
| IAE 1M14021 Balancing fixture sleeve | 0AM53 | IAE 1M14021 | 1 | |
| IAE 1M14022 Balancing fixture disk | 0AM53 | IAE 1M14022 | 1 | |
| IAE 1M14129 Lifting fixture | 0AM53 | IAE 1M14129 | 1 |
Consumables, Materials and Expendables
NONESpares
NONESafety Requirements
NONEProcedure
Refer to: Figure
Use the IAE IAE 1M14021 Balancing fixture sleeve 1 off and the IAE IAE 1M14020 Balancing base plate 1 off.
Install the balancing fixture sleeve on to the balancing base plate.
Use the IAE IAE 1M14129 Lifting fixture 1 off.
Move the stage 3 turbine disk carefully down to the installed balancing tool assembly.
Align TOP marks.
Install the stage 3 turbine disk on to the balancing tool assembly and safety.
SUBTASK 72-50-31-350-082 Prepare the Stage 3 Turbine Disk for Rebalancing Procedure
Refer to: Figure
Use the IAE IAE 1M14129 Lifting fixture 1 off.
Remove the stage 3 turbine disk from the balancing tools assembly.
SUBTASK 72-50-31-350-075 Rebalancing the Stage 3 Turbine Disk
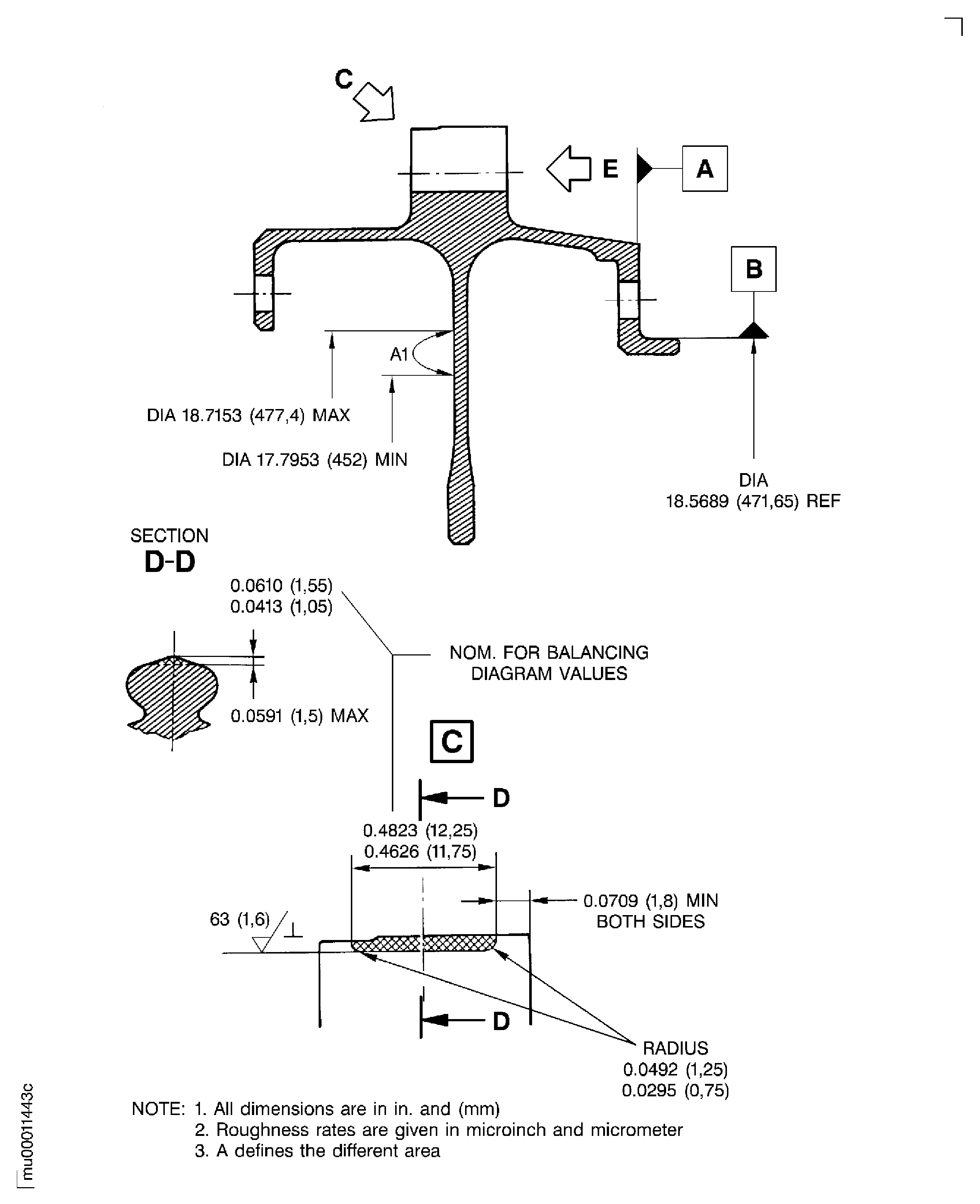
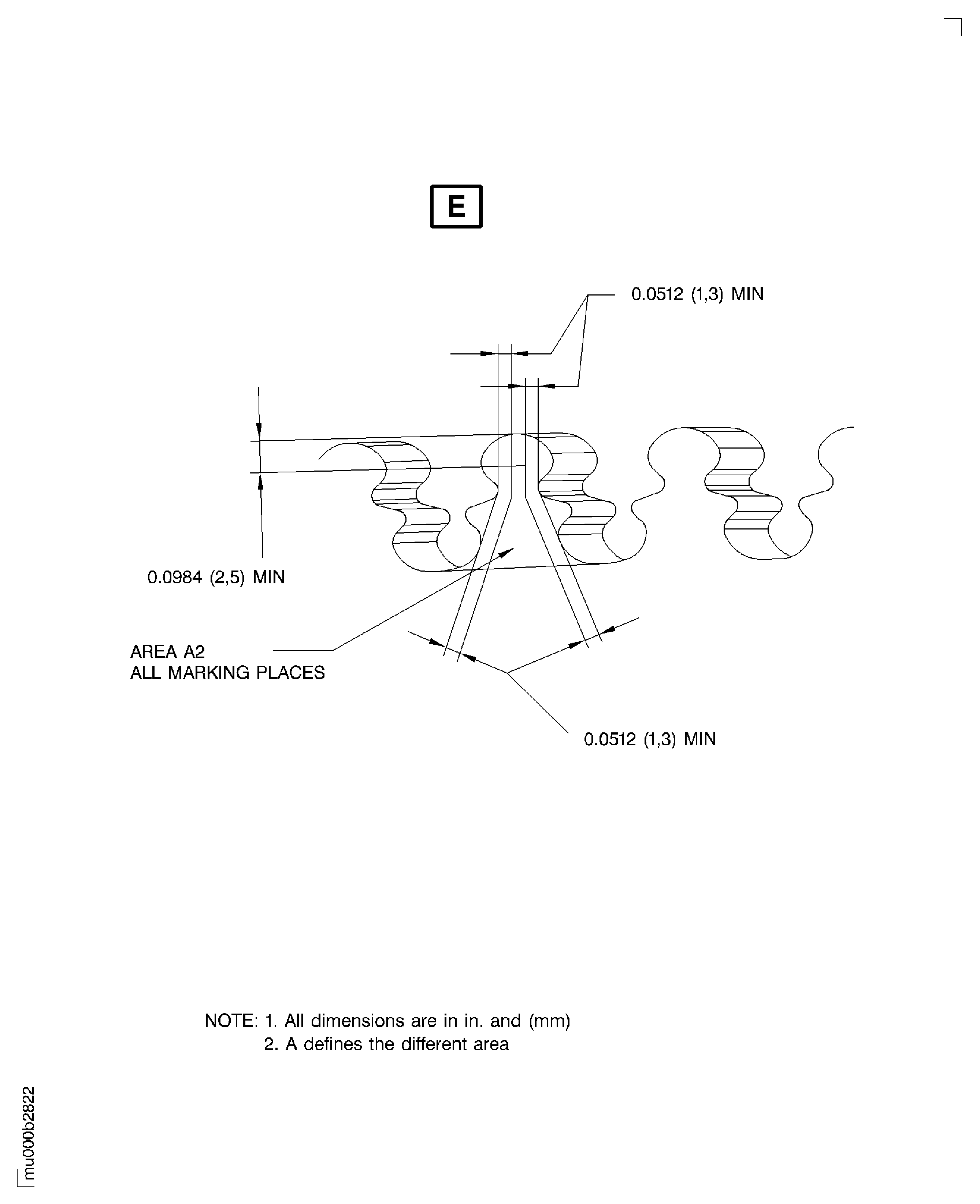
If actual unbalance is between 0.50 and 5.00 ozin (360 and 3600 gmm), mark the actual unbalance value (ozin to two decimal places) in area A2.
Refer to the SPM TASK 70-09-00-400-501 mechanical vibro-peening, 0.002 in. (0.05 mm) maximum depth and refer to Figure.
Marking to be within plus 5 and minus 5 degrees of actual position.
Optional mark on area A1.
Refer to the SPM TASK 70-09-00-400-501, electrolytical etching, shallow.
No material removal is required.
Refer to Figure.
If unbalance is already marked on the disk and static unbalance has changed, delete previous unbalance value and mark as described above.
Optional procedure.
SUBTASK 72-50-31-350-143-002 Rebalance the Stage 3 Turbine Disk
Make sure that the dimensions are not more than the maximum, refer to Figure.
Examine dimensionally the grinded areas.
SUBTASK 72-50-31-220-116 Do the Post Repair Inspection of the Stage 3 Turbine Disk
Figure: Rebalance the stage 3 turbine disk
Rebalance the stage 3 turbine disk

Figure: Balancing diagram of the stage 3 turbine disk
Balancing diagram of the stage 3 turbine disk

Figure: Unbalance marking area
Unbalance marking area

