Export Control
EAR Export Classification: Not subject to the EAR per 15 C.F.R. Chapter 1, Part 734.3(b)(3), except for the following Service Bulletins which are currently published as EAR Export Classification 9E991: SBE70-0992, SBE72-0483, SBE72-0580, SBE72-0588, SBE72-0640, SBE73-0209, SBE80-0024 and SBE80-0025.Copyright
© IAE International Aero Engines AG (2001, 2014 - 2021) The information contained in this document is the property of © IAE International Aero Engines AG and may not be copied or used for any purpose other than that for which it is supplied without the express written authority of © IAE International Aero Engines AG. (This does not preclude use by engine and aircraft operators for normal instructional, maintenance or overhaul purposes.).Applicability
All
Common Information
TASK 72-50-53-300-005 Turbine Exhaust Case (TEC) - Blend Repair, Repair-005 (VRS5389)
General
Price and availability - none
The practices and processes referred to in the procedure by the TASK numbers are in the SPM.
NOTE
Preliminary Requirements
Pre-Conditions
NONESupport Equipment
NONEConsumables, Materials and Expendables
| Name | Manufacturer | Part Number / Identification | Quantity | Remark |
|---|---|---|---|---|
| CoMat 02-140 TRIANGULAR INDIA STONE, FINE GRIT | LOCAL | CoMat 02-140 | ||
| CoMat 05-020 WATERPROOF SILICON CARBIDE | LOCAL | CoMat 05-020 |
Spares
NONESafety Requirements
NONEProcedure
Refer to: Figure
Blend in a circumferential direction.
Do not blend along the axis when you blend a cylindrically shaped part.
For local blend use a length to depth ratio of 10:1.
The minimum distance between blends must be 0.5in. (12.7 mm).
When two or more damaged areas are near together, blend all the area to specified depth.
On the turbine exhaust case any general blend must not exceed a maximum depth of 0.024in. (0.6096 mm).
Put back surface texture to that of adjacent undamaged areas.
Blend the damaged surfaces.
SUBTASK 72-50-53-350-052 Blend the Damaged Surfaces
Repair, VRS3655 TASK 72-50-53-300-076 (REPAIR-076).
Drain the fluorescent penetrant from the struts.
SUBTASK 72-50-53-230-053 Examine the Case
Refer to: Figure
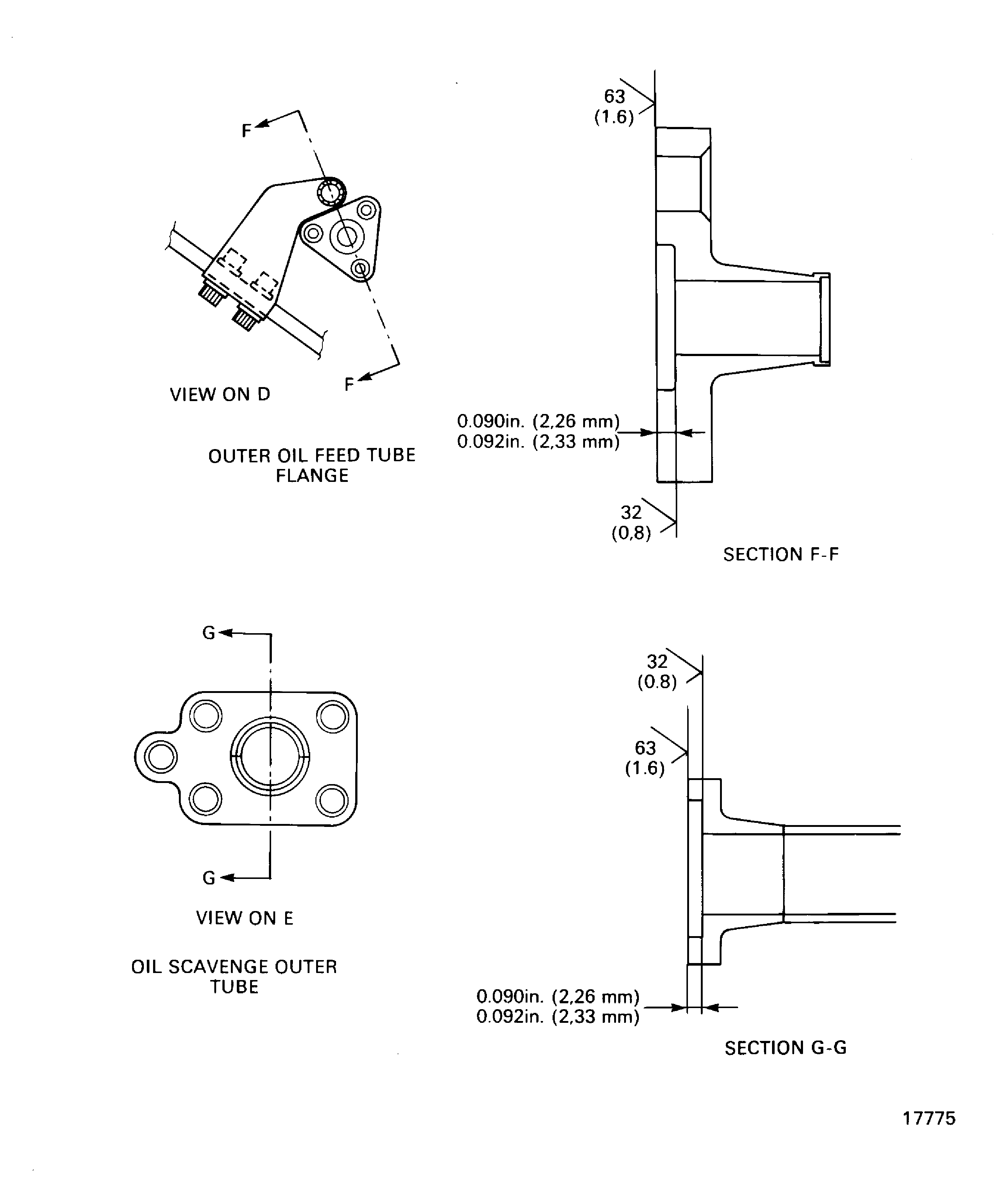
SUBTASK 72-50-53-350-053 Blend the No. 5 Bearing Oil Service Tubes Flanges
Figure: Repair Details and Dimensions
Repair Details and Dimensions

Figure: Repair Details and Dimensions
Repair Details and Dimensions

