Export Control
EAR Export Classification: Not subject to the EAR per 15 C.F.R. Chapter 1, Part 734.3(b)(3), except for the following Service Bulletins which are currently published as EAR Export Classification 9E991: SBE70-0992, SBE72-0483, SBE72-0580, SBE72-0588, SBE72-0640, SBE73-0209, SBE80-0024 and SBE80-0025.Copyright
© IAE International Aero Engines AG (2001, 2014 - 2021) The information contained in this document is the property of © IAE International Aero Engines AG and may not be copied or used for any purpose other than that for which it is supplied without the express written authority of © IAE International Aero Engines AG. (This does not preclude use by engine and aircraft operators for normal instructional, maintenance or overhaul purposes.).Applicability
All
Common Information
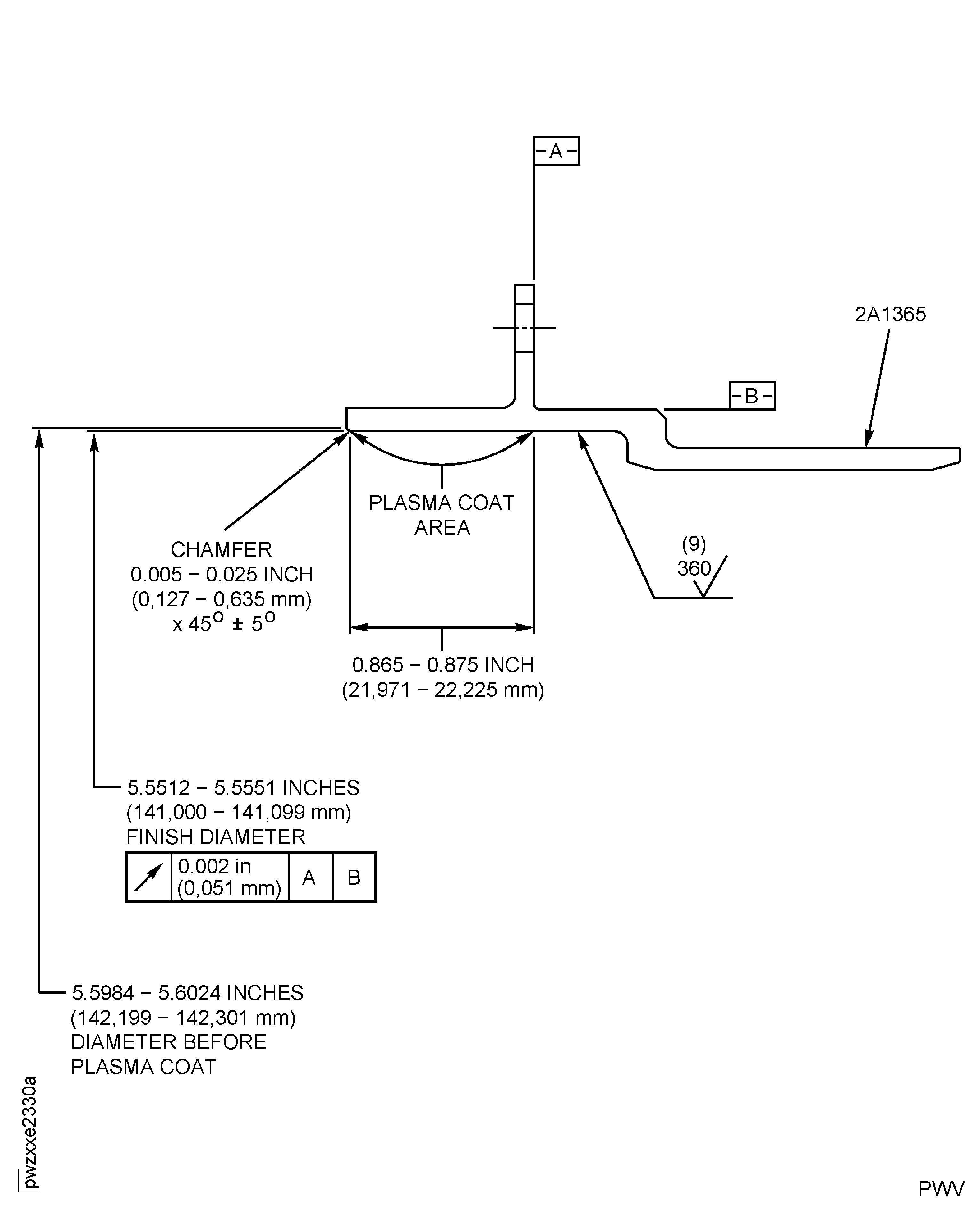
TASK 72-50-53-300-068 No. 5 Bearing Carbon Seal Housing - Plasma Coat The Air Seal Land, Repair-068 (VRS3127)
General
Price and availability - none
The practices and processes referred to in the procedure by the TASK numbers are in the SPM.
NOTE
Preliminary Requirements
Pre-Conditions
NONESupport Equipment
| Name | Manufacturer | Part Number / Identification | Quantity | Remark |
|---|---|---|---|---|
| Workshop inspection equipment | LOCAL | Workshop inspection equipment | ||
| Grinding machine | LOCAL | Grinding machine | ||
| FPI inspection station | LOCAL | FPI inspection station | ||
| Abrasive blasting facility | LOCAL | Abrasive blasting facility | ||
| Plasma spray facility | LOCAL | Plasma spray facility | ||
| Magnifying glass, 4X | LOCAL | Magnifying glass, 4X | ||
| Vibrating marking pencil | LOCAL | Vibrating marking pencil |
Consumables, Materials and Expendables
| Name | Manufacturer | Part Number / Identification | Quantity | Remark |
|---|---|---|---|---|
| CoMat 01-001 SOLVENT, DELETED | 0AM53 | CoMat 01-001 | ||
| CoMat 02-007 TEFLON TAPE | LOCAL | CoMat 02-007 | ||
| CoMat 02-148 ADHESIVE TAPE (ELECTRICAL) | LOCAL | CoMat 02-148 | ||
| CoMat 03-038 METAL SPRAYING POWDER NICKEL ALUMINIUM (95/5) | IE200 | CoMat 03-038 | ||
| CoMat 03-047 METAL SPRAYING POWDER | LOCAL | CoMat 03-047 | ||
| CoMat 05-001 ABRASIVE MEDIUM, ALUMINIUM OXIDE, 20/30 GRADE | LOCAL | CoMat 05-001 |
Spares
NONESafety Requirements
NONEProcedure
Refer to Figure.
SUBTASK 72-50-53-320-135 Machine Worn Coating of the Carbon Seal Housing
Refer to Figure.
Refer to the SPM TASK 70-12-02-120-501.
Use abrasive blasting facility.
Pressure of the air 42.67 psi (294.2 Kpa).
Distance of the spraying 6 to 7.87 in. (150 to 200 mm).
Abrasive blast the air seal land.
SUBTASK 72-50-53-120-060 Abrasive Blast the Seal Housing
Refer to Figure.
Refer to the SPM TASK 70-34-01-340-501.
Spraying distance
6.889 in. (175 mm)
Spraying angle
70 degrees
Component rotation speed
91 RPM
Gun traverse speed
17.91 in./mm (455 mm/min)
Maximum working temperature
392 deg F (200 deg C)
Thickness of the bond coat
0.004 to 0.008 in. (0.1 to 0.2 mm)
Metal plasma spray the bond coat on the air seal land.
Refer to the SPM TASK 70-34-01-340-501.
Spraying distance
6.889 in. (175 mm)
Spraying angle
70 degrees
Component rotation speed
91 RPM
Gun traverse speed
17.91 in./mm (455 mm/min)
Maximum working temperature
302 deg F (150 deg C)
Metal plasma spray the top coat on the air seal land.
SUBTASK 72-50-53-370-089 Metal Plasma Spray the Air Seal Land

CAUTION
METAL PLASMA SPRAY THE BOND COAT ON THE LAND DIAMETER AS SOON AS POSSIBLE IN LESS THAN TWO HOURS AFTER THE ABRASIVE BLASTING. DO THE ABRASIVE BLASTING AGAIN IF YOU EXCEED THE ABOVE TIME LIMIT.
CAUTION
METAL PLASMA SPRAY THE TOP COAT ON THE LAND DIAMETER AS SOON AS POSSIBLE IN LESS THAN EIGHT HOURS AFTER THE BOND COAT SPRAY.Refer to Figure.
SUBTASK 72-50-53-320-136 Machine the Air Seal Land
Refer to Figure.
SUBTASK 72-50-53-220-226 Examine the Coated Area
Figure: Repair Details and Dimensions
Repair Details and Dimensions

