Export Control
EAR Export Classification: Not subject to the EAR per 15 C.F.R. Chapter 1, Part 734.3(b)(3), except for the following Service Bulletins which are currently published as EAR Export Classification 9E991: SBE70-0992, SBE72-0483, SBE72-0580, SBE72-0588, SBE72-0640, SBE73-0209, SBE80-0024 and SBE80-0025.Copyright
© IAE International Aero Engines AG (2001, 2014 - 2021) The information contained in this document is the property of © IAE International Aero Engines AG and may not be copied or used for any purpose other than that for which it is supplied without the express written authority of © IAE International Aero Engines AG. (This does not preclude use by engine and aircraft operators for normal instructional, maintenance or overhaul purposes.).Applicability
All
Common Information
TASK 72-60-21-300-043 Main Gearbox Casing - Repair The IDG Housing Bore By Bushing, Repair-043 (VRS5286)
Effectivity
FIG/ITEM | PART NO. |
|---|---|
02-050 | 4B0053 |
02-050 | 4B0054 |
02-050 | 4B0055 |
02-050 | 4B0057 |
02-050 | 4B0400 |
02-050 | 4B0402 |
02-050 | 4B0423 |
General
NOTE
NOTE
Preliminary Requirements
Pre-Conditions
NONESupport Equipment
| Name | Manufacturer | Part Number / Identification | Quantity | Remark |
|---|---|---|---|---|
| Arbor Press | LOCAL | Arbor press | ||
| Freezer | LOCAL | Freezer | ||
| IAE 3F10449 Drift,Bushing (DIA 176) | 0AM53 | IAE 3F10449 | ||
| Magnifying Glass | LOCAL | Magnifying Glass | ||
| Oven | LOCAL | Oven | ||
| Workshop inspection equipment | LOCAL | Workshop inspection equipment |
Consumables, Materials and Expendables
NONESafety Requirements
NONEProcedure
Refer to the SPM TASK 70-38-02-300-503.
Apply the chromate conversion coating to the machined surfaces.
SUBTASK 72-60-21-330-085 Apply the Chromate Conversion Coating

CAUTION
MAKE SURE THAT THE LEAD IN CHAMFER OF THE BUSHING POINTS AWAY FROM THE DRIFT.Install the bushing on the IAE 3F10449 Drift,Bushing (DIA 176), 1 off.

WARNING
DO NOT TOUCH THE HOT PARTS WITHOUT PROTECTIVE GLOVES.
WARNING
HOT PARTS CAN CAUSE REDDENING AND BLISTERING OF THE SKIN IF THE HANDS ARE NOT PROTECTED.
WARNING
IMMERSE THE CONTACTED AREA IN COLD WATER FOR 10 MINUTES IF THE SKIN IS BURNED. IMMEDIATELY GET THE MEDICAL ATTENTION IF PAIN OR BLISTERING PERSISTS.Increase the temperature of the casing and/or decrease the temperature of the assembled drift and bushing.
Give sufficient back-up support at bushing bore area to prevent casing distortion when you install the bushing.
Use IAE 3F10449 Drift,Bushing (DIA 176) and an arbor press.

CAUTION
INSTALL BUSHING IN MACHINED BORE IMMEDIATELY AFTER REMOVAL FROM FREEZER, OTHERWISE BUSHING CANNOT BE CORRECTLY INSTALLED.Install the bushing into machined bore.
SUBTASK 72-60-21-350-104 Install the Bushing
Refer to the SPM TASK 70-38-02-300-503.
Apply the chromate conversion coating to the machined surface of the bushing.
SUBTASK 72-60-21-330-086 Apply the Chromate Conversion Coating
Refer to the SPM TASK 70-09-00-400-501, SUBTASK 70-09-00-400-001.
Make a mark VRS5286 adjacent to the part number.
SUBTASK 72-60-21-350-105 Identify the Repair
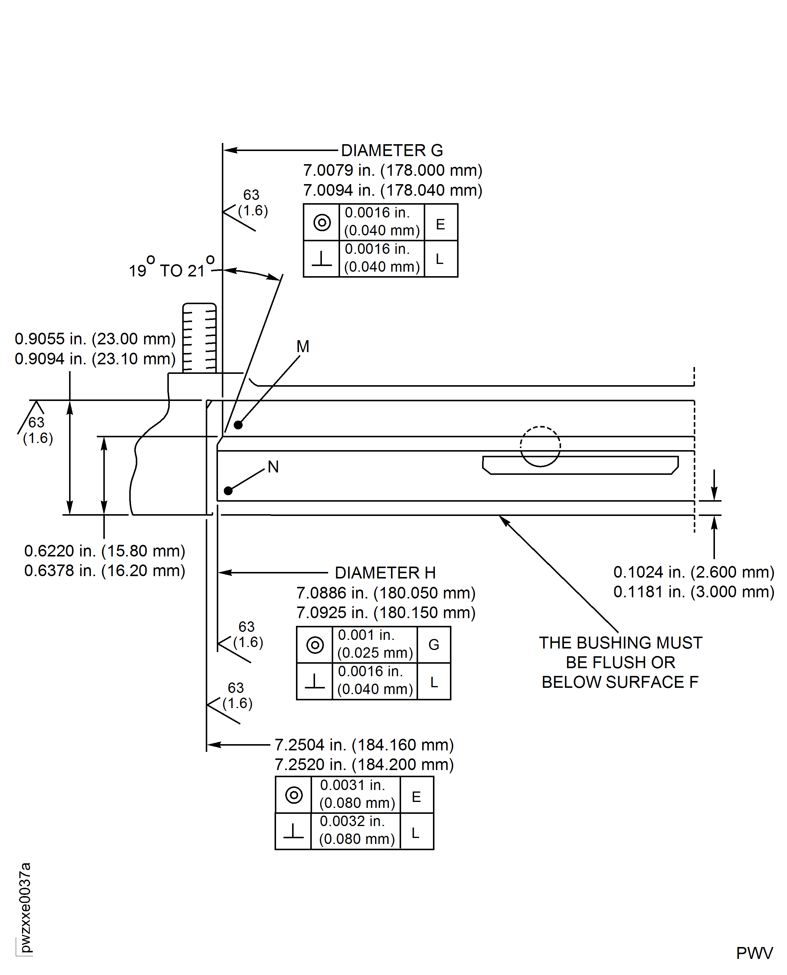
Figure: Repair Details And Dimensions
Repair Details And Dimensions

Figure: Repair Details And Dimensions
Repair Details And Dimensions

Figure: Repair Details And Dimensions
Repair Details And Dimensions

