Export Control
EAR Export Classification: Not subject to the EAR per 15 C.F.R. Chapter 1, Part 734.3(b)(3), except for the following Service Bulletins which are currently published as EAR Export Classification 9E991: SBE70-0992, SBE72-0483, SBE72-0580, SBE72-0588, SBE72-0640, SBE73-0209, SBE80-0024 and SBE80-0025.Copyright
© IAE International Aero Engines AG (2001, 2014 - 2021) The information contained in this document is the property of © IAE International Aero Engines AG and may not be copied or used for any purpose other than that for which it is supplied without the express written authority of © IAE International Aero Engines AG. (This does not preclude use by engine and aircraft operators for normal instructional, maintenance or overhaul purposes.).Applicability
All
Common Information
TASK 72-60-21-300-058 Main Gearbox Casing - Repair The Oil Scavenge Tube Bore By Bushing, Repair-058 (VRS5710)
Effectivity
FIG/ITEM | PART NO. |
|---|---|
02-050 | 4B0053 |
02-050 | 4B0054 |
02-050 | 4B0055 |
02-050 | 4B0057 |
02-050 | 4B0400 |
02-050 | 4B0402 |
02-050 | 4B0423 |
Material of component
DESCRIPTION | RR SYMBOL | MATERIAL |
|---|---|---|
Casing, Main Gearbox | A357/T61 (AMS4219) | Aluminum alloy |
Bushing | A357-T61 Spec. AMS4219, or AMS 4120 (type 2024 T4fT351), or AMS4152 | Aluminum alloy |
General
Price and availability - None
The practices and processes referred to in the procedure by the TASK numbers are in the SPM.
Preliminary Requirements
Pre-Conditions
NONESupport Equipment
| Name | Manufacturer | Part Number / Identification | Quantity | Remark |
|---|---|---|---|---|
| FPI Equipment | LOCAL | FPI Equipment | ||
| Magnifying Glass | LOCAL | Magnifying Glass | ||
| Standard workshop equipment | LOCAL | Standard workshop equipment | ||
| Workshop Inspection Equipment | 0AM53 | Workshop Inspection Equipment | ||
| Vibro engraving equipment | LOCAL | Vibro engraving equipment | ||
| Vibration peen equipment | LOCAL | Vibration peen equipment |
Consumables, Materials and Expendables
| Name | Manufacturer | Part Number / Identification | Quantity | Remark |
|---|---|---|---|---|
| CoMat 01-459 AQUEOUS WIPE CLEANER | 71410 | CoMat 01-459 | ||
| CoMat 02-002 ADHESIVE TAPE GENERALPURPOSE PAPER | LOCAL | CoMat 02-002 | ||
| CoMat 04-009 ANAEROBIC COMPOUND | LOCAL | CoMat 04-009 | Loctite 640 | |
| CoMat 06-063 FLUORESCENT PENETRANT (POST-EMULSIFIED MEDIUM SENSITIVITY) | X222X | CoMat 06-063 | ||
| CoMat 07-028 CHROMATE CONVERSION COATING FOR ALUMINUM | LOCAL | CoMat 07-028 |
Spares
NONESafety Requirements
NONEProcedure
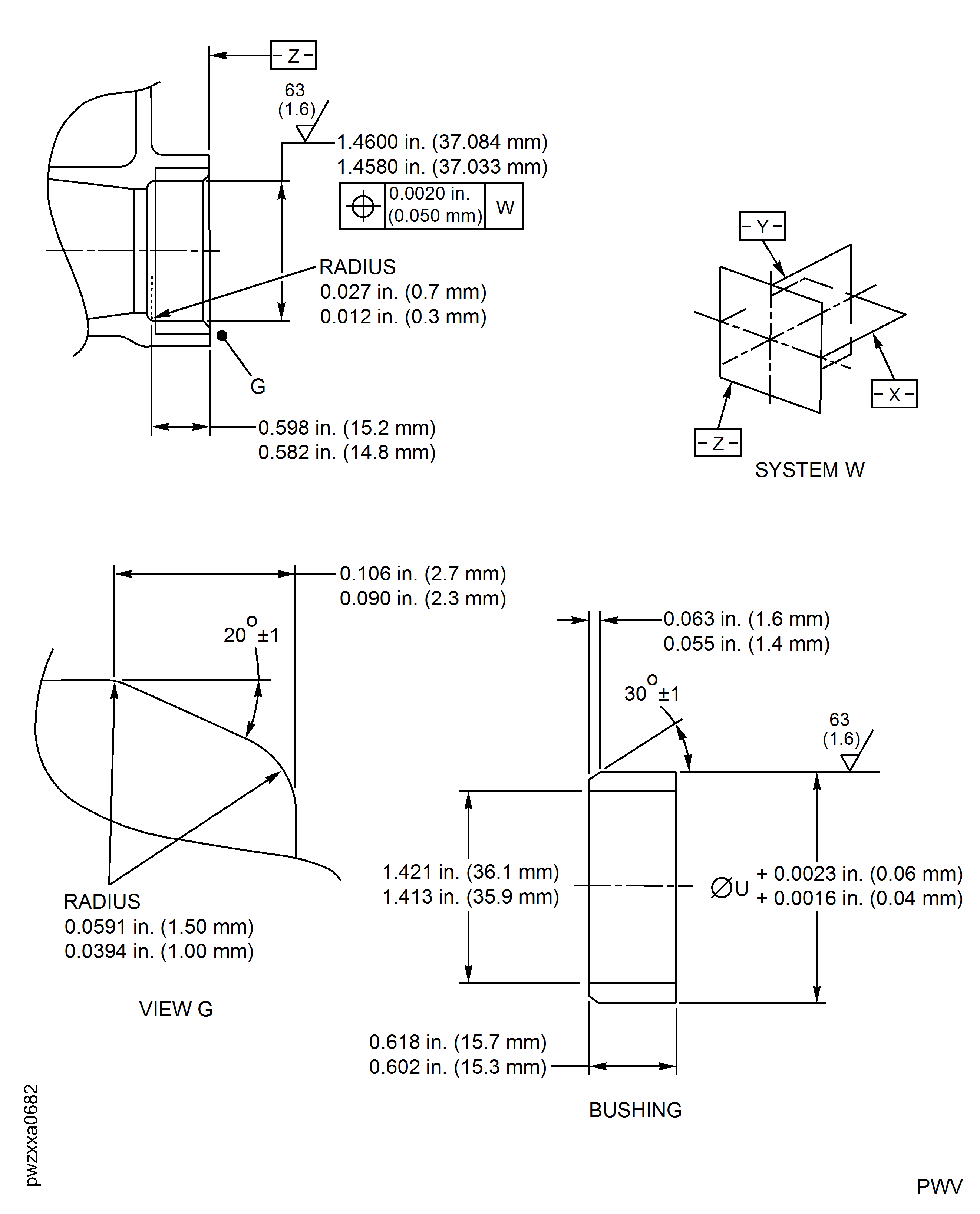
Refer to Figure.
The minimum thickness must be 0.189 in. (4.8 mm) before starting the repair.
Measure the wall thickness around the Oil Scavenge Tube Bore.
SUBTASK 72-60-21-220-197 Measure the Minimum Wall Thickness
Use CoMat 02-002 ADHESIVE TAPE GENERALPURPOSE PAPER (masking tape or similar).
Mask all bores, holes, and passage ways in the proximity of the repair area.
SUBTASK 72-60-21-350-211 Mask the Gearbox Casing
Refer to Figure.
The diameter must be between 1.6169 in. to 1.6248 in. (41.069 mm to 41.269 mm) after the removal of damage.
Measure and record Diameter U.
Machine the Bore.
Use a magnifying glass. As an alternative, do a local fluorescent penetrant inspection.
Cracks are not allowed.
Inspect the holes for cracks.
SUBTASK 72-60-21-320-153 Machine the Damaged Bore of the Gearbox Casing
Refer to SPM TASK 70-38-02-300-503.
Apply the chromate conversion coating to the machined surfaces.
SUBTASK 72-60-21-330-128 Apply the Surface Protection
Refer to Figure.
Use the specified types of Aluminum alloy. Do not use other types of material.
Make sure you comply with dimensions and tolerances.
Machine the bushing.
Refer to SPM TASK 70-38-02-300-503.
Apply the chromate conversion coating to the bushing.
SUBTASK 72-60-21-320-154 Produce a Bushing
Refer to Figure.
Use an oven and/or a freezer.
Do not increase the temperature of the housing above 284 deg F (140 deg C).
Do not decrease the temperature of the assembled drift and bushing below minus 58 deg F (minus 50 deg C).
The difference in temperature between the parts must be 216 deg F (120 deg C).

WARNING
DO NOT TOUCH THE HOT PARTS WITHOUT PROTECTIVE GLOVES.
WARNING
HOT PARTS CAN CAUSE REDDENING AND BLISTERING OF THE SKIN IF THE HANDS ARE NOT PROTECTED.
WARNING
IMMERSE THE CONTACTED AREA IN COLD WATER FOR 10 MINUTES IF THE SKIN IS BURNED. IMMEDIATELY GET THE MEDICAL ATTENTION IF PAIN OR BLISTERING PERSISTS.Increase the temperature of the casing and/or decrease the temperature of the assembled drift and bushing.
Use protective gloves.
Remove the casing from the oven and/or the bushing from the freezer.

CAUTION
INSTALL BUSHING IN MACHINED BORE IMMEDIATELY AFTER REMOVAL FROM FREEZER, OTHERWISE BUSHING CANNOT BE CORRECTLY INSTALLED.Apply CoMat 04-009 ANAEROBIC COMPOUND to the bore and bushing.
Give sufficient back-up support at the bushing bore area to prevent casing distortion when you install the bushing.
Use an arbor press.
Install the bushing into the machined bore.
48 hours at room temperature.
3 hours at 104 deg F (40 deg C).
Cure the retaining compound per one of the following options:
SUBTASK 72-60-21-350-212 Install the Bushing into the Machined Hole of the Gearbox Casing
Refer to Figure.
Machine the surface of the bushing flush to 0.005 in. (0.127 mm) below the surface of the Gearbox Casing.
The dimension must be between 1.4580 in. to 1.4600 in. (37.033 mm to 37.084 mm).
Chamfer where necessary.
Machine the inner diameter of the bushing.
SUBTASK 72-60-21-320-155 Finish Machine the Bushing
Refer to SPM TASK 70-38-02-300-503.
Apply the chromate conversion coating to the machined surfaces.
SUBTASK 72-60-21-330-129 Apply the Surface Protection
Use Vibro engraving equipment. Refer to SPM TASK 70-09-00-400-501 and SUBTASK 70-09-00-400-001.
Make a mark VRS5710 adjacent to the part number.
Do the touch up process. Refer to SPM TASK 70-38-02-300-503.
Protect the marked area.
SUBTASK 72-60-21-350-213 Identify the Repair
Figure: Repair Location
Repair Location

Figure: Repair Dimensions
Repair Dimensions

