Export Control
EAR Export Classification: Not subject to the EAR per 15 C.F.R. Chapter 1, Part 734.3(b)(3), except for the following Service Bulletins which are currently published as EAR Export Classification 9E991: SBE70-0992, SBE72-0483, SBE72-0580, SBE72-0588, SBE72-0640, SBE73-0209, SBE80-0024 and SBE80-0025.Copyright
© IAE International Aero Engines AG (2001, 2014 - 2021) The information contained in this document is the property of © IAE International Aero Engines AG and may not be copied or used for any purpose other than that for which it is supplied without the express written authority of © IAE International Aero Engines AG. (This does not preclude use by engine and aircraft operators for normal instructional, maintenance or overhaul purposes.).Applicability
All
Common Information
TASK 72-60-22-300-012 Starter Drive Gear Housing - Nickel Plate The Mounting Face, Repair-012 (VRS5032)
General
NOTE
To identify the consumable materials refer to the PCI.
Consumable materials are given in the SPM.
Preliminary Requirements
Pre-Conditions
NONESupport Equipment
| Name | Manufacturer | Part Number / Identification | Quantity | Remark |
|---|---|---|---|---|
| Workshop inspection equipment | LOCAL | Workshop inspection equipment | ||
| Grinding machine | LOCAL | Grinding machine | ||
| FPI inspection station | LOCAL | FPI inspection station | ||
| Basket | LOCAL | Basket | ||
| Process Plating Tanks | LOCAL | Process plating tanks | ||
| Oven | LOCAL | Oven | ||
| Magnifying glass, 4x | LOCAL | Magnifying glass, 4x | ||
| Vibrating marking pencil | LOCAL | Vibrating marking pencil |
Consumables, Materials and Expendables
| Name | Manufacturer | Part Number / Identification | Quantity | Remark |
|---|---|---|---|---|
| CoMat 02-067 STRIPPABLE COATING | 71410 | CoMat 02-067 |
Spares
NONESafety Requirements
NONEProcedure
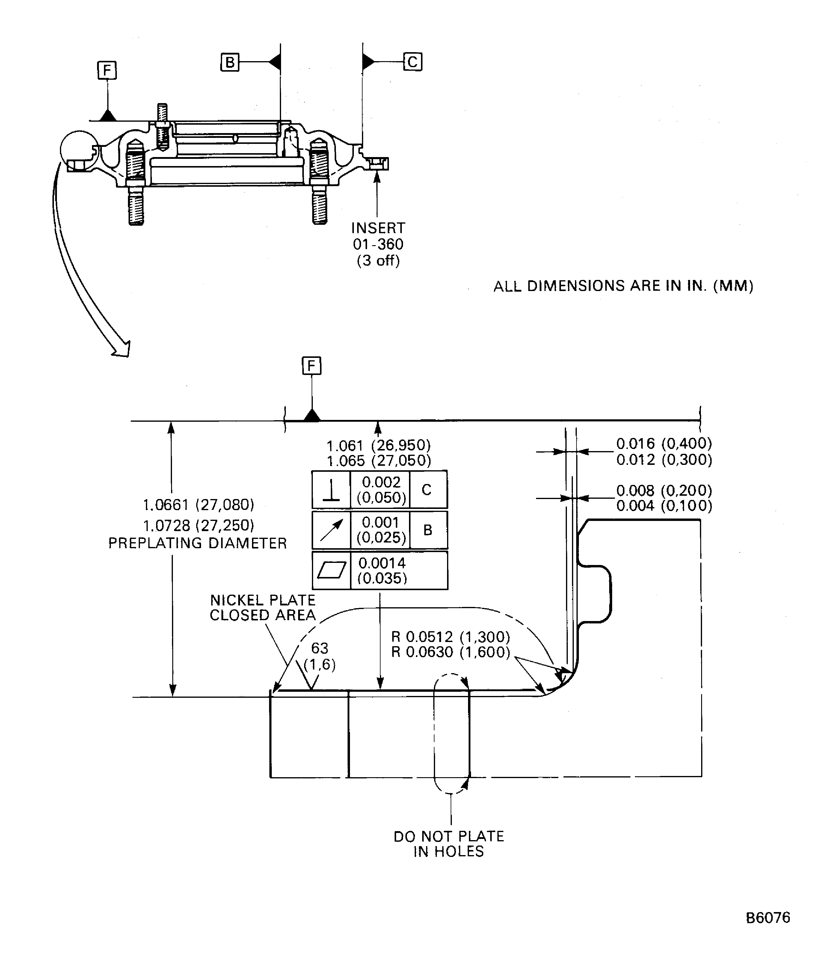
Refer to Figure.
Refer to Repair VRS5328, TASK 72-60-22-300-020.
Remove the 3 inserts from the housing.
SUBTASK 72-60-22-350-085 Remove the Inserts
Refer to Figure.
SUBTASK 72-60-22-320-085 Machine the Mounting Face of the Starter Drive Housing
Refer to the SPM TASK 70-23-01-230-501.
No cracks are permitted.
Do the fluorescent penetrant inspection for cracks.
SUBTASK 72-60-22-230-058 Examine the housing
Refer to Figure.
Refer to the SPM TASK 70-33-08-300-503.
Plate to a sufficient thickness to permit the machining to the last dimension. The plating out of the mounting face is permitted, but must be removed.
Do the nickel plating.
SUBTASK 72-60-22-330-071 Nickel Plate the Mounting Face of the Starter Drive Housing
Refer to Figure.
SUBTASK 72-60-22-320-086 Machine the Mounting Face of the Housing
Refer to Figure.
SUBTASK 72-60-22-220-108 Examine the Nickel Plated Area
Refer to Figure.
Refer to Repair, VRS5328, TASK 72-60-22-300-020.
Install the new insert.
SUBTASK 72-60-22-350-086 Install the New Insert
Figure: Nickel plate the mounting face of the starter drive housing
Nickel plate the mounting face of the starter drive housing

