Export Control
EAR Export Classification: Not subject to the EAR per 15 C.F.R. Chapter 1, Part 734.3(b)(3), except for the following Service Bulletins which are currently published as EAR Export Classification 9E991: SBE70-0992, SBE72-0483, SBE72-0580, SBE72-0588, SBE72-0640, SBE73-0209, SBE80-0024 and SBE80-0025.Copyright
© IAE International Aero Engines AG (2001, 2014 - 2021) The information contained in this document is the property of © IAE International Aero Engines AG and may not be copied or used for any purpose other than that for which it is supplied without the express written authority of © IAE International Aero Engines AG. (This does not preclude use by engine and aircraft operators for normal instructional, maintenance or overhaul purposes.).Applicability
All
Common Information
TASK 72-60-23-300-006 Hydraulic Pump Drive Gear Housing - Repair The Roller Bearing Mating Surface By Bushing, Repair-006 (VRS5039)
General
NOTE
NOTE
Preliminary Requirements
Pre-Conditions
NONESupport Equipment
| Name | Manufacturer | Part Number / Identification | Quantity | Remark |
|---|---|---|---|---|
| Arbor Press | LOCAL | Arbor press | ||
| Freezer | LOCAL | Freezer | ||
| IAE 3F10337 Drift, bushing (dia 74) | 0AM53 | IAE 3F10337 | 1 | |
| IAE 3F10428 Guide pin | 0AM53 | IAE 3F10428 | 1 | |
| Magnifying Glass | LOCAL | Magnifying Glass | ||
| Oven | LOCAL | Oven | ||
| Workshop inspection equipment | LOCAL | Workshop inspection equipment |
Consumables, Materials and Expendables
NONESpares
| Name | Manufacturer | Part Number / Identification | Quantity | Remark |
|---|---|---|---|---|
| BUSHING - ,(VRS5261) | A3460 | 4L0023 | 1 | 72-60-23, 01-465 |
Safety Requirements
NONEProcedure
Refer to Figure.
Refer to Repair, VRS5035 TASK 72-60-23-300-002 (REPAIR-002).
Remove the studs and the lock rings.
SUBTASK 72-60-23-350-082 Remove the Studs
Refer to Figure.
SUBTASK 72-60-23-320-079 Machine the Roller Bearing Bore in the Hydraulic Pump Drive Housing
Refer to Figure.
SUBTASK 72-60-23-320-080 Machine the Roller Bearing Mating Surface in the Hydraulic Pump Drive Housing
Refer to the SPM TASK 70-38-02-300-503.
Apply the chromate conversion coating to the machined surfaces.
SUBTASK 72-60-23-330-068 Apply the Chromate Conversion Coating
Refer to Figure.
Put IAE 3F10428 Guide pin 1 off in threaded hole on Roller bearing mating surface, adjacent to machined bore.
Install the guide pin.
Install the bushing on the IAE 3F10337 Drift, bushing (dia 74) 1 off.
Do not increase the temperature of the housing above 284 deg F (140 deg C).
Do not decrease the temperature of the assembled drift and bushing below minus 58 deg F (minus 50 deg C).

WARNING
DO NOT TOUCH THE HOT PARTS WITHOUT PROTECTIVE GLOVES.
WARNING
HOT PARTS CAN CAUSE REDDENING AND BLISTERING OF THE SKIN IF THE HANDS ARE NOT PROTECTED.
WARNING
IMMERSE THE CONTACTED AREA IN COLD WATER FOR 10 MINUTES IF THE SKIN IS BURNED. IMMEDIATELY GET THE MEDICAL ATTENTION IF PAIN OR BLISTERING PERSISTS.Increase the temperature of the housing and/or decrease the temperature of the assembled drift and bushing.
Use IAE 3F10337 Drift, bushing (dia 74) and an arbor press.
Give sufficient back-up support at bushing bore area to prevent housing distortion when you install the bushing.

CAUTION
INSTALL BUSHING IN MACHINED BORE IMMEDIATELY AFTER REMOVAL FROM FREEZER, OTHERWISE BUSHING CANNOT BE CORRECTLY INSTALLED.Install the bushing into machined bore.
SUBTASK 72-60-23-350-083 Install the Bushing
Refer to Figure.
SUBTASK 72-60-23-320-081 Machine the Inner Diameter of the Bush
Refer to Figure.
SUBTASK 72-60-23-320-082 Machine the Flange Surface of the Bushing
Refer to TASK 70-38-02-300-503.
Apply the chromate conversion coating to the machined surfaces of the bushing.
SUBTASK 72-60-23-330-069 Apply the Chromate Conversion Coating
Refer to Figure.
Refer to Repair, VRS5035 TASK 72-60-23-300-002 (REPAIR-002).
Install the studs and the lockrings.
SUBTASK 72-60-23-350-084 Install the Studs
Refer to Figure.
Refer to the SPM TASK 70-09-00-400-501 and SUBTASK 70-09-00-400-001 .
Make a mark VRS5039 adjacent to the part number.
SUBTASK 72-60-23-350-085 Identify the Repair
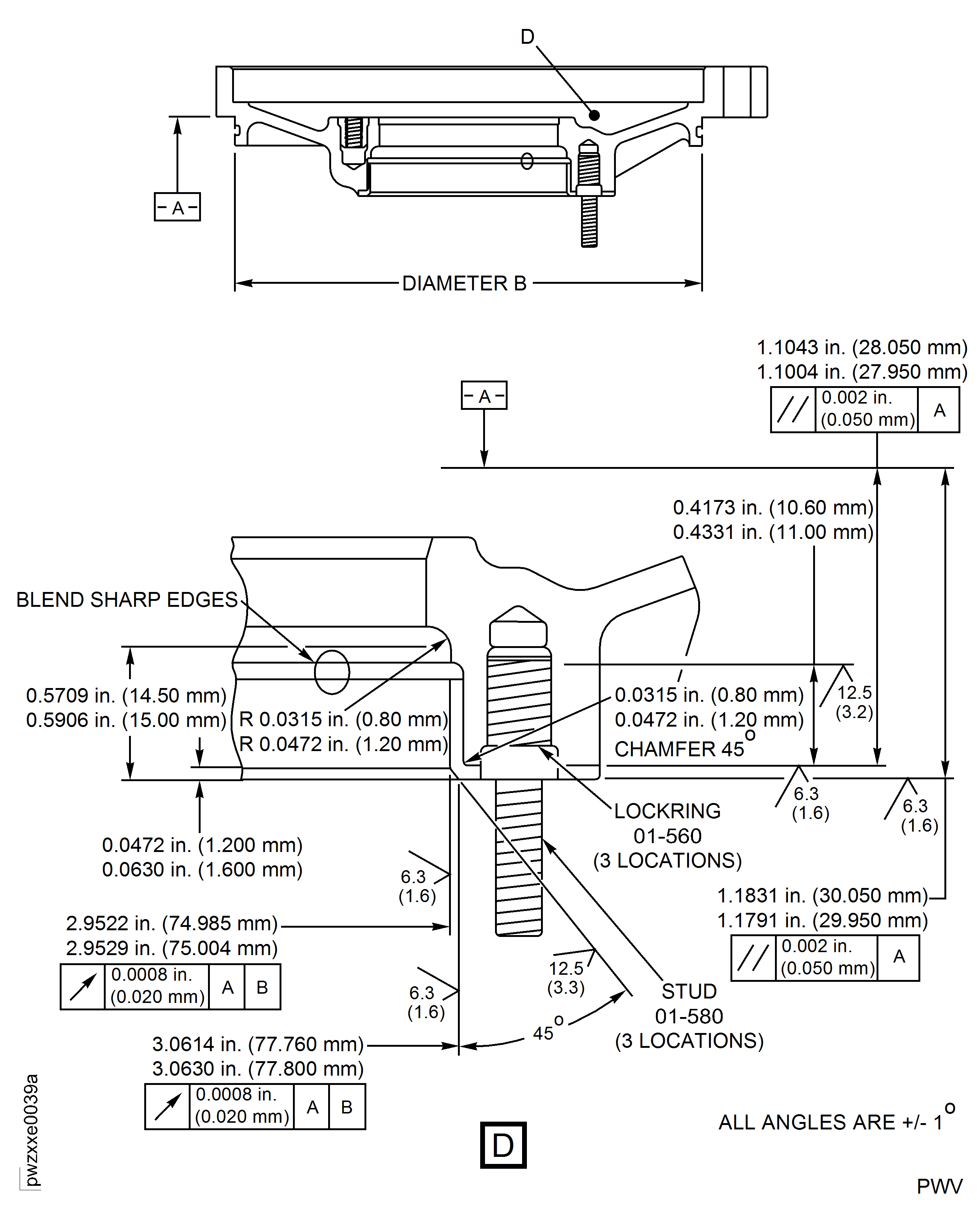
Figure: Repair Details And Dimensions
Repair Details And Dimensions

